KiCad文件
全屏
内容介绍
内容介绍
基于 STM32G4 的最小系统核心板设计报告
一、任务介绍
设计一款基于 STM32G4 系列 MCU 的最小系统核心板
题目要求:
- 8MHz 主晶振 + 32.768kHz RTC 晶振
- 完整复位电路(含手动复位按键)
- 3V LDO 稳压电路,支持 5V USB 供电
- SWD 调试接口(4Pin)
- 用户 LED ×1、用户按键 ×1
- 引出不少于 30 个 GPIO(含 SPI、I2C、UART、PWM)
- PCB 采用双层板设计
二、模块介绍
本次设计选用的核心芯片为 STM32G431CBT6。基于该 MCU,设计了一款通用最小系统核心板,其主要功能如下:
模块输入电压:5V(USB供电)
模块输出电压:3.0V(LDO稳压输出)
核心功能包括:
- MCU 最小系统运行环境
- 外部高精度时钟支持(HSE + LSE)
- SWD 在线调试下载
- 基本人机交互(LED + 按键)
- 多接口扩展能力(SPI / I2C / UART / PWM)
模块适用于:
- 嵌入式系统开发
- 工业控制
- 物联网设备
- 教学实验平台
模块设计特点:
- 采用 LDO 实现 5V → 3V 稳压
- 外挂双晶振提高系统稳定性
- 引出超过 30 个 GPIO,扩展能力强
- 结构清晰,适合作为通用核心板
模块关键规格摘要:
- 核心芯片:STM32G431CBT6
- 输入电压:5V(USB)
- 输出电压:3.0V
- 时钟:8MHz + 32.768kHz
- 调试接口:SWD
- PCB尺寸:62.5mm × 53.2mm
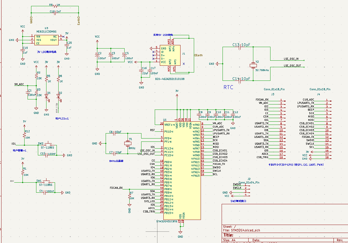
三、原理图和 PCB 模块介绍
原理图

STM32G4 最小系统资源框图
本模块采用标准 STM32 最小系统结构,主要包含以下几个部分:
1)电源电路
- USB 提供 5V 输入
- 使用 LDO( ME6211C30M5G)输出 3.0V
- 输入输出均配置滤波电容(10uF + 0.1uF)
- MCU 各 VDD 引脚配置去耦电容
2)时钟电路
- HSE:8MHz 晶振连接 PF0 / PF1
- LSE:32.768kHz 晶振连接 PC14 / PC15
- 配置负载电容保证起振稳定
3)复位电路
- NRST 上拉 10kΩ
- 并联 100nF 电容
- 外接按键实现手动复位
4)调试接口
- SWD 四针接口:SWDIO / SWCLK / GND / 3V
- 支持程序下载与调试
5)用户外设
- LED:GPIO 控制状态指示
- 按键:输入控制
6)扩展接口
- 引出 SPI / I2C / UART
- 总 GPIO 数量超过 30

PCB 模块介绍

PCB 采用双层板设计:
- 顶层:器件 + 信号
- 底层:完整接地层
设计要点:
- MCU 居中布局
- 电源模块靠近 USB
- 晶振靠近 MCU 放置
- 高速信号避免干扰
- 电源线加粗,地平面完整
关键电路布局:
- 去耦电容紧贴电源引脚
- 晶振走线短且对称
- SWD 接口布置在边缘
PCB 尺寸:
62.5mm × 53.2mm
四、模块主要性能指标和管脚定义
主要性能指标
项目 | 指标 |
|---|---|
核心芯片 | STM32G431CBT6 |
输入电压 | 5V |
输出电压 | 3.0V |
主晶振 | 8MHz |
RTC晶振 | 32.768kHz |
调试方式 | SWD |
GPIO数量 | ≥30 |
PCB尺寸 | 62.5mm × 53.2mm |
板层 | 双层板 |
应用场景 | 嵌入式开发、控制系统、物联网 |
管脚定义
引脚名 | 功能说明 |
|---|---|
5V | USB输入电源 |
3V | LDO输出 |
GND | 地 |
SWDIO | 调试数据 |
SWCLK | 调试时钟 |
NRST | 复位 |
USART_TX/RX | 串口通信 |
I2C_SCL/SDA | I2C接口 |
SPI_SCK/MISO/MOSI | SPI接口 |
GPIO | 通用IO |
五、板上设置及标识
PCB 丝印包含:
- 电源标识:5V / 3V / GND
- 接口标识:SWD / UART / I2C / SPI
- LED 标识:PWR / USER
- 按键标识:RESET / KEY
设计说明:
- LED 用于电源或状态指示
- 按键用于用户输入或复位
- BOOT0 默认下拉,支持启动配置
- 所有接口均清晰标注,便于调试
六、eZ-PLM 上新建物料和项目的截图
关键器件(如 STM32G431CBT6、LDO、电容、电阻等)均可通过 DigiKey 等平台采购。
通过 eZ-PLM 系统进行:
- 物料管理
- 文件归档
- 版本控制



七、心得体会
通过本项目,我系统掌握了 STM32 最小系统的设计方法,包括:
- 电源设计(LDO稳压与去耦)
- 时钟电路(晶振匹配与布局)
- 复位与启动配置
- SWD 调试接口设计
- PCB 布局规范(地平面、电源完整性)
在设计过程中遇到的挑战包括:
- 电源稳定性与噪声控制
- 晶振起振可靠性
- GPIO 分配与复用
- PCB 双层板布线优化
本项目使我对嵌入式硬件设计流程有了完整认识,从原理图到 PCB,再到系统功能实现,为后续复杂系统开发打下了基础。
软硬件
附件下载
STM32G4.kicad_pcb
STM32G4.kicad_sch
团队介绍
Xu Dachui
评论
0 / 100
查看更多
猜你喜欢
制作FPGA电子琴1. 存储一段音乐,并可以进行音乐播放,
2. 可以自己通过板上的按键进行弹奏,支持两个按键同时按下(和弦)并且声音不能失真,板上的按键只有13个,可以通过有上方的“上“、”下”两个按键对音程进行扩展
john
2497
2026 Make Blocks #1阶段1 - STM32G4 MCU最小系统核心板该项目使用了STM32G4,实现了最小系统核心板的设计,它的主要功能为:STM32G4 MCU最小系统核心板。
冲向天空的猪
58
2026 Make Blocks #1阶段1 -STM32G4 MCU最小系统核心板设计本项目设计了一款基于STM32G474VET6的高性能最小系统开发板,核心任务是搭建 STM32G4 系列 MCU 的完整运行基础环境,集成电源管理、时钟电路、复位与启动配置、调试接口、状态指示与 IO 扩展等核心功能,为嵌入式开发、电机控
电子设计爱好者123
63
