任务介绍
1. 设计一款单路恒流LED驱动模块
2. 输入6-40V,输出1A恒流
3. 支持PWM调光和模拟调光
模块介绍
本项目设计了一款单路恒流 LED 驱动模块,该模块核心的 LED 恒流驱动芯片采用LM3414,实现了 6-42V 的宽电压输入范围,可输出稳定的 1A 恒流,同时具备PWM 调光和模拟调光两种调光模式:模拟调光通过电位器手动调节实现,PWM 调光则由单片机产生不同占空比的 PWM 波来控制,且可通过按键切换占空比档位。
原理图和PCB设计

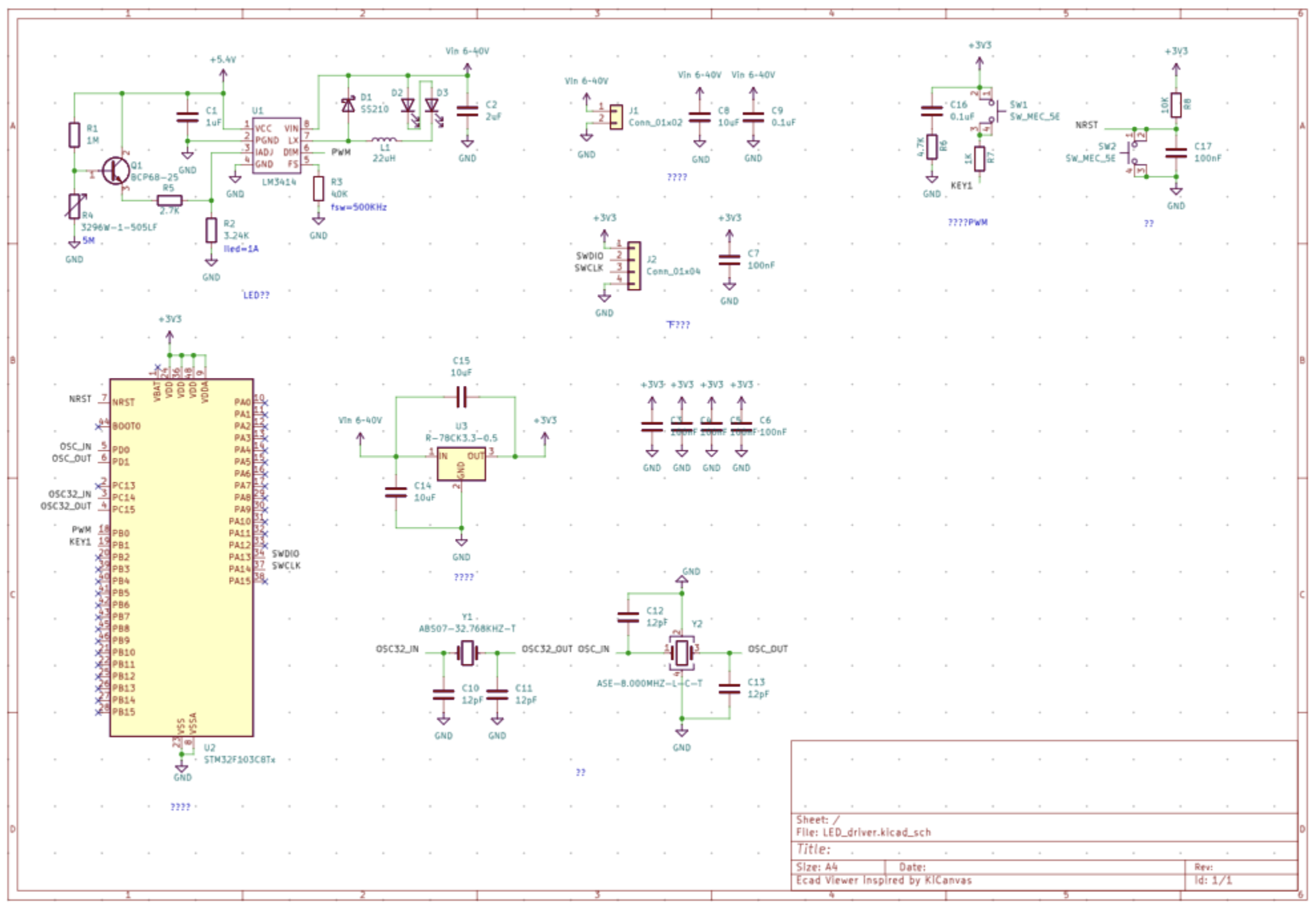
原理图
各模块功能介绍
- 电源模块:由 U3(78K3.3-0.5)组成线性稳压电路,将 6 - 40 V的输入电压稳压为 3.3V,为单片机供电;同时输入电压直接为 LM3414 提供电源。
- 恒流驱动模块:以 U1(LM3414)为核心,配合电感 L1、二极管 D1、采样电阻 R2 等,实现 6-40V 输入到 1A 恒流输出的转换。电位器 R4 和 MOS 管 Q1 组成模拟调光电路,调节 LM3414 的参考电流。
- 单片机控制模块:以 U2(STM32F103C8T6)为核心,配置晶振 Y1(32.768kHz)、Y2(8MHz)提供时钟信号,按键 SW1用于 PWM 占空比切换,SWD 接口(J2)用于程序下载与调试,同时单片机输出 PWM 信号至 LM3414 的 PWM 引脚,实现 PWM 调光。

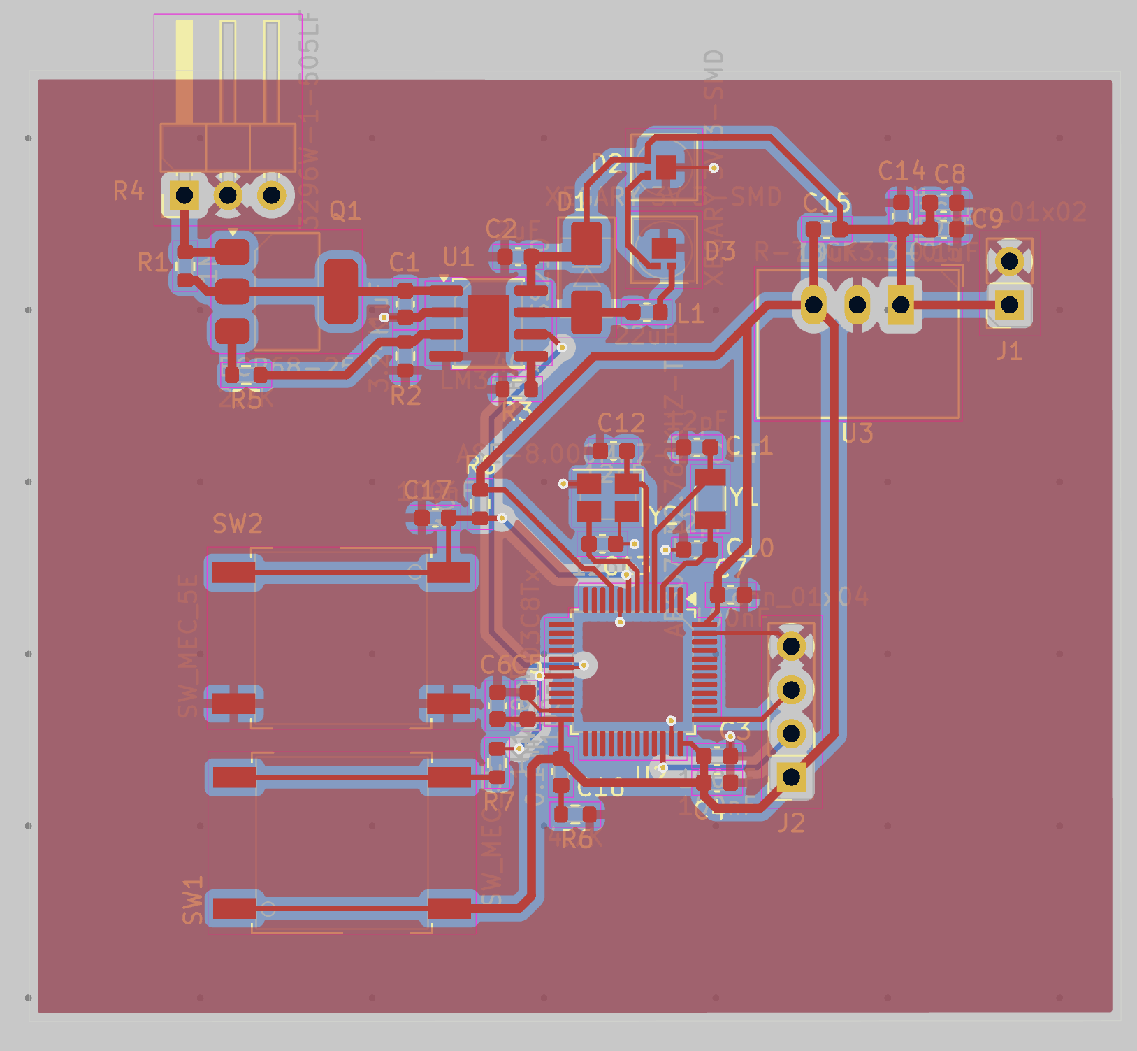
PCB
主要芯片介绍
- LM3414(U1)
功能:作为核心的 LED 恒流驱动芯片,LM3414 是一款高压降压型 LED 驱动器,输入电压范围最高可达 42V,并且可通过外部电阻设置输出恒流值,同时具备 PWM 调光功能。在本模块中,它负责将 6-40V 的输入电压转换为稳定的 1A 电流输出,驱动 LED 负载,并接收单片机的 PWM 信号实现调光控制,同时,这块芯片还具备模拟调光的接口,支持输入模拟电压调节输出电流。
DigiKey 官网链接:LM3414XMHX/NOPB - DigiKey
- STM32F103C8T6(U2)
功能:作为模块的控制核心,STM32F103C8T6 是一款基于 ARM Cortex-M3 内核的 32 位单片机,在本模块中,它负责产生不同占空比的 PWM 波输出至 LM3414,实现 PWM 调光功能;同时检测按键输入,切换 PWM 占空比档位,单片机通过 SWD 接口进行程序下载与调试。
DigiKey 官网链接:STM32F103C8T6 - DigiKey
- 78K3.3-0.5(U3)
功能:线性稳压芯片,将输入的 6-40V 电压稳压为 3.3V,为 STM32F103C8T6 单片机及部分外设提供稳定的电源。
应用:适用于对电源精度要求较高的低功耗嵌入式系统供电场景。
DigiKey 官网链接:R-78K3.3-0.5 Recom Power | 电源 - 板安装 | DigiKey
模块主要性能指标和管脚定义
(一)主要性能指标
输入电压范围:6V - 40V
输出恒流:1A(±5% 精度)
PWM 调光频率:20kHz
模拟调光范围:0% - 100%(对应 LED 亮度 0 - 100%)
工作温度:-20℃ - +85℃
效率:≥80%(典型输入 24V 时)
(二)管脚定义
J1(电源接口):
引脚 1:Vin(输入电压正端,6-40V)
引脚 2:GND(输入电压负端及公共地)
J2(SWD 调试接口):
引脚 1:+3.3V(可选,调试电源输入)
引脚 2:SWDIO(串行调试输入 / 输出)
引脚 3:SWCLK(串行调试时钟)
引脚 4:GND(地)
U2(单片机):
PB0:PWM输出
PB1:占空比调节按键输入
VDDA、VDD:+3.3V电源输入
VSSA、VSS:接地
PA13:下载接口SWDIO
PA14:下载接口SWCLK
PD0、PD1、PC14、PC15:晶振
NRST:复位按键输入
eZ-PLM项目截图

物料添加展示图

项目详情图
心得体会
体会到 “模块化设计” 的重要性:将电源、恒流驱动、单片机控制等功能模块独立设计再整合,便于调试和故障排查。后续可能会考虑为该模块增加通信功能,实现远程调光或状态监测,拓展模块的应用场景。