1.所选任务介绍
要求设计一个支持USB-C接口的单节锂电池充电模块:
- 设计一款基于ESP32(芯片、模组两者均可使用)的WiFi最小系统PCB;
- 包含:USB转串口、复位/烧录电路和板载天线;
- 支持Arduino/ESP-IDF开发;
- 主要器件:需在DigiKey官网上有货且正常售卖。
2.设计的模块介绍(包含主要芯片的选择、功能和应用等,并附上主要芯片在DigiKey官网的链接)
本设计为一款基于ESP32-C3-WROOM-02无线通信模块的多功能开发板,集成了USB转串口、3.3V电源管理、用户按键、LED指示等常用功能,适用于物联网、智能家居、无线传感等应用场景。
1. 主控芯片:ESP32-C3-WROOM-02-N4
功能:集成Wi-Fi和低功耗蓝牙(BLE),内置RISC-V 32位单核处理器,支持丰富的GPIO、UART、SPI、I2C等外设接口。
应用:适用于无线数据采集、远程控制、智能家居、工业自动化等物联网场景。
优势:低功耗、高集成度、丰富的开发资源,支持多种开发环境(如ESP-IDF、Arduino)。
DigiKey官网的链接:ESP32-C3-WROOM-02-N4 Espressif Systems | 射频和无线 | DigiKey
2. USB转串口芯片:CP2102N-Axx-xQFN28
功能:实现USB与UART串口的转换,便于PC与ESP32-C3之间的数据通信和固件下载。
应用:开发调试、固件烧录、串口通信。
优势:兼容性好,驱动完善,支持多平台。
DigiKey官网的链接:CP2102N-A02-GQFN28 Silicon Labs | 集成电路(IC) | DigiKey
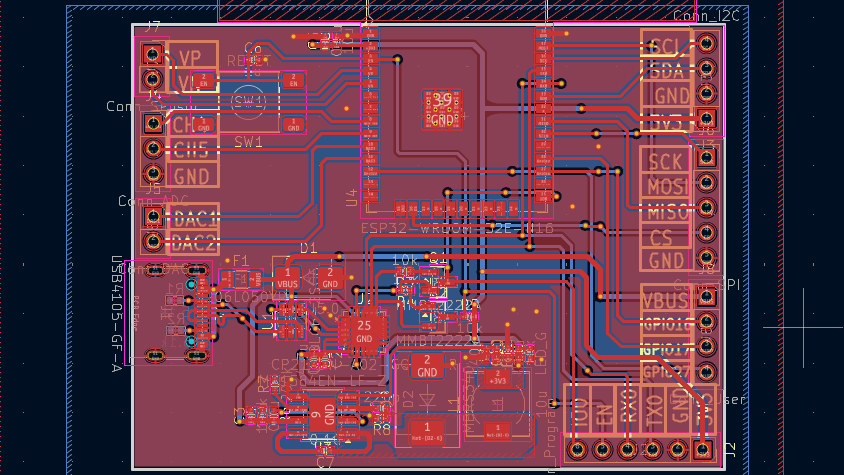
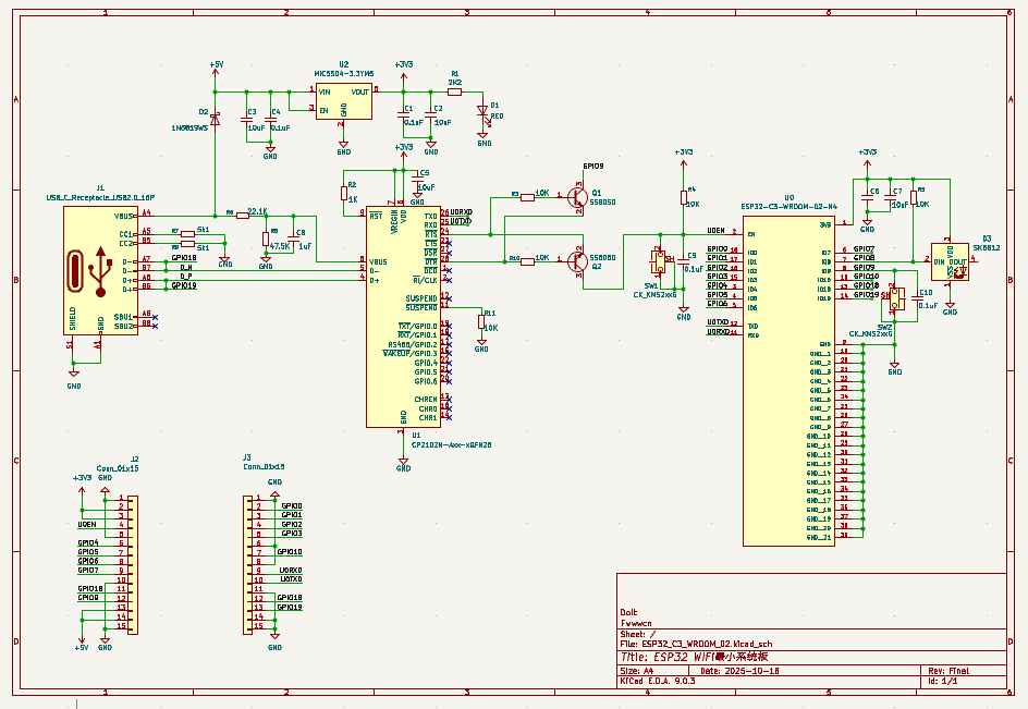
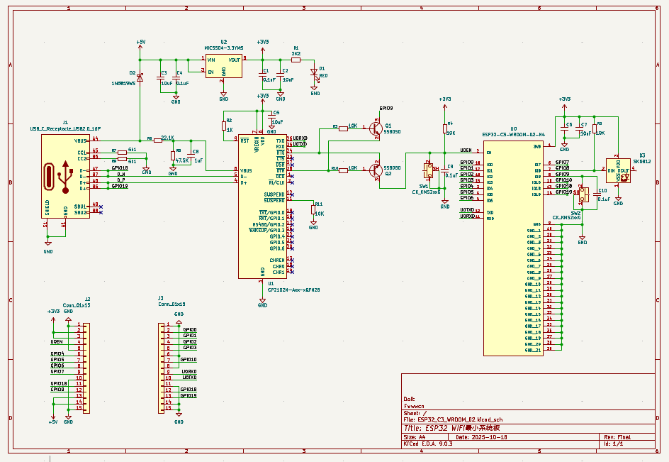
3.原理图和PCB模块设计介绍(记得截图原理图和PCB上传)
如图1所示,本电路以 ESP32-C3-WROOM-02 模块为核心,设计为一款集成 USB 转串口功能的通用开发板,适用于物联网、无线通信等应用的原型开发。设计思路围绕“易用性、稳定性和扩展性”展开。首先,采用 USB-C 接口作为主要供电和通信通道,利用 CP2102N 芯片实现 USB 与 ESP32-C3 的串口桥接,方便用户通过 PC 进行程序下载和调试。电源部分通过 MIC5504 LDO 稳压芯片将 USB 5V 降压为 3.3V,保障主控和外设的稳定供电,并在关键节点布置多颗去耦电容以抑制电源噪声。自动下载电路利用 CP2102N 的 GPIO 控制三极管,自动切换 ESP32-C3 的 EN(复位)和 GPIO0(下载模式)引脚状态,实现一键下载功能,极大提升开发效率。板载按键和 LED 指示灯为用户提供基本的交互和状态反馈,RGB LED(SK6812)可用于丰富的视觉指示。所有常用 IO 通过排针引出,便于外部扩展和二次开发。USB-C 端口的 CC1、CC2 通过 5.1k 下拉电阻确保兼容性,防反接二极管提升安全性。
图1 最小板原理图
最小板PCB图如图2所示,注意USB数据线(D+/D-)走线短且对称,靠近地平面,减少信号干扰。电源去耦电容(0.1uF、10uF)分布合理,抑制高频噪声,保障主控和通信芯片稳定工作。预留丰富的GPIO接口,双排排针设计,方便连接外部模块。板载SK6812 RGB LED和独立指示灯,便于状态显示和调试。按键采用贴片轻触开关,便于操作。

图2 最小板PCB图

图3 3D效果图
4.模块主要性能指标和管脚定义
表1 主要性能指标和排针管脚定义
关键组件 | 描述 |
ESP32-C3-WROOM-02 或 ESP32-C3-WROOM-02U | ESP32-C3-WROOM-02 和 ESP32-C3-WROOM-02U 是功能强大的通用乐鑫模块,提供 Wi-Fi 和蓝牙低功耗共存。ESP32-C3-WROOM-02 有一个 PCB 天线,而 ESP32-C3-WROOM-02U 有一个外部天线连接器。它们都集成了一个 4 MB SPI 闪存。 |
5 V 至 3.3 V LDO | 将 5 V 电源转换为 3.3 V 输出的电源稳压器。 |
5 V 上电 LED | 当 USB 电源连接到电路板时打开。 |
排针 | 所有可用的GPIO引脚(用于闪存的SPI总线除外)都分断到电路板上的排针。定义参见原理图。 |
启动按钮 | 下载按钮。按住 Boot 然后按 Reset(重置)将启动固件下载模式,用于通过串行端口下载固件。 |
微型 USB 端口 | USB接口。电路板的电源以及计算机和 ESP32-C3 芯片之间的通信接口。 |
重置按钮 | 按此按钮重新启动系统。 |
USB 转 UART 桥接器 | 单个 USB 转 UART 桥接芯片提供高达 3 Mbps 的传输速率。 |
RGB LED | 可寻址 RGB LED,由 GPIO8 驱动。 |
5.eZ-PLM上新建物料和项目的截图+介绍

图4 eZ-PLM上新建本项目

图5 eZ-PLM上新建项目所用的主要物料

图6 利用eZ-PLM生成网页版BOM
6.心得体会(包括意见或建议)
本次项目采用ESP32-C3-WROOM-02-N4作为主控,结合CP2102N实现USB转串口通信,配合丰富的外围接口和电源管理模块,设计最小板。通过梳理电路连接和元件选型,我对嵌入式硬件系统的架构有了更深入的理解,锻炼了我对电路系统性思考和细节把控的能力,也让我更加重视规范化设计和可维护性。未来在类似项目中,将继续优化电源、信号完整性和模块化设计思路。
