KiCad文件
全屏
内容介绍
内容介绍
项目文档
任务介绍
设计一款能实时显示锂电池电压和剩余电量的模块。
题目要求:
- 使用单节 3.7V 锂电池(4.2V 满电)
- 支持电压、电量的实时显示
- 使用 4 位数码管作为显示界面
- 具备低电量报警功能(电压低于阈值时蜂鸣器+LED 报警)
- PCB 尺寸控制在 50mm × 30mm 范围内
模块介绍
本次设计采用 BQ27441 电量计芯片,结合电流分流电阻实现电荷计量,并通过 I²C 与 MCU 通信。MCU 进行数据处理并驱动 4 位 7 段数码管,实现电压与电量的循环显示。模块还设计了低电量报警电路,当 SOC 低于设定值时蜂鸣器与 LED 提示。
- 电源接口 (J1): 电池输入端,支持单节 3.7V 锂电池。
- Pin1:BAT+
- Pin2:GND
- 逻辑电源接口 (J2): 提供 3.3V 工作电压(由 LDO 转换)。
- Pin1:VCC
- Pin2:GND
- I²C 通信接口 (JP3):
- Pin1:SDA
- Pin2:SCL
- Pin3:GND
- 显示接口 (JP4): 数码管段选与位选信号(a–g, dp, DIG1–4),每段串联限流电阻。
- 报警接口 (JP5):
- Pin1:蜂鸣器
- Pin2:LED
- Pin3:GND
BQ27441芯片DigiKey链接:BQ27441DRZR-G1A Texas Instruments | 集成电路(IC) | DigiKey
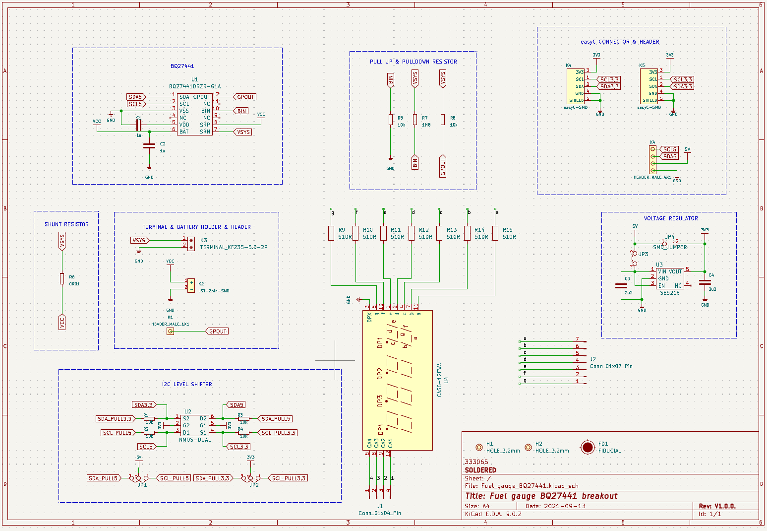
原理图和 PCB 模块介绍

原理图
电路由以下部分组成:
- 电量计电路:BQ27441 通过分流电阻采样电流,采样电池电压并计算剩余电量。
- 显示电路:4 位共阳极数码管,段线串 510 Ω 电阻,采用动态扫描方式显示电压和电量。
- 电源电路:LDO 稳压芯片提供稳定 3.3V 电压,输入电容和去耦电容保证电源稳定。
- 报警电路:MCU 控制蜂鸣器与 LED,当电量低于阈值时报警。

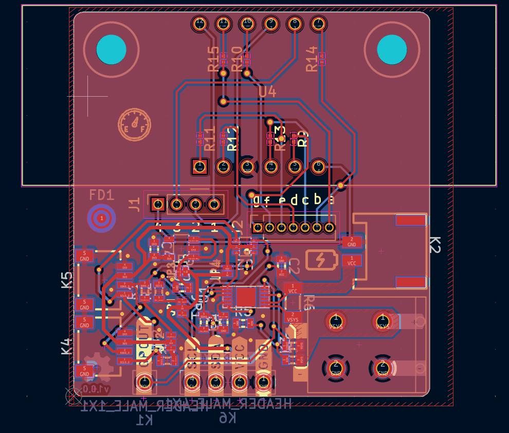
- 布局:电源与数码管显示部分分区布线,减少噪声耦合;高电流路径加宽铜皮。
- 接插件:统一使用 JST-PH2、排针接口,方便与电池和主控板连接。
- 3D 效果图:数码管居上,接口居下,便于观察与接线。

模块主要性能指标与管脚定义
主要性能指标
- 模块类型:锂电池电量显示模块
- 核心芯片:BQ27441(I²C 电量计)
- 电池类型:单节 3.7V 锂电池
- 显示方式:4 位 7 段数码管
- 电压显示范围:3.0V–4.2V
- 电量显示:0%–100%
- 报警功能:电量 <20% 或 电压 <3.5V 报警
- PCB 尺寸:50mm × 30mm
管脚定义
接口 | 管脚编号 | 管脚名 | 属性 | 描述 |
|---|---|---|---|---|
J1 | Pin1 | BAT+ | P | 电池正极输入 |
Pin2 | GND | P | 电池地 | |
J2 | Pin1 | VCC | P | 逻辑电源输入(3.3V) |
Pin2 | GND | P | 电源地 | |
JP3 | Pin1 | SDA | I/O | I²C 数据 |
Pin2 | SCL | I/O | I²C 时钟 | |
Pin3 | GND | P | 通信地 | |
JP4 | Pin1–8 | a–g, dp | O | 数码管段选输出 |
Pin9–12 | DIG1–DIG4 | O | 数码管位选输出 | |
JP5 | Pin1 | BEEP | O | 蜂鸣器输出 |
Pin2 | LED | O | 低电量 LED 输出 | |
Pin3 | GND | P | 报警电路地 |
板上设置及标识
- D1:电源指示灯,电池正常供电时点亮。
- R9–R15:段选限流电阻,典型值 510 Ω。
- OE 管脚:可设置数码管显示使能/关闭。
- JP 设置:允许选择电池电源或外部 3.3V 供电模式。
eZ-PLM 项目管理


- 将本项目上传至 eZ-PLM 系统,方便版本迭代与物料管理。
- DigiKey 器件(BQ27441PW、LDO、分流电阻、数码管)均有货且可正常采购。
- eZ-PLM 系统可对 BOM 清单、Gerber 文件、原理图进行归档与追溯。
心得体会
在设计电量显示模块过程中,主要遇到以下问题并逐步解决:
- 电源与接地布线:电池电流较大,若走线过细会导致电压下降,后续通过加宽电源铜皮并优化地平面解决。
- I²C 信号完整性:在初始测试时发现 SDA/SCL 信号有毛刺,通过增加上拉电阻并缩短走线改善。
- 显示驱动电流:4 位数码管同时点亮时电流过大,采用动态扫描方式减少瞬时电流,保证 MCU 驱动能力。
- 低电量报警逻辑:初版软件在阈值附近反复报警,通过加入电压/电量迟滞判断,避免了抖动。
通过本次设计,不仅熟悉了 BQ27441 电量计芯片 的应用,还掌握了 电池电源管理、I²C 信号设计与数码管动态扫描显示 的要点。未来可以在此基础上扩展 OLED 显示 或 无线电量上传 功能,提升模块的应用场景。
软硬件
元器件
电路图
附件下载
Fuel_gauge_BQ27441.kicad_pcb
Fuel_gauge_BQ27441.kicad_sch
团队介绍
Xu Dachui
评论
0 / 100
查看更多
猜你喜欢
2025 Make Blocks第五期阶段1 - 可调线性稳压电源模块选用NCP1117设计一个输入7-15V,输出1.25-12V可调的线性稳压模块
最大输出电流1A
具备输出电压数字显示,过流保护
fwwwcn
105
2025 Make Blocks阶段1 - 基于DS2784G+T&R和TM1650的移动电源电量显示模块设计该项目使用了DS2784G+T&R和TM1650,实现了移动电源电量显示模块的设计,它的主要功能为:采集显示电量,具备低电量报警功能。
空耳-
217
2025 Make Blocks阶段1 - 移动电源电量显示模块设计该项目使用了KiCad软件,实现了基于STM32G031高性能MCU与MAX17048专业电量计芯片的移动电源电量显示模块的设计,它的主要功能为:高精度实时监测3.7V锂电池电压与剩余电量,通过4位数码管清晰显示数据,并提供低电量声光报警功能,为移动设备供电管理提供可靠的视觉化监控方案。。
xinyu
222
