任务介绍
题目要求:设计一款IMU模块
- 设计一款IMU模块,可实现至少三轴的数据检测,例如加速度计、陀螺仪、磁力计等
- 板卡尺寸:小于60mmx40mm
- 包含信号:信号输出口,+3.3V、GND
- 主要器件:需在DigiKey官网上有货且正常售卖
模块介绍
根据任务要求本次我选用的是ICM-42688-P芯片设计了一款MU模块,此模块是一款专为车载和工业应用设计的高性能惯性测量单元(IMU),集成三轴 MEMS 速率陀螺仪、三轴 MEMS 加速度计((支持 20 位 FIFO 高分辨率数据,多量程可选),配备 I3CSM、I2C 和 SPI 通信接口,具备自检、时钟管理、FIFO 缓存、多类型中断触发等系统级功能,内置数字温度传感器用于温度补偿,支持出厂偏置校准和动态补偿。
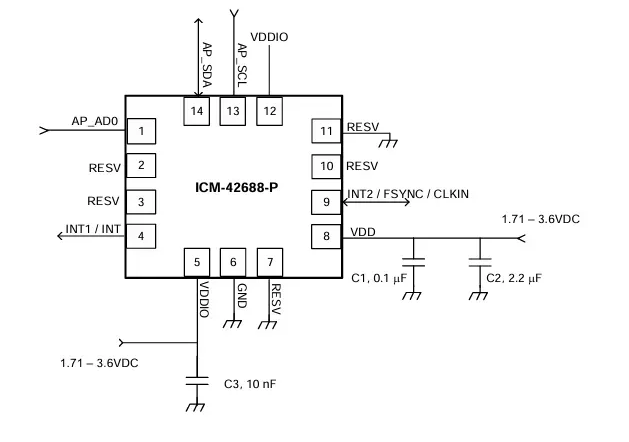
电源供电管脚:
- Pin1 - 3.3v供电接口
- Pin2 - 地
ICM-42688-P芯片DigiKey接:https://www.digikey.cn/zh/products/detail/tdk-invensense/ICM-42688-P/10824934?s=N4IgTCBcDaIAQEkDCBZAtAFjANgBy5AF0BfIA
原理图和PCB模块介绍

原理图

PCB
ICM-42688-PIMU模块PCB由一个8P2.54排针引出接口分别为VCC,GND,AD0,SDA,SCL,CS,IN1,IN2。

3D效果图
模块主要性能指标和管脚定义
主要性能指标
ICM-42688-P 是一款专为车载和工业应用设计的高性能惯性测量单元(IMU),集成三轴 MEMS 速率陀螺仪、三轴 MEMS 加速度计((支持 20 位 FIFO 高分辨率数据,多量程可选),配备 I3CSM、I2C 和 SPI 通信接口,具备自检、时钟管理、FIFO 缓存、多类型中断触发等系统级功能,内置数字温度传感器用于温度补偿,支持出厂偏置校准和动态补偿。
陀螺仪量程
具有±15.625、±31.25、±62.5、±125、±250、±500、±1000、±2000八种测量范围。
陀螺仪零偏
典型值:±0.5°/s;
温度敏感性:零偏温漂系数为 ±0.005°/s/°C。
主要特征
- 官方数据手册:ICM-42688-P 数据手册
- 集成功能:3轴加速度计 + 3轴陀螺仪
- 测量范围:
- 加速度:±2g、±4g、±8g、±16g(可配置)
- 角速度:±250°/s、±500°/s、±1000°/s、±2000°/s(可配置)
- 接口:支持I²C(最高1MHz)和SPI(最高24MHz)
- 低功耗:
- 加速度计低功耗模式:仅6.5µA
- 陀螺仪低功耗模式:仅1.6mA
- 高精度:
- 加速度计噪声密度:90µg/√Hz
- 陀螺仪噪声密度:4mdps/√Hz
- 温度稳定性:内置温度传感器,支持自动校准
- 数字信号处理:
- 内置低通滤波器(可配置)
- 运动检测(如自由落体、唤醒、敲击等)
- 封装:3mm x 3mm x 0.86mm LGA封装
- 工作温度:-40°C至+85°C
管脚定义

ICM-42688-P 支持I3CSM、I2C 和 SPI 三种通信接口模式,本次数据读取使用SPI通信接口。ICM-4688-P使用SPI通信时,具有如下特性
大端传输,即先传输MSB后传输LSB;
数据在 SCLK 的上升沿被锁存;
数据应在 SCLK 的下降沿进行转换;
SCLK 的最大频率为 24 MHz。
eZ-PLM上新建物料和项目的截图
使用了eZ-PLM系统上传了自己的工程文件,方便保存记录各个版本,也可随时查阅,系统里查阅不到的物料也支持手动添加。

物料添加展示图

项目详情图
心得体会
ICM42688是TDK InvenSense推出的一款高性能6轴MEMS运动传感器,集成了3轴加速度计和3轴陀螺仪,适用于AR/VR、无人机、智能手机、可穿戴设备等应用。
本次设计的IMU模块,让我进一步熟悉KICADPCB制作软件,希望自己的画板技术越来越好!!!
