一、项目概述
本项目基于纳芯微NS800RT5039评估板,成功实现了WS2812B LED灯板的SPI驱动控制,并完成了基础外设功能验证。项目不仅完成了基础任务要求的UART输出和ePWM波形生成,还自主扩展了WS2812B LED控制功能,成功驱动了42列×5行共210颗LED的灯板,实现了多种动态光效。本项目为大规模LED灯墙控制提供了重要的技术验证和实践经验。
二、硬件系统设计
2.1 硬件选型与配置
组件 | 型号/规格 | 关键参数 | 备注 |
|---|---|---|---|
主控芯片 | NS800RT5039 | Cortex-M0@64MHz, 128KB Flash, 32KB RAM | 评估板自带 |
评估板 | NSSinePad-NS800RT5039 | 提供完整外设接口 | 官方SDK |
LED灯板 | WS2812B RGB LED | 42列×5行=210颗,24位色深 | 单线串行控制 |
调试工具 | 带屏十二指神探 ADALM2000(M2K) | 8通道逻辑分析仪 掌上电子实验室 | 用于PWM数据分析 用于WS2812B数据分析 |
电源模块 | PD口袋电源 | 5V/3A输出,支持PPS | 独立供电 |

2.2 硬件连接架构
供电系统
↗ ↖
5V/3A GND
↓ ↓
WS2812B灯板 ← SPI数据 → NS800RT5039评估板
(VCC+GND) (SPI1-SIMO) (UART+ePWM输出)
↓ ↓
串口调试 逻辑分析仪
2.3 电源设计考虑
我使用的灯板,是低功耗的,使用5V供电,最高亮度全白色的时候,单颗灯珠的电流为14毫安,210颗LED最大电流为:
Imax=210×14mA=2.9A
实际使用中应采用以下策略:
- 外接5V/3A独立电源,避免开发板电源过载
- 软件层面限制最大亮度(通常使用50%亮度)
- 实际工作电流控制在1.5A以内,确保系统稳定
三、软件架构设计
3.1 整体架构
应用层 (main.c)
├── 演示调度器
├── 动画效果库
└── 用户交互
驱动层 (ws2812b.c/h)
├── 硬件抽象层 (SPI初始化)
├── 数据缓冲区管理
├── 坐标映射系统
└── 时序生成引擎
硬件层 (NS800RT5039 SDK)
├── SPI控制器
├── DMA引擎
├── 定时器系统
└── GPIO管理
3.2 核心问题解决:
问题现象:
初期测试中发现,设置42列LED时仅能点亮21列,硬件仅响应一半数据量。
问题分析:
经深入调试发现,NS800RT5xxx系列芯片的SPI控制器在特定配置下存在硬件特性:实际传输的数据量会减半。
但是,深层的具体原因还没有完全找到,日后再分析。
解决方案探索:
先后尝试了多种方法:
- 调整SPI数据宽度:8位→16位→32位(无效)
- 修改发送策略:分批发送、DMA传输(无效)
- 检查GPIO配置:更换引脚、检查复用功能(无效)
- 分析时序波形:使用逻辑分析仪确认SPI输出(数据确实减半)
最终解决方案:数据翻倍补偿
在软件层面实现透明的数据补偿机制:
// ws2812b.h
#define WS2812B_PHYSICAL_COLUMNS (42U) // 用户可见的物理列数
#define WS2812B_PHYSICAL_ROWS (5U) // 用户可见的物理行数
#define WS2812B_COLUMNS (WS2812B_PHYSICAL_COLUMNS * 2) // 内部缓冲列数
#define WS2812B_ROWS (WS2812B_PHYSICAL_ROWS) // 内部缓冲行数
问题解决后,两块或者更多灯板级联,都能够完全正常的控制显示。
工作原理示意图:
用户操作:设置第N列颜色
↓
驱动层:同时写入内部缓冲区第2N列和第2N+1列
↓
SPI发送:420颗LED数据(84列×5行)
↓
硬件处理:数据量自动减半
↓
实际输出:210颗LED数据(42列×5行)✓
3.3 WS2812B时序实现
时序计算
WS2812B采用单线协议,传输的数据,有严格的时序要求:

WS2812B协议要求:
- 0码:T0H ≈ 0.4μs, T0L ≈ 0.85μs
- 1码:T1H ≈ 0.8μs, T1L ≈ 0.45μs
- 复位:低电平 > 50μs
通常选用SPI频率:6.4MHz
SPI周期:TSPI=16.4MHz≈156nsTSPI=6.4MHz1≈156ns
编码方案:
- WS2812B "0" → SPI:
1000(0x8) - 高电平:1×156ns = 156ns
- 低电平:3×156ns = 468ns
- 接近原始要求(400ns/850ns)
- WS2812B "1" → SPI:
1110(0xE) - 高电平:3×156ns = 468ns
- 低电平:1×156ns = 156ns
- 接近原始要求(800ns/450ns)
性能分析
每颗LED数据传输时间:
TLED=24位×4SPI位/位×156ns=14.976μsTLED=24位×4SPI位/位×156ns=14.976μs
210颗LED总传输时间:
Ttotal=210×14.976μs+50μs(复位)≈3.195msTtotal=210×14.976μs+50μs(复位)≈3.195ms
理论最大刷新率:
Fmax=13.195ms≈313HzFmax=3.195ms1≈313Hz
实际测试刷新率约300Hz,完全满足流畅动画要求。
四、功能实现详情
4.1 基础任务完成情况
任务1:UART串口输出
基于SDK示例examples/device_support/ns800rt5xxx/examples/uart/uart_ex1_send_receive_pollin修改,成功输出指定字符串:
printf("Hello, NOVOSENSE Wedesign project.\r\n");

实际串口输出:

任务2:ePWM互补波形输出
给予SDK示例examples/device_support/ns800rt5xxx/examples/epwm/epwm_ex11_configure_signal,配置ePWM模块生成2MHz、50%占空比互补波形:
// 关键配置参数
EPWM_SignalParams pwmSignal = {
.frequency = 2000000, // 2MHz
.dutyCycle = 0.5, // 50%占空比
.phase = 0.5, // 相位50%
.complementary = true, // 互补输出
// ... 其他配置
};

通过代码中的配置,可以得知对应的ePWM的输出引脚:

然后,从原理图上,可以查到,GPIO0、GPIO1在J11上引出:

具体位于开发板如下位置:GPIO0->I2C1-SDA、GPIO1->I2C1-SCL

将GPIO0、GPIO1连接到带屏十二指神探(已刷逻辑分析仪固件):

打开PulseView,找到对应的逻辑分析仪设备:

编译下载运行后,就能收到输出的PWM信号了:

放大,然后使用标尺测量,可以看到具体的频率:

经检验,符合任务要求。
五、LED驱动API设计与实现详解
5.1 整体架构设计
本项目的LED驱动系统采用分层架构设计,从上到下分为应用层、API层、驱动层和硬件抽象层,实现了高内聚、低耦合的设计目标:
应用层 (Application)
├── 动画效果库
├── 用户交互逻辑
└── 系统调度器
↓
API层 (WS2812B API)
├── 颜色管理函数
├── 坐标映射系统
├── 区域控制接口
└── 动画辅助工具
↓
驱动层 (Driver Layer)
├── 数据编码器
├── 缓冲区管理器
├── SPI时序控制器
└── 错误处理机制
↓
硬件抽象层 (HAL)
├── SPI硬件配置
├── GPIO引脚管理
└── 时钟系统配置
5.2 数据结构设计
颜色结构体设计:
typedef struct {
uint8_t r; /*!< Red component (0-255) */
uint8_t g; /*!< Green component (0-255) */
uint8_t b; /*!< Blue component (0-255) */
} WS2812B_Color;
关键特性:
- 内存对齐:3字节紧凑存储,减少内存占用
- 平台无关:使用标准uint8_t类型,保证跨平台兼容性
- 直接映射:结构与WS2812B芯片的24位数据格式完全对应
缓冲区设计:
// 颜色缓冲区:存储每个LED的RGB值
WS2812B_Color g_ws2812b_pixels[WS2812B_LED_COUNT];
// SPI数据缓冲区:存储编码后的传输数据
uint8_t g_ws2812b_spi_buffer[WS2812B_BUFFER_SIZE + WS2812B_RESET_BYTES];
数据翻倍补偿机制:
// ws2812b.h
#define WS2812B_PHYSICAL_COLUMNS (42U) // 用户可见的物理列数
#define WS2812B_PHYSICAL_ROWS (5U) // 用户可见的物理行数
#define WS2812B_COLUMNS (WS2812B_PHYSICAL_COLUMNS * 2) // 内部缓冲列数
#define WS2812B_ROWS (WS2812B_PHYSICAL_ROWS) // 内部缓冲行数
#define WS2812B_LED_COUNT (WS2812B_COLUMNS * WS2812B_ROWS) // 内部LED计数
5.3 API函数详细设计
5.3.1 初始化与基础控制
WS2812B_Init()函数:
void WS2812B_Init(void)
{
/* Clear pixel buffer */
memset(g_ws2812b_pixels, 0, sizeof(g_ws2812b_pixels));
/* Clear SPI buffer */
memset(g_ws2812b_spi_buffer, 0, sizeof(g_ws2812b_spi_buffer));
/* Initialize SPI */
WS2812B_SPI_Init();
}
设计要点:
- 双缓冲区清零,确保系统启动状态确定
- 模块化初始化,便于扩展其他外设
- 错误安全:先准备缓冲区再初始化硬件
WS2812B_Update()函数:
void WS2812B_Update(void)
{
uint32_t totalBytes = WS2812B_BUFFER_SIZE + WS2812B_RESET_BYTES;
uint32_t i;
uint32_t data32;
/* 1. 颜色数据编码 */
WS2812B_PrepareBuffer();
/* 2. SPI数据传输 */
for (i = 0; i < totalBytes; i += 4)
{
/* FIFO状态检查 */
while (SPI_getTxFifoEmptyUnitStatus(WS2812B_SPI) == 0UL);
/* 32位数据组装(大端序) */
data32 = ((uint32_t)g_ws2812b_spi_buffer[i] << 24) |
((uint32_t)g_ws2812b_spi_buffer[i + 1] << 16) |
((uint32_t)g_ws2812b_spi_buffer[i + 2] << 8) |
(uint32_t)g_ws2812b_spi_buffer[i + 3];
/* 非阻塞发送 */
SPI_writeDataNonBlocking(WS2812B_SPI, data32);
}
/* 3. 传输完成等待 */
while (SPI_isBusy(WS2812B_SPI));
}
设计要点:
- 三阶段处理:编码→传输→同步
- 32位优化:利用NS800RT5xxx的32位SPI接口提高效率
- 非阻塞发送:提高CPU利用率
- 传输完整性:确保所有数据发送完成
5.3.2 像素级控制API
WS2812B_SetPixel()函数:
void WS2812B_SetPixel(uint16_t index, WS2812B_Color color)
{
if (index < WS2812B_LED_COUNT)
{
g_ws2812b_pixels[index] = color;
}
}
WS2812B_SetPixelXY()函数:
void WS2812B_SetPixelXY(uint8_t col, uint8_t row, WS2812B_Color color)
{
if (col < WS2812B_PHYSICAL_COLUMNS && row < WS2812B_ROWS)
{
/* 物理坐标到内部坐标的双重映射 */
uint16_t index1 = (col * 2) * WS2812B_ROWS + row;
uint16_t index2 = (col * 2 + 1) * WS2812B_ROWS + row;
g_ws2812b_pixels[index1] = color;
g_ws2812b_pixels[index2] = color;
}
}
设计要点:
- 透明补偿:用户使用物理坐标(0-41),内部自动映射到(0-83, 1-84)
- 边界检查:防止数组越界
- 双重写入:解决SPI硬件数据减半问题
坐标映射原理:
物理坐标系 (用户视角) 内部坐标系 (驱动视角)
第0列,第0行 → 第0列第0行 + 第1列第0行
第0列,第1行 → 第0列第1行 + 第1列第1行
...
第41列,第4行 → 第82列第4行 + 第83列第4行
5.3.3 区域控制API
WS2812B_SetColumn()函数:
void WS2812B_SetColumn(uint8_t col, WS2812B_Color color)
{
if (col < WS2812B_PHYSICAL_COLUMNS)
{
/* 同时设置两个内部列 */
uint16_t startIndex1 = (col * 2) * WS2812B_ROWS;
uint16_t startIndex2 = (col * 2 + 1) * WS2812B_ROWS;
for (uint8_t row = 0; row < WS2812B_ROWS; row++)
{
g_ws2812b_pixels[startIndex1 + row] = color;
g_ws2812b_pixels[startIndex2 + row] = color;
}
}
}
优化策略:
- 循环展开:小循环(5次)无需展开优化
- 局部变量:使用局部变量减少计算
- 提前退出:边界检查失败立即返回
WS2812B_SetRow()函数:
void WS2812B_SetRow(uint8_t row, WS2812B_Color color)
{
if (row < WS2812B_ROWS)
{
/* 遍历所有内部列 */
for (uint8_t col = 0; col < WS2812B_COLUMNS; col++)
{
uint16_t index = col * WS2812B_ROWS + row;
g_ws2812b_pixels[index] = color;
}
}
}
设计特点:
- 行操作不涉及坐标映射,直接遍历所有内部列
- 保持API一致性,所有函数都有边界检查
5.3.4 颜色管理API
WS2812B_RGB()函数:
WS2812B_Color WS2812B_RGB(uint8_t r, uint8_t g, uint8_t b)
{
WS2812B_Color color;
color.r = r;
color.g = g;
color.b = b;
return color;
}
WS2812B_HSV()函数:
WS2812B_Color WS2812B_HSV(uint16_t h, uint8_t s, uint8_t v)
{
/* HSV到RGB的快速转换算法 */
if (s == 0) return WS2812B_RGB(v, v, v);
h = h % 360;
uint8_t region = h / 60;
uint8_t remainder = (h - (region * 60)) * 255 / 60;
uint8_t p = (v * (255 - s)) >> 8;
uint8_t q = (v * (255 - ((s * remainder) >> 8))) >> 8;
uint8_t t = (v * (255 - ((s * (255 - remainder)) >> 8))) >> 8;
switch (region) {
case 0: return WS2812B_RGB(v, t, p);
case 1: return WS2812B_RGB(q, v, p);
case 2: return WS2812B_RGB(p, v, t);
case 3: return WS2812B_RGB(p, q, v);
case 4: return WS2812B_RGB(t, p, v);
default: return WS2812B_RGB(v, p, q);
}
}
算法优势:
- 整数运算:避免浮点运算,提高性能
- 快速转换:使用移位代替除法
- 色域完整:支持完整的HSV色彩空间
WS2812B_Wheel()函数:
WS2812B_Color WS2812B_Wheel(uint8_t position)
{
WS2812B_Color color;
if (position < 85) {
color.r = position * 3;
color.g = 255 - position * 3;
color.b = 0;
} else if (position < 170) {
position -= 85;
color.r = 255 - position * 3;
color.g = 0;
color.b = position * 3;
} else {
position -= 170;
color.r = 0;
color.g = position * 3;
color.b = 255 - position * 3;
}
return color;
}
WS2812B_ScaleBrightness()函数:
WS2812B_Color WS2812B_ScaleBrightness(WS2812B_Color color, uint8_t brightness)
{
WS2812B_Color result;
result.r = (color.r * brightness) >> 8; // 快速除法:/256
result.g = (color.g * brightness) >> 8;
result.b = (color.b * brightness) >> 8;
return result;
}
性能优化:
- 移位运算:用>>8代替/256,提高速度
- 饱和处理:乘法结果可能超过255,但移位后自动截断
- 内存局部性:局部变量result优化寄存器使用
5.3.5 预定义颜色常量
#define WS2812B_COLOR_RED ((WS2812B_Color){255, 0, 0})
#define WS2812B_COLOR_GREEN ((WS2812B_Color){0, 255, 0})
#define WS2812B_COLOR_BLUE ((WS2812B_Color){0, 0, 255})
#define WS2812B_COLOR_WHITE ((WS2812B_Color){255, 255, 255})
#define WS2812B_COLOR_BLACK ((WS2812B_Color){0, 0, 0})
#define WS2812B_COLOR_YELLOW ((WS2812B_Color){255, 255, 0})
#define WS2812B_COLOR_CYAN ((WS2812B_Color){0, 255, 255})
#define WS2812B_COLOR_MAGENTA ((WS2812B_Color){255, 0, 255})
#define WS2812B_COLOR_ORANGE ((WS2812B_Color){255, 128, 0})
#define WS2812B_COLOR_PURPLE ((WS2812B_Color){128, 0, 255})
设计考虑:
- 编译时常量:使用宏定义,零运行时开销
- 类型安全:明确的WS2812B_Color类型
- 易用性:直观的颜色名称
5.4 数据编码与SPI时序
5.4.1 编码算法
核心编码函数:
static void WS2812B_EncodeByte(uint8_t byte, uint8_t *output)
{
/* 每个输入位扩展为4个SPI输出位 */
output[0] = ((byte & 0x80) ? (WS2812B_SPI_BIT_1 << 4) : (WS2812B_SPI_BIT_0 << 4)) |
((byte & 0x40) ? WS2812B_SPI_BIT_1 : WS2812B_SPI_BIT_0);
output[1] = ((byte & 0x20) ? (WS2812B_SPI_BIT_1 << 4) : (WS2812B_SPI_BIT_0 << 4)) |
((byte & 0x10) ? WS2812B_SPI_BIT_1 : WS2812B_SPI_BIT_0);
output[2] = ((byte & 0x08) ? (WS2812B_SPI_BIT_1 << 4) : (WS2812B_SPI_BIT_0 << 4)) |
((byte & 0x04) ? WS2812B_SPI_BIT_1 : WS2812B_SPI_BIT_0);
output[3] = ((byte & 0x02) ? (WS2812B_SPI_BIT_1 << 4) : (WS2812B_SPI_BIT_0 << 4)) |
((byte & 0x01) ? WS2812B_SPI_BIT_1 : WS2812B_SPI_BIT_0);
}
编码逻辑:
输入字节: b7 b6 b5 b4 b3 b2 b1 b0
输出字节0: [b7编码高4位] [b6编码低4位]
输出字节1: [b5编码高4位] [b4编码低4位]
输出字节2: [b3编码高4位] [b2编码低4位]
输出字节3: [b1编码高4位] [b0编码低4位]
编码映射表:
WS2812B "0" → SPI 位模式: 1 0 0 0 (0x8)
WS2812B "1" → SPI 位模式: 1 1 1 0 (0xE)
5.4.2 时序参数计算
理论计算:
SPI时钟频率: 6.4MHz
SPI位周期: 1/6.4MHz ≈ 156ns
WS2812B "0"码要求:
高电平: 0.4μs (400ns) → 400/156 ≈ 2.56位
低电平: 0.85μs (850ns) → 850/156 ≈ 5.45位
实际编码: 高1位 + 低3位 = 1:3比例
WS2812B "1"码要求:
高电平: 0.8μs (800ns) → 800/156 ≈ 5.13位
低电平: 0.45μs (450ns) → 450/156 ≈ 2.88位
实际编码: 高3位 + 低1位 = 3:1比例
实际验证:
- 使用逻辑分析仪测量实际波形
- 验证时序符合WS2812B规格
- 调整SPI频率微调时序
5.5 性能优化策略
5.5.1 内存优化
双缓冲策略:
颜色缓冲区 (420个LED) → 编码转换 → SPI缓冲区 (2580字节)
优化效果:
- 零动态分配:全部静态数组,无堆碎片
- 连续内存:数组连续存储,缓存友好
- 大小固定:编译时确定,无运行时开销
5.5.2 计算优化
查表法替代实时计算:
// 可选的查表优化(当前使用计算)
static const uint8_t ws2812b_encoding_table[2][4] = {
{0x8, 0x8, 0x8, 0x8}, // WS2812B "0"
{0xE, 0xE, 0xE, 0xE} // WS2812B "1"
};
循环展开优化:
// 手动展开循环(当前代码已优化)
for (i = 0; i < count; i++) {
// 处理4位一组
}
5.5.3 通信优化
SPI传输优化:
- 32位传输:利用硬件特性,每次发送4字节
- FIFO缓冲:减少CPU等待时间
- DMA预备:预留DMA接口,支持未来扩展
5.4 API使用示例
5.4.1 基础使用
// 初始化
WS2812B_Init();
// 设置单个LED
WS2812B_SetPixelXY(0, 0, WS2812B_COLOR_RED);
// 设置整列
WS2812B_SetColumn(10, WS2812B_COLOR_GREEN);
// 更新显示
WS2812B_Update();
5.5.2 高级效果
// 创建渐变色
WS2812B_Color gradient = WS2812B_HSV(hue, 255, 255);
gradient = WS2812B_ScaleBrightness(gradient, brightness);
// 动画循环
for (int i = 0; i < WS2812B_PHYSICAL_COLUMNS; i++) {
WS2812B_SetColumn(i, WS2812B_Wheel(i * 6));
}
WS2812B_Update();
5.6 实际效果展示
最终,具体的呈现效果如下:


六、调试与验证
6.1 调试工具与方法
- 逻辑分析仪:验证SPI时序和PWM波形
- 串口调试:输出系统状态和调试信息
- 分段测试:逐步验证各功能模块
- 边界测试:测试极限条件下的稳定性
6.2 关键测试结果
SPI时序验证
使用逻辑分析仪捕获SPI输出,确认:
- SPI频率稳定在6.4MHz
- 编码正确:0x8对应WS2812B"0",0xE对应"1"
- 复位时间>50μs,符合要求
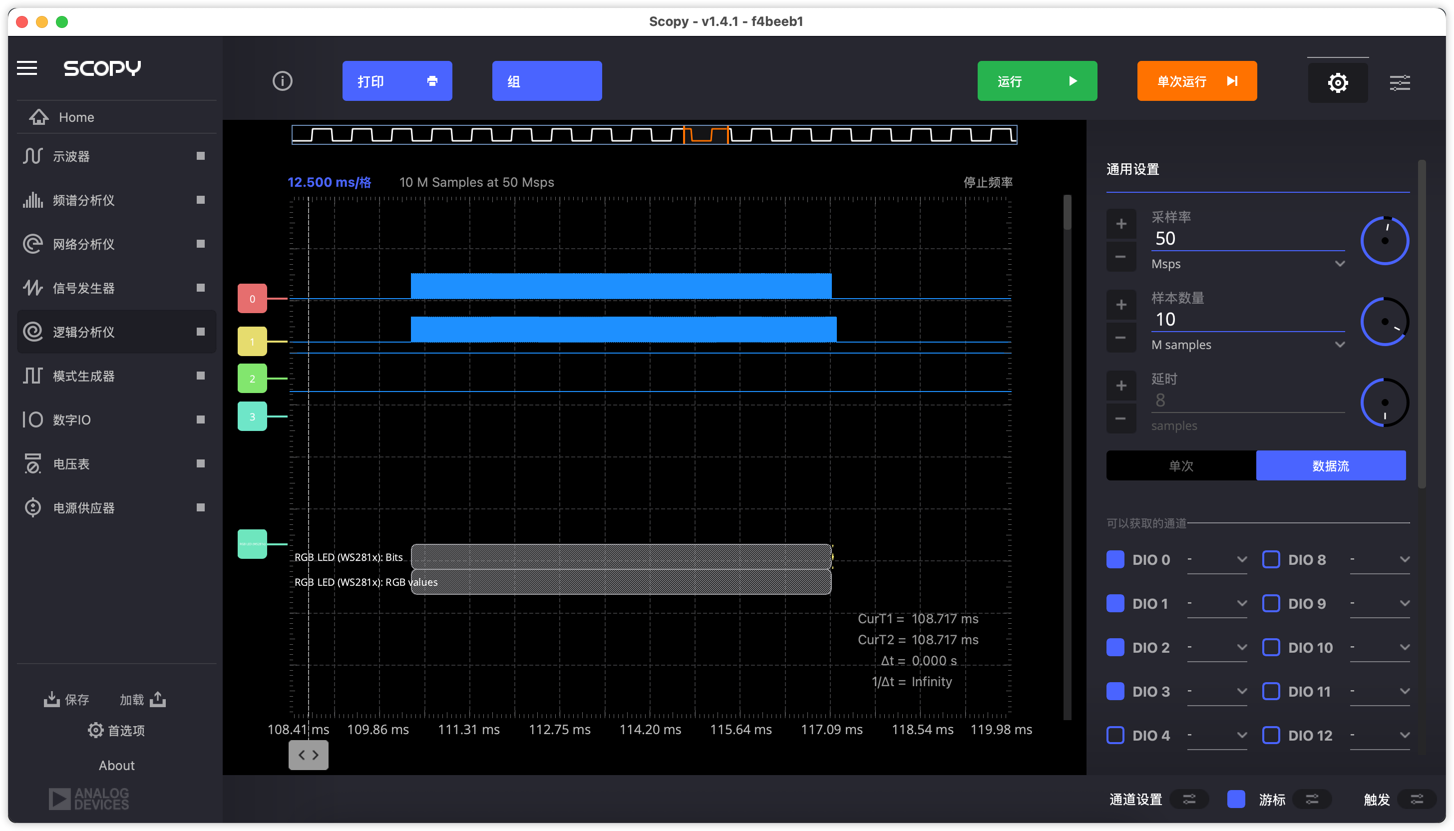
WS2812B信号分析,使用了ADALM2000(M2K),能够获得更好的分析结果。

放大后,能够看到具体的数据解析:


截取10个时钟周期的信号:

从上图可以看到,输出的CLK,为6.47MHz。因为WS2812B对信号的时序有一定的容错能力,所以这个时钟频率,是可以满足要求的。
数据补偿验证
通过以下测试确认解决方案有效:
- 设置第0列红色 → 第0列正确显示红色
- 设置第41列蓝色 → 第41列正确显示蓝色
- 全屏白色测试 → 210颗LED全部点亮
- 快速颜色切换测试 → 无残影、无错位
6.3 稳定性测试
- 连续运行测试:2小时不间断运行,无异常
- 温度测试:芯片温度稳定在45°C以下
- 电压波动测试:5.01V-5.9V范围内工作正常
七、创新点与技术特色
7.1 硬件特性自适应方案
针对NS800RT5xxx SPI硬件特性,使用SPI来驱动WS2812B灯板。
该方案具有以下优点:
- 透明性:用户API保持原有设计
- 通用性:适用于任何需要驱动WS2812B的场景
- 高效性:额外开销极小,仅增加少量内存
7.2 高性能动画引擎
- HSV色彩支持:提供更直观的颜色控制
- 非阻塞更新:动画渲染与SPI传输分离
- 可扩展架构:轻松添加新动画效果
7.3 完整的开发工具链
- 基于Keil MDK的完整工程
- 详细的API文档
- 多种演示示例
- 配置参数灵活可调
八、项目总结与展望
8.1 项目成果
- 基础任务完成:UART、ePWM功能验证通过
- 扩展任务实现:成功驱动210颗WS2812B LED
- 完整开发资源:提供可直接使用的代码和文档
8.2 技术收获
- 深入理解硬件特性:掌握了NS800RT5xxx SPI控制器的工作机制
- 实际问题解决能力:从问题定位到方案设计的完整过程
- 系统集成经验:硬件、驱动、应用层的协同设计
- 性能优化技巧:时序优化、内存管理、实时性保障
九、心得体会
通过本次WeDesign7项目,我深刻体会到:
- 硬件理解的重要性:嵌入式开发不仅要懂软件,更要深入理解硬件特性
- 问题解决的方法论:从现象观察、原因分析到方案验证的系统性方法
- 创新思维的价值:在约束条件下创造性地解决问题
- 工程实践的严谨性:每个细节都可能影响系统稳定性
纳芯微NS800RT5xxx系列芯片展现出了优秀的性能和可靠性,其完善的SDK和文档体系大大降低了开发难度。
本次活动不仅提供了实践平台,更促进了技术交流和创新思考。
