KiCad文件
全屏
内容介绍
内容介绍
任务介绍
本次选择2025 Make Blocks第六期的任务9,设计一个可完成LORA通信的MCU最小系统板。
模块介绍
STM32WL系列提供了一系列片上系统解决方案,可在同一芯片上同时集成低功耗微控制器和长距离、高能效的sub-GHz射频器件。
基于Arm® Cortex®-Mx内核(可采用单核和双核架构)的STM32WL系列支持多种调制方式,能够以完全开放的方式使用LoRaWAN®、Sigfox、W-MBUS、mioty®、Wi-Sun或任何其他适用协议,从而确保无线应用中的灵活性。
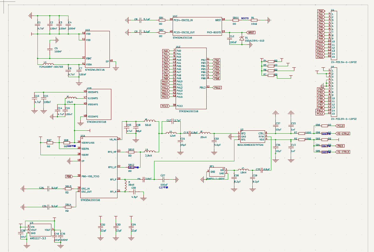
原理图和PCB
原理图方面,H1是2x10p的2.54mm间距的排针,接口采用ST MOD+的标准兼容,U4是ESP8684-MINI-1-H2模组。ST_MOD+标准接口的PWM、RST、INT数字接口均连接到ESP32模组上,ADC模拟接口也连接到ESP32模组上。
ST_MOD+标准接口的I2C、SPI、两路UART均连接到ESP32模组上。
系统板的USB接口通过插接的16P tyoe-C接口连接。供电引脚旁连接100nF电容。板子输入5V电源,使用LM1117进行LDO降压。

PCB采用两层紧凑设计,CH340到type-c接口的USB网络,采用包地设计,以提高通信质量。两层PCB采用大面积铺铜。ESP32模组板载天线下部采用挖槽设计。

模块主要性能
输入电压:4.5V~15V
模组通信接口:UART/I2C/SPI/USB
模块通信协议:LoRa、(G)FSK、(G)MSK 和 BPSK
主频:48Mhz
管脚定义

eZ-PLM新建物料和截图


心得体会
参加活动,确实提高了画板的经验。
附件下载
D-02-WLE5-KICAD.zip
ProPrj_D-02-WLE5_2025-10-26.kicad_pcb
ProPrj_D-02-WLE5_2025-10-26.kicad_sch
团队介绍
由赛博の兔兔完成
评论
0 / 100
查看更多
猜你喜欢
基于树莓派RP2040嵌入式系统学习平台设计俄罗斯方块通过树莓派RP2040以及microPython进行俄罗斯方块的开发,通过LCD屏显示,通过按键和四向摇杆控制游戏的动作;在游戏中要通过蜂鸣器播放背景音乐。
arbelat
2256
2025 Make Blocks阶段1 -BLE5.0的开发板该项目使用了NRF52840,实现了BLE5.0的开发板的设计,它的主要功能为:可以使用arduino进行开发。
errtefsd
196
2025 Make Blocks阶段1 - STM32WB09 BLE开发板该项目使用了STM32WB09KEV6TR,实现了BLE开发板的设计,它的主要功能为:可通过板载天线完成BLE通信。
电子の兔
78