任务介绍
设计⼀个锂电池电压和电流监测 PCB 模块
- 电压监测: 0-24V
- 电流监测: 0-3A
- I2C/SPI接⼝输出
- 功率计算功能
- 过压/过流告警
- 主要器件:需在DigiKey官网上有货且正常售卖
模块介绍
随着便携式电子设备、物联网终端和无人机的广泛应用,锂电池因其高能量密度、长循环寿命等优点成为主流动力源。对其工作状态(特别是电压和电流)进行高精度、实时监测,是实现电池安全运行、智能充放管理和延长电池寿命的关键。本项目旨在设计一款基于TI公司INA226芯片的锂电池电压和电流监测模块。
1. 主要芯片选择:INA226
本设计的核心采用了德州仪器(TI)推出的INA226 双向电流/功率监测器。该芯片是一款具备I2C接口的高精度、高低侧测量芯片。
2. 芯片功能与应用
- 高精度测量:INA226可同时测量分流电阻器上的电压差(即电流) 和总线对地电压,并通过内部计算直接提供功率和能耗数据。
- 双向电流监测:能够测量流入和流出的电流,完美适用于锂电池的充电(电流流入)和放电(电流流出)两种状态的监测。
- 集成化设计:芯片内部集成了精密放大器、ADC、功率计算器以及I2C接口,极大简化了外部电路设计,提高了系统的可靠性。
- 宽工作范围:总线共模电压范围宽达0-36V,完全覆盖常见单节(3.7V-4.2V)和多节锂电池组(如12V,18V,24V)的电压范围。可编程的转换时间和平均值设定,可在速度与精度之间灵活取舍。
- 警报功能:提供可编程的阈值和警报引脚,当电流、电压或功率超过设定值时,会触发警报,便于主控MCU及时采取保护措施。
3. 模块功能
本模块通过INA226芯片,能够实现对锂电池的以下关键参数进行实时监测:
- 总线电压:电池的正极电压。
- 电流:流入(充电)或流出(放电)电池的电流。
- 功率:实时计算并输出电池的充放电功率。
- 累计能耗:通过软件对功率进行积分,可估算电池的剩余容量(SoC)或已消耗的能量。
INA226AIDGST 芯片 DigiKey 链接:https://www.digikey.cn/zh/products/detail/texas-instruments/ina226aidgst/2688425

原理图和PCB模块介绍
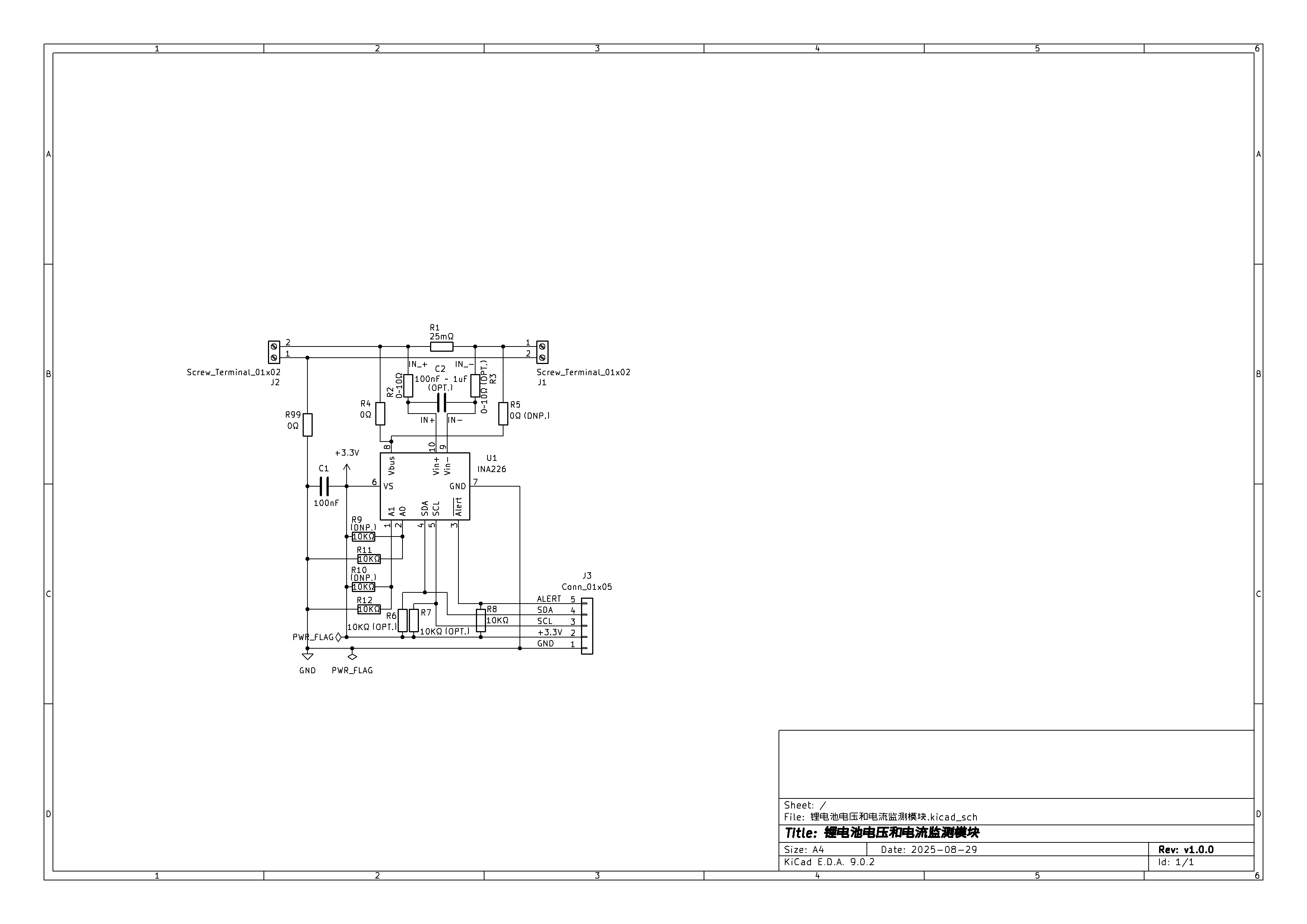
原理图

模块原理图主要由以下几个部分构成:
- 电流采样部分:这是设计的核心。在电池的负端(低侧)串联一个精密采样电阻(Shunt Resistor)。根据待测电流大小(如:±3A)和INA226的最佳输入压差(典型为±81.92mV),通过公式 Rshunt = Vshunt_max / I_max 计算并选择合适的阻值(如25mΩ)和功率(如1W)的采样电阻。
- INA226核心电路: VIN+ 和 VIN- 引脚连接到采样电阻的两端,用于测量电流产生的压差。 VBUS 引脚可通过选择电阻连接到电池正极或者输出端正极,用于测量总线电压。 ALERT 警报引脚可配置为在参数超限时触发,输出给MCU。SCL 和 SDA 为I2C通信引脚。
- 接口部分:通过一个4Pin(VCC, GND, SCL, SDA)或5Pin(多出一个ALT)排针将模块与主控制器连接。
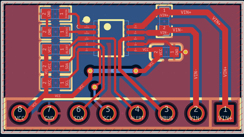
PCB

PCB布局布线对测量精度至关重要,主要考虑以下几点:
- 采样路径(差分连接):采用差分连接方式,将INA226的VIN+和VIN-的走线直接连接到采样电阻的两端,避免大电流走线产生的压降引入测量误差。
- 地去耦:在INA226的电源引脚附近放置充足的去耦电容(如100nF和10uF),并使其接地端以最短路径连接到芯片的GND引脚,以保证电源纯净和参考地稳定。
- 热考虑:采样电阻是主要热源,PCB上应为其预留足够的铜箔面积以辅助散热,防止因温漂影响阻值,进而降低电流测量精度。
- 接口标识:在PCB丝印层清晰标注各个引脚的功能和方向,方便用户连接和使用。
- 模块尺寸:设计为紧凑型模块(例如 34mm x 35mm),便于集成到各种项目中。
PCB预览图

模块主要性能指标和管脚定义
主要性能指标
性能指标 | 典型值 | 典型值 |
|---|---|---|
供电电压 | 3.3V ±5% | 外部供电 |
电池电压测量范围 | 0 - 36V DC | 受环境温度、磁场干扰等因素影响略有波动 |
电池电压测量精度 | ±0.1% FSR | 取决于分压电阻精度和INA226自身误差 |
电流测量范围 | ±3A | 取决于采样电阻,例如 ±3A (使用 25mΩ 电阻时) |
电流测量精度 | ±0.5% | 取决于采样电阻精度(0.1%)和温漂,以及INA226的偏移和增益误差 |
工作温度范围 | -40℃ ~ +85℃ | |
板卡尺寸 | 34mm × 35mm | 适应较宽的温度环境 |
通信接口 | I2C | 标准模式(100kbps)和快速模式(400kbps) |
I2C地址 | 4个 | 可通过芯片A0/A1引脚配置为4个不同地址(0x40, 0x41, 0x44, 0x45),支持同一总线上挂载多个模块 |
板型 | 长方 | 附带有两个3mm直径安装孔 |
管脚定义
顶面管脚属性 | 顶面管脚名 | 顶面管脚编号 |
|---|---|---|
P | IN+ | 1 |
P | GND | 2 |
P | GND | 3 |
P | OUT | 4 |
P | GND | 1 |
P | 3V3 | 2 |
I/O | SCL | 3 |
I/O | SDA | 4 |
O | ART | 5 |
板上设置及标识
标记 | 名称 | 默认状态 | 描述 |
|---|---|---|---|
IN+ | 锂电池正极 | - | 锂电池的正极一端连接到此处 |
GND | 锂电池负极 | - | 锂电池的负极一端连接到此处 |
GND | 负载输出端负极 | - | 负载的负极一端连接到此处 |
OUT | 负载输出端正级 | - | 负载的正极一端连接到此处 |
GND | 接地端 | - | 整个模块的公共接地参考点 |
3V3 | 3.3V电源正极 | - | 连接外部3.3V电源正极,为模块提供工作电压 |
SCL | IIC SCL | - | IIC通信的SCL线连接到此处 |
SDA | IIC SDA | - | IIC通信的SDA线连接到此处 |
ART | 报警输出 | - | 告警输出,开漏输出 |
eZ-PLM上新建物料和项目的截图
使用了 eZ-PLM 系统上传了自己的工程文件,方便保存记录各个版本,也可随时查阅,系统里查阅不到的物料也支持手动添加。
物料添加展示图

项目详情图

总结
本项目成功设计并实现了一款基于INA226的高精度锂电池电压和电流监测模块。该模块具有以下显著优点:
- 高集成度与精度:依托INA226芯片,以极简的外围电路实现了电压、电流、功率的多参数高精度测量。
- 双向测量能力:无缝切换监测电池的充放电状态,提供全面的电池运行数据。
- 数字接口友好:标准的I2C接口与警报功能,使得与Arduino、STM32、ESP8266/ESP32等主流微控制器的连接和编程变得非常简单快捷。
该模块是一个功能强大、易于使用的解决方案,极大地降低了开发者在项目中集成电池监测功能的技术门槛和开发时间,非常适合用于需要电池状态监控的各类产品和原型开发中。未来可考虑集成温度传感器,或与无线通信模块(如蓝牙/Wi-Fi)结合,实现电池数据的远程无线监控。
