任务介绍
这里实现了3轴加速度,三轴陀螺仪,电子罗盘,温湿度气压的测量,可通过MCU采集后通过CAN总线输出或者通过LCD显示或者直接通过IIC接口输出。
模块介绍
根据任务要求本次我选用的是STM32F103CBT6芯片设计了一款USB转换器,此板卡主要用于USB转换成IIC/SPI/UART/485/CAN/SWD信号,并可生成3路时钟信号,常用于电路模块的采集和调试。
STM32f103CBT6芯片DigiKey链接:STM32F103CBT6 STMicroelectronics | 集成电路(IC) | DigiKey
XC6206P332MR芯片DigiKey链接:XC6206P332MR-G Torex Semiconductor Ltd | 集成电路(IC) | DigiKey
BMI088芯片DigiKey链接:BMI088 Bosch Sensortec | 传感器,变送器 | DigiKey
BME280芯片DigiKey链接:BME280 Bosch Sensortec | 传感器,变送器 | DigiKey
原理图/PCB和3D图
这块板卡想实现常用IMU功能和温湿度气压的采集,能当作可以独立使用显示的模块,也可以通过Can总线接口输出,还可以当作IIC接口模块,一版多用,方便使用。电源采用USB供电,或者锂电池供电,可自由切换。每个接口做了ESD防护,主要是防止用手接触时静电损伤芯片。采用了BME280芯片实现温湿度气压测量,使用BMI088实现三轴陀螺仪和加速度测量,使用HMC5883L用作磁测量。

顶层原理图

电源模块

IMU模块

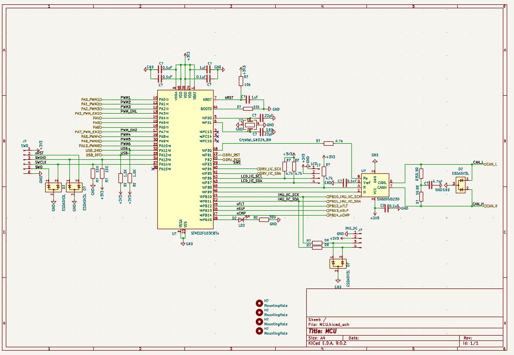
MCU模块

PCB

3D效果图
模块主要性能指标和管脚定义
主要性能指标
核心芯片:STM32F103CBT6,BMI088,BME280,HMC5883L
内核:CM-3
主频:72M
板卡尺寸:40mm*38mm
供电方式:USB
输出接口:IIC/CAN
主控芯片管脚定义
IIC接口:
IIC_SCL--PB10
IIC_SDA--PB11
CAN接口:
CAN_TX--PB9
CAN_RX--PB8
USB接口:
USB_DP--PA12
USB_DM--PA11
单片机调试接口SWD
SWDIO--PA13
SWCLK--PA14
SWO--PB3
eZ-PLM上新建物料和项目的截图
使用了eZ-PLM系统上传了自己的工程文件,方便保存记录各个版本,也可随时查阅,系统里查阅不到的物料也支持手动添加。


心得体会
通过本次活动学习了Kicad层次原理图和差分线网络类的设置,增强了IMU的相关知识。