省一【B题—河南理工大学】王同学—三相 AC/DC 变换电路
本文针对三相 AC/DC 变换电路研究背景,设计了数字信号处理 DSP28335 为控制核心的 AC/DC 变换器系统。 其硬件主要由三相整流二级电路系统与DSP28335 控制电路系统构成
标签
电赛
电源
DSP28335 控制板
AD 采样
SVPWM 控制
wangzhijie
更新2021-12-14
河南理工大学
3879

 1、方案论证

1.1 主控单元的比较与选择

方案一: 采用数字信号处理器 DSP。传统基于 DSP 的整流控制的设计在计算 的复杂度和软件的灵活性上有优势, 算法与采集处理方面相对来说灵活, 支持高 速主频和多路 AD/DA 转换,支持输出多路 SVPWM,管脚复用情况相对较少。

方案二: 采用可编程的三十二位微处理器 STM32。基于 STM32 的整流器的并 行特点使其适合产生 SVPWM,上手难度很低, 但是设计难度较高, 需要考虑过多 的管脚复用的情况, 并且主频固定不可控, 若采用高速主频的 STM32,成本相对 较高,控制方式复杂繁琐,不适合本题目要求。

综上所述,选择方案一。

1.2 PWM 相关模块的比较与选择

方案一: 采用比较器对正弦波和三角波进行比较得到 PWM 波, 然后送入驱动 电路放大再驱动 MOSFET。但该方案受运放参数影响较大,调试不变。

方案二:运用 DSP TMS320F28335 产生 SVPWM 且加强表现 SVPWM 的独立性, 使得每个 SVPWM 模块都可以有两路 SVPWM 输出组成, 增强了容错性。该方案实现 简单,有较强的抗干扰能力。

综上所述,选择方案二。

1.3 驱动模块的比较与选择

方案一:采用专用 HCNW3120 光耦驱动搭建驱动电路。驱动光耦配合外围 DC/DC 电路模块完成, 该方法优点是系统的集成度高, 有良好的过载和短路保护 功能。

方案二:采用分立元器件搭建驱动电路,电路中选用高速开关管 8050 和 8550, 其反应速度可以达到微秒级, 可以避免信号在传输过程中的累加延迟, 有利于减 少输出波形的失真度。但电路较复杂化,需要额外搭建保护电路。

综上所述,选择方案一。

1.4 方案描述

本设计的整体方案主要有 DSP 控制模块,  驱动模块,  A/D 采样模块,  按键和指示灯等模块组成。

FnST_zkgozMnYFMcDYXnV9qvHJsY

2、理论分析与计算

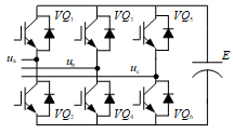
2.1 SVPWM 调制技术

综补装置功率单元的电路如图 2,  采用三相两电平全桥拓扑。 3 个桥臂分别 输出三相电压ua,  ub,  uc 。空间矢量法(SVPWM) 将功率单元和电网看作一个 整体,将变换器的开关模式生成的电压基本矢量对应起来,并通过 PWM 方式控制电压矢量的作用时间,最终合成所需的电压矢量。

Fpz_kTHgQH3b_DQ26vPAuDZSgahZ

图 2 三相例图

以布尔数 qi(i=1,2,3)表示三相桥臂的开关状态,q=1 时,表示 i 相上桥臂功率管打开,下桥臂功率管关断;q=0 时,相反。用 d-q 变换将三相输出的瞬时电压转化到两相静止坐标。

Fv6on-GnL3xlETU3OtGSW5rG1O6G

图 3 基本空间矢量和 PWM 三相输出波形图

2.2 整流器实现方法

整流器主要集中在两个方面:结构和器件等硬件;控制及调制策略。

结构及器件上的改进,采用软开关技术通过上拉电阻的电路,实现功率器件在零电压状态下开通或者关断,并且可以让调节 PWM 的输出程度,从而有控制MOS 管的开关频率,达到人机交互的目的。

在外部通过组态屏调节,优化过程,更加便于操作,精准调参。

硬件电路采用精度高的方式,如:

Fh7pT0wAHG9PBwopyKDOWq0c7efV

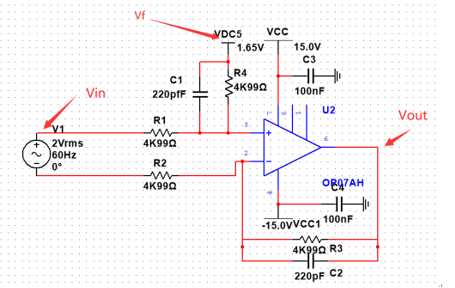
图 4 差分电路

由差分电路可知:R1=R2 R3=R4

所以增益 A 为:A=(R4:R1)

Vout 与 Vin 的计算关系关系:Vout =Vin*A + Vf

3、电路与程序设计

3.1 整流器主电路与器件选择

本系统器件选择 DSP 主控,RC 滤波电路,IRFP460 MOSFET,电压电流霍尔,以及按键。

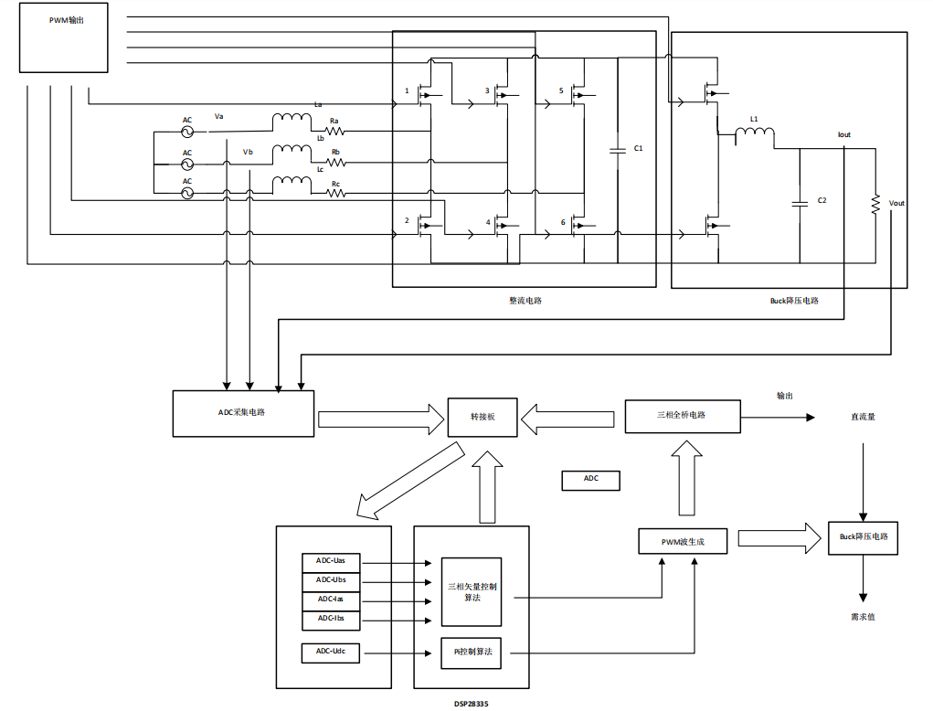
3.1.1 总体系统电路

Fn6hmR9aZRcpfu-NSJzRVQ1FcOoA

图 5 总体系统电路图

3.1.2 整流电路

整流电路的设计采用全控型 MOSFET 三相桥式整流电路。由 DSP 控制器产生SVPWM 到驱动电路,驱动电路控制 MOSFET 管的通断,整流输出经过低通滤波器将 SVPWM 波形变换成较稳定的正弦波电压。在此电路中存在布线电感,在开关器件关断的过程中容易出现过尖峰电压,严重时会损坏开关器件,因此需要设置保护电路来吸收尖峰电压,通过电容可将 MOSFET 关断过程产生的尖峰电压吸收,从而将电压限制在安全范围内,同时可以减少开关损耗。整流电路图如下:

Fgmb2Dy6hIHPxCnnq0GMgeiKk94Y

图 6 整流电路图

3.1.3 滤波电路

滤波电路的设计在整流器的输出中含有整流器开关频率和开关频率整数倍附近的谐波,如果不滤除这些高频谐波,将会给电路带来谐波污染。因此本设计选择 RC 滤波电路。整流全桥输出的是 200KHz 的 SVPWM 方波,基波为工频50Hz,还含有低次和高次谐波,其中幅值最大的是 200KHz 的谐波。在实际应用中,忽略电感对负载的分压作用及电容对负载的分流作用,并考虑变压器的电感,经计算及实验调整后,取 R = 200Ω,C=1uF/50V。

3.2 制电路与控制程序

本系统采用 DSP 控制方案,能更好的实现均流和任意比例电流输出,达到较好的效果。(控制电路见附录)

Fo1VId4erDXpAj2af0um0Ddrc2cW

图 7 DSP 控制流程的图

3.2.1

FmHTovqIE1h2dDWZ18G72BtIy1s8

3.3 测试方案与测试结果

第一步,制作电流电压采样电路并上电测试,通过确定的恒流源对采样板进行校准,误差标定与正负 0.1%以内;

第二步,制作驱动板三相全桥整流电路并上电测试,通过不控整流确定 MOS管等硬件结构正常,波形如图 5 所示,再通过控制电压环外环为开环,电流环内环闭环来测定电流环 PI 控制系数,测定完成后再将电压环闭环测控电压环;

第三步,制作 DC/DC Buck 变换电路,将通过 AC/DC 放大后的直流端电压再进行缩放,再通过 PI 控制器使直流侧电压稳定于 36V,在开启 AC/DC 整流电路前,需要先启动后级 DC/DC BUCK 变换电路来作为 AC/DC 整流电路的负载,提高整流电路启动的稳定性;

第四步,开始拼接电路板并制作交互系统和保护系统,进一步提高作品完整性。

3.4 测试结果

FlymN1eQ-83KEp9mLhlsqYKEHdHl

 

FsFVLuBInvFvzQcONCd3rwHWItUx

图 5 三相输出波形图

3.5 测试结果分析

结果分析由数据 表明,当交流输入的线电压为 28V,电流为 2A 时,输出的电压为 36V,并且电流在 0.1A 到 2A 范围内变化时,负载调整率满足题中所给条件,当变化电压在 23V~33V 之间,并且固定电流为 2A 时,电压调整率满足题中所给条件,基本实现所有功能,满足题目要求。

4、总结

通过竞赛,大大提高了我们的实践能力,迎难而上的精神,团队协作和竞争意识。充分发挥团队合作精神,工作进展有波折,有失误。但我们在比赛中做到精益求精,在实现大部分题目上我们再接再厉,突破自我,想着更高的成绩奋斗!

5、参考文献

[1]三相整流器效率提升探讨,2013

[2]王响,文捷,吴浪,刘家兴,荣军.三相桥式整流及有源逆变电路的仿真研究[J].电子技术,2017,46(06):9-11.

[3]白雪峰,李沛.三相全控桥式整流电路实验装置的研制[J].现代电子技术,2006(15):83-84+91.

[4]崔建华,陆俭国,张家安,顾颖萌.三相全控整流桥的准动态模型[J].中国电机工程学报,2001(09):83-88.

[5]房绪鹏,王旭光,吴雪梅.三相桥式全控整流电路接 RE 负载的工作过程分析[J].山东矿业学院学报(自然科学版),1999(04):67-69.

 

附件:

附 1:元器件明细表

FsOmzvywDcN8Htqb144CYzOBrr4Q

附 2:仪器设备清单

FlP573ItxnCaWTnPnepo7Ljqjf4O

附 3:电路图图

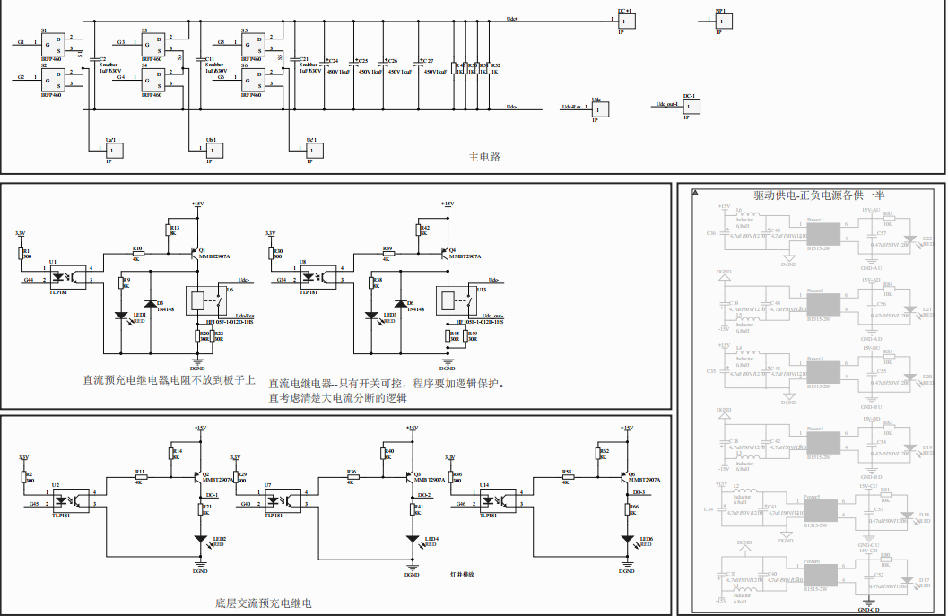
FgvVCS8BvHwokOHf6_I1cx1kEyhG

附图 1 三相桥电路图

Fv8UYJlZr_LrOzPMSRMmRymo0uxu

附图 2 主控制电路图

附 4:PCB 图

FiyzQIw81oiyKxQnOLDjdmmAy0Ng

附图 3 主控板 PCB 正面图

Fldo-lIG3Jq3UMJ5rtJ5Gq1vZL0R

附图 4 主控板 PCB 背面图

附 6:程序清单

//---------------------缓启动程序---PQC控制------------------------//
if(frst_flag1==1)
{
frst_flag1=0;
*Udcref1=*Udc+5;
}
if(frst_flag==1)
{
frst_flag2++;//缓期标志位
if(frst_flag2>10)
//-------------需修改:根据交流电压的值测试出不控整流的值
{
frst_flag=0;
frst_flag2=0;
}
*Udcref1=*Udcref1+0.0625;
}f((frst_flag2==0)&&(*Udcref1<*Udcref))
{
*Udcref1=*Udcref1+0.003;//缓期时间Udcchazhi/(2/0.00025)
}
if((*Udcref1>*Udcref)||(*Udcref1==*Udcref))
{
if((*Udcref1-*Udcref)>2)
{
*Udcref1=*Udcref1-0.0025;
}
else
{
*Udcref1=*Udcref;
}}
*Id_erro_new=*Idref-*Id_s;//
*Iq_erro_new=0-*Iq_s;//---zgp--130715--增加缓启系数
// *Ir_Kp=Test_Kp1;
// *Ir_Ki=Test_Ki1;
PI(Ir_Kp,Ir_Ki,Udref,Id_erro_new,Id_erro_old,Ud_MAXOUT);
PI(Ir_Kp,Ir_Ki,Uqref,Iq_erro_new,Iq_erro_old,Uq_MAXOUT);
} }
else
{
DIS_PWM1();
*Ud_erro_new=0;
*Ud_erro_old=0;
*Id_erro_new=0;
*Id_erro_old=0;
*Iq_erro_new=0;
*Iq_erro_old=0;
*Idref=0;
*Udref=0;
*Uqref=0;
*Udcref1=0;
frst_flag=1;//缓期清零
frst_flag1=1;//缓期清零
frst_flag2=0;//缓期清零
jflag=0;//---zgp--130708
}
*Urd=-*Udref+*Us_true;//-35;
*Urq=-*Uqref;
ACON2S2R(Urd,Urq,Ualpha_r,Ubeta_r,sinVal_s,cosVal_s);
SWITCH_TIME=150000000*0.0001; //计数 CLK 就为 150M,周期为 100us,
也就是计数 15000 个
SVPWM();
EPwm1Regs.CMPA.half.CMPA = CMPU;
EPwm2Regs.CMPA.half.CMPA = CMPV;
EPwm3Regs.CMPA.half.CMPA = CMPW;
团队介绍
通过竞赛,大大提高了我们的实践能力,迎难而上的精神,团队协作和竞争意识。充分发挥团队合作精神,工作进展有波折,有失误。但我们在比赛中做到精益求精,在实现大部分题目上我们再接再厉,突破自我,想着更高的成绩奋斗!
评论
0 / 100
查看更多
硬禾服务号
关注最新动态
0512-67862536
info@eetree.cn
江苏省苏州市苏州工业园区新平街388号腾飞创新园A2幢815室
苏州硬禾信息科技有限公司
Copyright © 2024 苏州硬禾信息科技有限公司 All Rights Reserved 苏ICP备19040198号