任务介绍
2025 Make Blocks第五期的终于发布了,其实我们在第二期预测的时候以为电池管理与电源管理会一同发布,不过确实这两个主题是一同发布的,不过是在第五期才发布的,我们先不管具体的任务,正对这个主题发布一下看法,电源管理和电池管理是一个项目系统最重要的组成部分之一,我们在进行一个系统设计的时候,不过是USB供电还是电池供电,电子系统必然是需要功能的,对于大型设备多以交流电通过AC-DC+DC-DC的方式进行供电,小设备一般采用电池+USB进行供电,我们本次就是再次通过自定义的方式实现热成像系统的供电系统的设计。
模块介绍
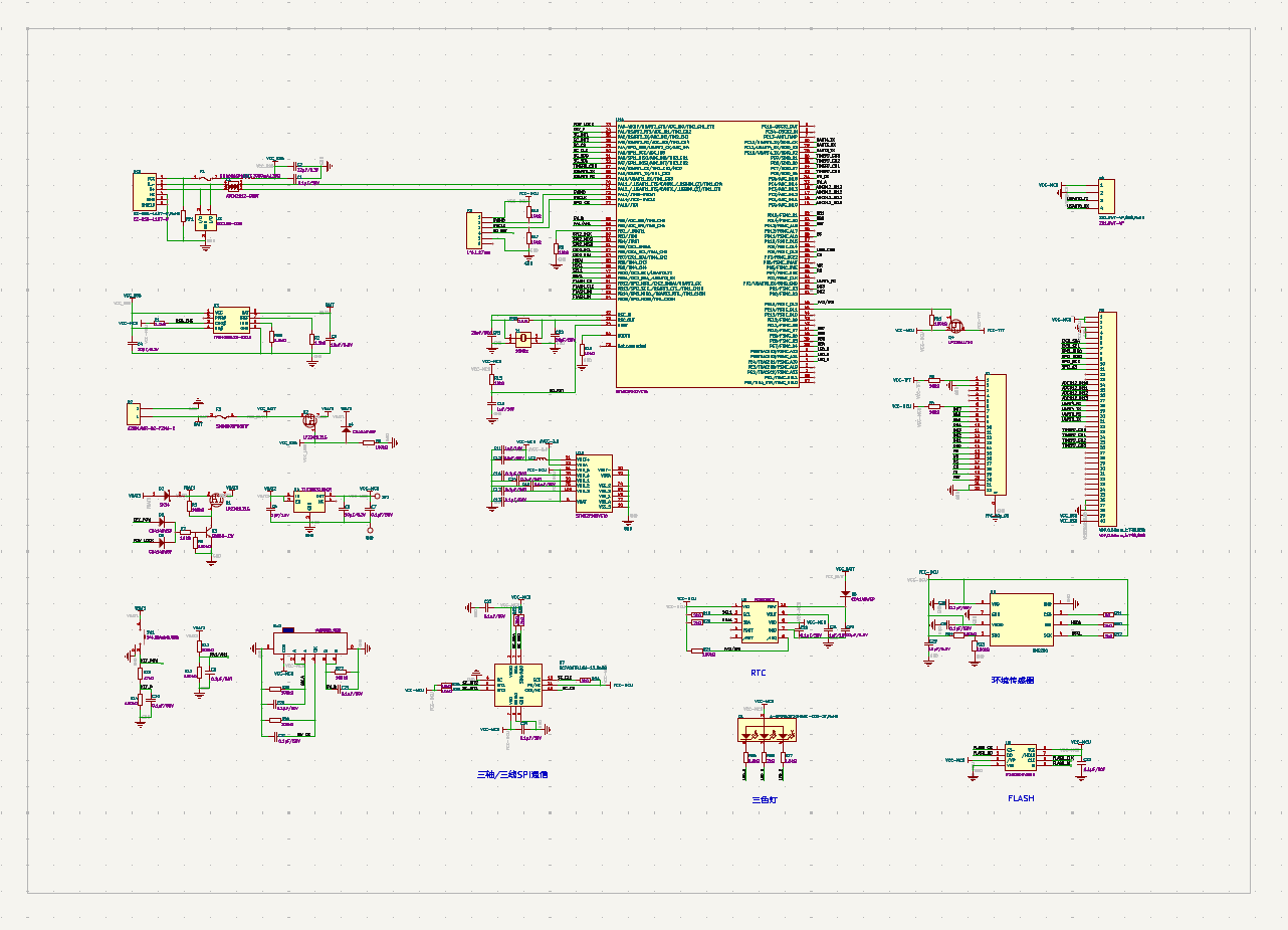
由于本次的设计具有处于设计阶段的第五期,在上一期的基础上继续添加电源管理和电池管路部分,也是本期的主题。需要用到一部分未使用的引脚进行采集或者控制。
本次任务增加的功能模块一共有两部分:
第一部分是电源管理部分,这里我们选择的是通过三极管以及MOS管搭建一个可以通过多元共同控制的开关管理电路,比如当USB供电存在的时候处于第一优先级供电;可以通过按键实现开关机操作,并结合MCU的控制引脚实现开机自锁;
第二部分是电池管理部分,这一部分实际上和任务一比较相似,主要的是电池充电管理,充电状态可采集,供电电压的采集需要用到ADC,实现电池的电量状态的指示。
TPB4056A20-ES1R链接:https://www.digikey.cn/zh/products/detail/3peak/TPB4056A20-ES1R/22228644
原理图和PCB模块介绍

增量部分:
原理图
PCB
本次是在上一阶段的基础上增加了电源管理和电池管理,其实我们在上一期有关传感器的内容的时候增加了环境采集传感器和三轴传感器,不过由于主要关注在热成像上了,就没有把这一部分发布,这里简单的提一下。由于增加了很多模块,可以看到布局上已经没有太多位置了,前面是屏幕也没法增加,所以增加了一个扩展接口(还有很多引脚没有用到,就通过这个扩展口延伸,包括热成像模块的连接)。理论上我们还需要做一个转接板把扩展口的功能做个延伸。
3D效果图
模块主要性能指标和管脚定义
新增模块引脚:
所属模块 | 管脚名 | 功能名称 |
电池管理 | PD8 | CHG |
PB1 | ADC | |
电源管理 | PA0 | 自锁控制引脚 |
扩展引脚:
所属模块 | 管脚名 | 功能名称 | 功能名称 | 管脚名 |
扩展引脚 | 1 | VCC-MCU | UART3_RX | 21 |
2 | VCC-MCU | TIMER7_CH0 | 22 | |
3 | GND | TIMER7_CH1 | 23 | |
4 | GND | TIMER7_CH2 | 24 | |
5 | GND | TIMER7_CH3 | 25 | |
6 | I2C0_SDA | —— | 26 | |
7 | I2C0_SCL | —— | 27 | |
8 | SPI2_MISO | —— | 28 | |
9 | SPI2_MOSI | —— | 29 | |
10 | SPI2_SCK | —— | 30 | |
11 | SPI2_CS | —— | 31 | |
12 | —— | —— | 32 | |
13 | —— | —— | 33 | |
14 | ADC012_IN10 | —— | 34 | |
15 | ADC012_IN11 | —— | 35 | |
16 | ADC012_IN12 | GND | 36 | |
17 | ADC012_IN13 | GND | 37 | |
18 | UART4_RX | GND | 38 | |
19 | UART4_TX | VCC-USB | 39 | |
20 | UART3_RX | VCC-USB | 40 |
eZ-PLM上新建物料和项目的截图
使用了eZ-PLM系统上传了自己的工程文件,方便保存记录各个版本,也可随时查阅,系统里查阅不到的物料也支持手动添加。
我们添加了本次使用的新物料:

物料添加展示图
项目详情图
心得体会
这次是2025 Make Blocks的第五期了,这一次我们又完善了一部分符合要求的部分,加入电池管理和电源管理,实际上我们的热成像已经基本完成了,转接板做回来后就可以正式调试系统程序了。