内容介绍
视频课程
任务列表
项目报告
内容介绍
竞赛所用板卡介绍
树莓派RP2040游戏机
RP2040 Game Kit是基于树莓派RP2040的嵌入式系统学习平台,USB Type-C供电,采用RP2040作为主控,支持MicroPython、C/C++编程,性能强大。
板上功能:
- 240*240分辨率的彩色IPS LCD,SPI接口,控制器为ST7789
- 四向摇杆 + 2个轻触按键 + 一个三轴姿态传感器MMA7660用做输入控制
- 板上外扩2MB Flash,预刷MicroPython的UF2固件
- 一个红外接收管 + 一个红外发射管
- 一个三轴姿态传感器MMA7660
- 一个蜂鸣器
- 双排16Pin连接器,有SPI、I2C以及2路模拟信号输入
游戏机可玩性极高,可移植多款复古游戏,还可作为电赛的控制、显示接口平台,搭配传感器、模拟电路外还可以完成更多创意项目。
有关树莓派RP2040游戏机的详细介绍及原理图,可点击链接查看。
dToF模块
dToF模块是基于 TMF8821 设计的直接飞行时间 (dToF) 传感器模块,TMF8821采用单个模块化封装,带有相关的 VCSEL(垂直腔面发射激光器)。dToF 设备基于 SPAD、TDC 和直方图技术,可实现 5000 mm 的检测范围。由于它的镜头位于 SPAD 上,它支持 3x3、4x4 和 3x6 多区域输出数据以及宽广的、动态可调的视野。VCSEL 上方的封装内的多透镜阵列 (MLA) 拓宽了 FoI(照明场)。原始数据的所有处理都在片上进行,TMF8821在其 I2C 接口上提供距离信息和置信度值。
TMF8821 dToF传感器模块与RP2040游戏机管脚匹配,插上直接可以使用,并在侧面预留了扩展接口,可以自由焊接/调试/抓取数据。
TMF8821特点
- 具有高灵敏度SPAD检测的Direct ToF技术
- 4x4 可配置的多区域配置,具有多目标检测功能
- 可调视野(最大63°对角线)
- 快速时间数字转换器(TDC)架构
- 亚纳秒级光脉冲
- 10 – 5000mm 距离感应 @30Hz
- 片上直方图处理
- 940nm VCSEL 1类人眼安全
- 高性能片上阳光阻隔滤波器和算法
- 小型模块化OLGA 2.0mm x 4.6mm x 1.4mm封装
TMF8821优势
- 提供高SNR、宽动态范围和无多路径反射
- 可在±5%以内进行黑暗和阳光环境距离测量
- 用于自定义场景匹配的自适应FoV
- 提供一流的分辨率测距模式检测传感
- 实现精确的距离测量
- 提供高精度、更大的盖玻片间距、动态盖玻片校准、污垢或污迹去除以及串扰补偿
- 如果发生VCSEL故障,人眼安全电路会停止VCSEL驱动器
- 支持算法的滤光片可实现高环境光弹性
- 降低电路板空间要求,在受限空间内实现扁平系统设计工业设计
TMF8821参数
软硬件
元器件
软件
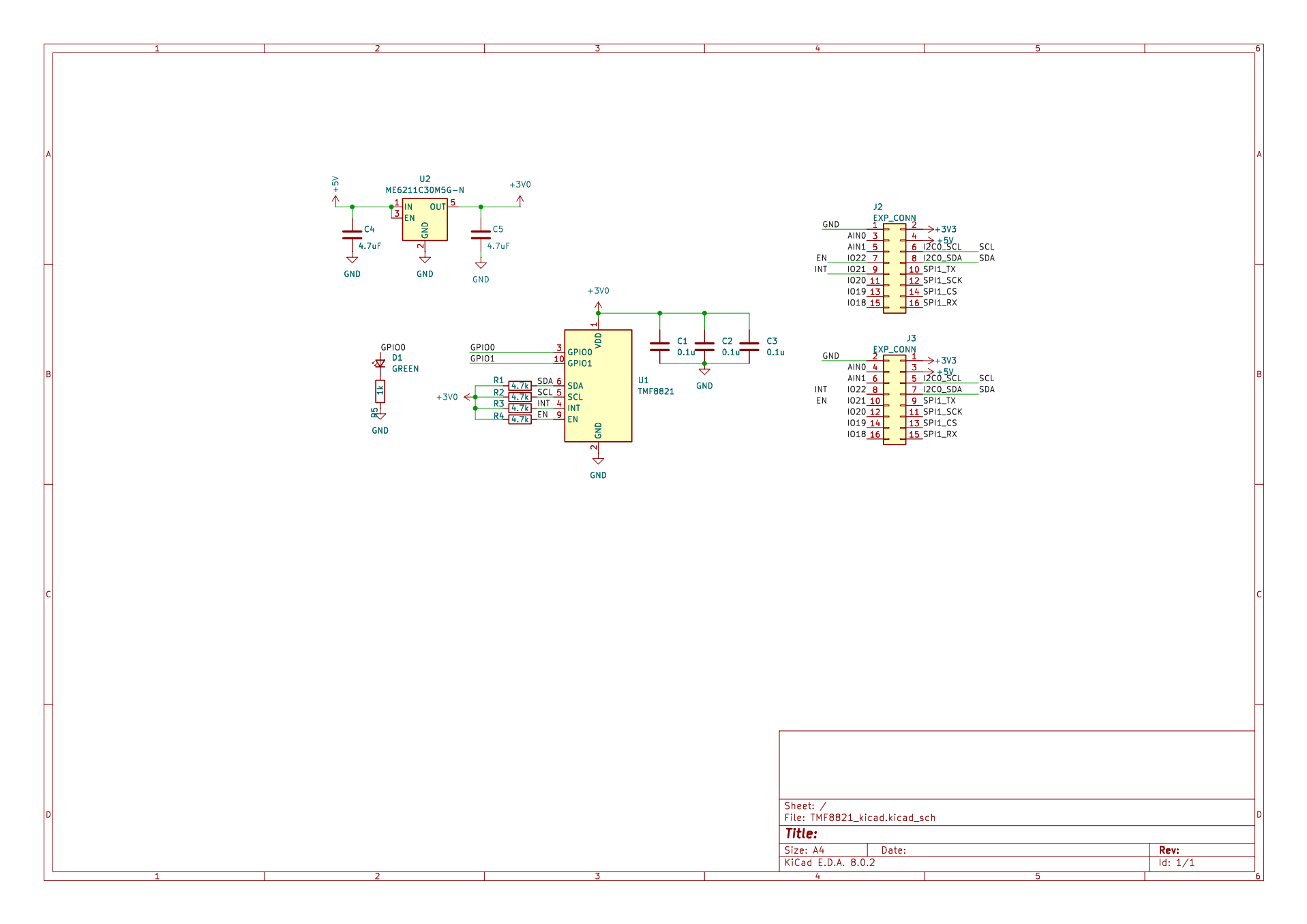
电路图
KiCad文件
使用说明
全屏
附件下载
TMF882X_DS000693_8-00.pdf
TMF882X 传感器数据手册
TMF882X_ODG_PD001042_4-00.pdf
TMF882X 光学设计指南
TMF8821_kicad.pdf
dToF模块原理图
game2040-V3-20211228.pdf
游戏机原理图,测试代码:https://gitee.com/eetree-git/RP2040_Game_Kit
TMF882X_Software_Development_Kit_Getting_Started_Guide.pdf
TMF882X 软件开发工具包入门指南
TMF882X_Driver_User_Guide.pdf
TMF882X 驱动程序用户指南
团队介绍
苏州硬禾信息科技有限公司
艾迈斯欧司朗
团队成员
硬禾科技
硬禾核心团队举办实战培训营已有超过6年的经验。自成立起矢志建立专业化、系统化、工程化技能培训体系,以在工业界中的最佳实践为行业培养技术中坚和领军人才。 硬禾采用Project-Based Learning(PBL)项目制教学方法,在基于实际产品和项目的教学过程中借助短期的高强度、快节奏的系统性实战训练,让学员迅速积累优秀工程师应具备的专业技能、职业素养和全区思维,加速其职业成长。
艾迈斯欧司朗
艾迈斯欧司朗作为照明与传感创新的全球领导者,致力于开拓创新,打造独具一格的照明与传感解决方案。我们积淀百余载行业经验,融合卓越工程技术与全球制造实力,将热情注入前沿创新。我们在光源、可视化和传感技术领域不断突破,赢得了全球客户的信赖。我们与客户携手共进,创造颠覆性应用,让世界更安全、更智能,更可持续。
评论
0 / 100
查看更多
猜你喜欢
2024艾迈斯欧司朗竞赛 - 使用RP2024Gamekit + TOF8821 完成的手势识别使用树莓派RP2040 game kit + DTOF8821完成的手势识别控制菜单切换功能【任务一】
Wang Chong
161
2024艾迈斯欧司朗竞赛-用TMF8821实现手势控制GUI该项目使用了RP2040 和 TMF8821,实现了手势控制GUI的设计,它的主要功能为:手势识别,可识别挥动,接近、远离等手部动作,并使用手势动作控制屏幕上的菜单功能。
Batman9527
311
2024艾迈斯欧司朗竞赛 - 基于TMF8821的dToF传感器模块 - 搭配RP2040游戏机测量角度该项目使用了RP2040游戏机、TMF8821 dToF传感器模块,实现了角度测算的设计,它的主要功能为:计算平面与传感器板的YAW及PITCH角,以及传感器板到屏幕的最小距离。。
Jahg
268

