任务名称
基础题19 - 多谐振荡器
任务要求
难度

实验目标

  1. 了解晶体管多谐振荡器的工作原理和电路结构。
  2. 学习晶体管多谐振荡器的搭建、调整和测试

 

实验器材

ADALM2000

2kΩ 电阻                  x 2

220kΩ 电阻                x 2

4.7μF 电容                 x 2

LED             x2

双极型晶体管        x2

面包板

导线

 

 

理论基础

多谐振荡器是一种能产生矩形波的自激振荡电路.它在工作过程中,电路没有稳态,而是通过两个暂稳态的交替转换,输出一定频率和幅值的矩形波。

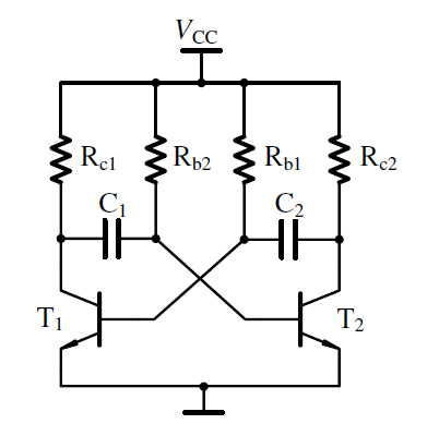
基本的晶体管多谐振荡器如图1所示。电路的特点是晶体管T1、T2通过电容C1、C2 以正反馈的关系互相耦合,由于正反馈和C1、C2充放电的作用而形成振荡,作为开关器件的T1、T2管在振荡时交替地截止和导通。

晶体管多谐振荡器实用电路如图2所示。图中在晶体管的基极上接入保护二极管D3、D4,以防止截止管发射结的瞬时击穿,而导致晶体管性能下降以及振荡频率的不稳定。其中Rb选用220kΩ,电容选用4.7μF,Rc的选取根据LED来决定。

图1

图2

 

实验步骤

  1.    按照图2,在面包板上搭建电路,并对电路进行检测。
  2. 静态测试:先不接电容C1、C2,检查两管是否处于饱和状态,即测量晶体管的VCE。若VCE值等于晶体管的饱和压降VCES,则该管子处于饱和状态。比如图中集电极电阻为发光二极管与限流电阻的串联,而限流电阻的大小决定发光二极管的工作电流,不能随意改变,故只能调整基极电阻。
  3. 动态测试:接上耦合电容C1、C2,用示波器直接观测其输出波形,并记录,同时可观察到两个发光二极管交替闪亮。

 

参考答案

实验电路仿真

硬禾服务号
关注最新动态
0512-67862536
info@eetree.cn
江苏省苏州市苏州工业园区新平街388号腾飞创新园A2幢815室
苏州硬禾信息科技有限公司
Copyright © 2024 苏州硬禾信息科技有限公司 All Rights Reserved 苏ICP备19040198号