FastBond智能可穿戴之便携式心率血氧仪
使用MAXIN的MAX32660GTP+微处理器,MAX30102血氧传感器,实现人体血氧心率实时显示
标签
嵌入式系统
数字逻辑
PCB设计
te_shanbaobao
更新2021-11-19
2718

一、项目介绍

本系统是为参加硬禾学堂联合Digi-Key发起的FastBond活动而设计的,活动规则是项目的板卡必须同时使用ADI和美信的产品实现相关功能。

本系统主要使用MAXIN的MAX32660GTP+微处理器,ADI的AD8531ARTZ-REEL运算放大器,MAXIN的血氧心率传感器,并额外拥有7个不同方位状态指示灯,当人手放置在采集窗口时,OLED显示器会实时显示当前血氧心率数值,以及检测状态指示灯亮起,提示已采集完成或采集中,并依据相应数值点亮不同状态指示灯,让健康状况一目了然,

二、硬件设计

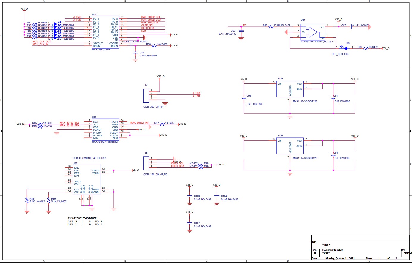
2.1硬件设计之原理图设计

本系统主要使用

1.MAX32660GTP+为MAXIM公司推出得微处理器,它采用QFN封装,体积小巧,接口丰富,引脚状态可软件配置,Arm Cortex-M4架构,更加令人满意得是工作温度较宽,可以轻松胜任各种气候环境,符合应用场景,随身携带并且长久稳定,无需外部晶振,可使设计更加简单,体积更小.

● 内部振荡器工作频率高达96MHz,256KB闪存

● 96KB SRAM,可选择以最低存储容量保存

● 电源备份模式

● 16KB指令缓存

● 内存保护单元(MPU)

● 低电源电压

● 3.6V GPIO工作范围

● 内部LDO提供单电源操作

● 宽工作温度:-40°C至+105°C

2.AD8531ARTZ-REEL为ADI公司推出得运算放大器,采用SOT23-5封装,体积小巧,可靠性高,在支持轨到轨特性上拥有更优势得价格,非常适合便携可穿戴式应用,低压可驱动类型运算放大器, 可以达到250mA驱动电流,单电源供电,具有稳定,可靠等特点.

● 单电源操作:2.7 V至6 V

● 高输出电流:±250 mA

● 低电源电流:750μA/放大器

● 宽频带:3兆赫

● 转换速率:5 V/μs

● 无相位反转

● 低输入电流

● 统一增益稳定

● 轨到轨输入和输出

 

3.MAX30102,高灵敏度脉搏血氧仪和适用于穿戴式健康的心率传感器,并且体积小巧,可靠性高,价格优势明显,功耗低,采用IIC标准接口,

● 微型5.6mm x 3.3mm x 1.55mm 14针光学模块

• 集成盖玻璃,实现最佳、坚固

● 移动设备的超低功耗操作

• 可编程采样率和LED电流节电

• 低功率心率监测器(<1mW)

• 超低关机电流(0.7µA,典型值)

● 快速数据输出能力

• 高采样率

● 鲁棒运动伪影恢复

• 高信噪比

● -40°C至+85°C工作温度范围

4.0.91 Inch OLED display device,又称为有机电激光显示,有机发光半导体,OLED属于一种电流型的有机发光器件,相比于传统LCD具有功耗低,响应速度快,较宽视角,可实现分辨率显示,宽温度特性,质量较轻等优点.非常适合便携式可穿戴应用.

 

三、原理图设计

接合项目目标以及实际情况,具体原理图设计如下

FsgsdCsA5tP8BAK26TLjg1ZL4GyE

四、PCB设计

为实现设计高效,可靠性,采用ALLEGRO软件进行设计,针对便携式这一特点,本PCB设计尺寸1.2*4.8CM,为提高生产良品率,本设计PCB全部采用常规工艺要求,极力追求低成本,高可靠,高良品率,最大限度接近实际消费电子设计要求.

FmHoX2MQ6cg4OFfhyGlfGh9WLs_5FgGlFbmzaKqiyeJSi1c_LSH6tYID

 

五、PCBA SMT PTH 焊接加工

FuC6Di7jKQrntnSqUm9fesz_2zob

六、硬件设计之PCBA 焊接完成实物展示

Fi3ECYUqNOOmKnocWf4HbPi7cJFB

FjcWvmPnpvHtibTYlomTxJQObWK3

 

七、软件设计

int main(void)   //PPGÐźŲɼ¯ÊµÏÖ¶ÔÐÄÂÊѪÑõÊý¾ÝµÄ¼ÆËãÒÔ¼°ÏÔʾÔÚLCDÆÁÄ»ÉÏ
{
	uint32_t un_min, un_max, un_prev_data;  
	int i;
	int32_t n_brightness;
	float f_temp;
	u8 temp_num=0;
	u8 temp[6];
	u8 str[100];
	u8 dis_hr=0,dis_spo2=0;   
 
    gpio_int.port = GPIO_PORT_INT;
    gpio_int.mask = GPIO_PIN_INT;
    gpio_int.pad = GPIO_PAD_NONE;
    gpio_int.func = GPIO_FUNC_IN;//ÉèÖóÉÊäÈë
    GPIO_Config(&gpio_int);	
    
    OLED_Init();
    led_init();

    max30102_init();    //MAX30102Ä£×éµÄ³õʼ»¯
    un_min=0x3FFFF;
    un_max=0;
    n_ir_buffer_length=100; //buffer length of 100 stores 5 seconds of samples running at 100sps
    //read the first 100 samples, and determine the signal range    ¶ÁÈ¡50¸öÑù±¾µãÀ´È·¶¨Ðźŵķ¶Î§
    for(i=0;i<n_ir_buffer_length;i++)
    {
        while(GPIO_InGet(&gpio_int)==1);   //wait until the interrupt pin asserts     µÈ´ýÖжÏÒý½ÅÈ·ÈÏ    
        max30102_FIFO_ReadBytes(REG_FIFO_DATA,temp);
        aun_red_buffer[i] =  (long)((long)((long)temp[0]&0x03)<<16) | (long)temp[1]<<8 | (long)temp[2];    // Combine values to get the actual number
        aun_ir_buffer[i] = (long)((long)((long)temp[3] & 0x03)<<16) |(long)temp[4]<<8 | (long)temp[5];   // Combine values to get the actual number
        if(un_min>aun_red_buffer[i])
            un_min=aun_red_buffer[i];    //update signal min
        if(un_max<aun_red_buffer[i])
            un_max=aun_red_buffer[i];    //update signal max
    }
   
    OLED_Clear();
    while(1)  //Ö÷Ñ­»·
    {
        static  uint8_t flag=0; 
        while(flag%2)
        {
            //						LCD_Fill(0,0,LCD_W,LCD_H,WHITE);
            //						max_30102_disp();
            flag--;
        }
        i=0;
        un_min=0x3FFFF;
        un_max=0;

        //dumping the first 100 sets of samples in the memory and shift the last 400 sets of samples to the top
        for(i=50;i<150;i++)
        {
            aun_red_buffer[i-50]=aun_red_buffer[i];
            aun_ir_buffer[i-50]=aun_ir_buffer[i];

            //update the signal min and max ʱ¿Ì¸üÐÂÐźŵÄ×îСֵºÍ×î´óÖµ
            if(un_min>aun_red_buffer[i])
                un_min=aun_red_buffer[i];
            if(un_max<aun_red_buffer[i])
                un_max=aun_red_buffer[i];
        }
        //take 100 sets of samples before calculating the heart rate.
        for(i=100;i<150;i++)
        {
            un_prev_data=aun_red_buffer[i-1];
            while(GPIO_InGet(&gpio_int)==1);
            max30102_FIFO_ReadBytes(REG_FIFO_DATA,temp);
            aun_red_buffer[i] =  (long)((long)((long)temp[0]&0x03)<<16) | (long)temp[1]<<8 | (long)temp[2];    // Combine values to get the actual number
            aun_ir_buffer[i] = (long)((long)((long)temp[3] & 0x03)<<16) |(long)temp[4]<<8 | (long)temp[5];   // Combine values to get the actual number
            if(aun_red_buffer[i]>un_prev_data)
            {
                f_temp=aun_red_buffer[i]-un_prev_data;
                f_temp/=(un_max-un_min);
                f_temp*=MAX_BRIGHTNESS;
                n_brightness-=(int)f_temp;
                if(n_brightness<0)
                    n_brightness=0;
            }
            else
            {
                f_temp=un_prev_data-aun_red_buffer[i];
                f_temp/=(un_max-un_min);
                f_temp*=MAX_BRIGHTNESS;
                n_brightness+=(int)f_temp;
                if(n_brightness>MAX_BRIGHTNESS)
                    n_brightness=MAX_BRIGHTNESS;
            }
            
            }
            n_sp02 = spo2_sz[jishu];
            n_heart_rate = hr_sz[jishu];
            jishu++;
            
            OLED_ShowString(0,0,"SO2:",16);
            OLED_ShowChar(32,0,'0'+n_sp02/100%10,16);
            OLED_ShowChar(40,0,'0'+n_sp02/10%10,16);
            OLED_ShowChar(48,0,'0'+n_sp02/1%10,16);
            OLED_ShowString(0,2,"HR :",16);
            OLED_ShowChar(32,2,'0'+n_heart_rate/100%10,16);
            OLED_ShowChar(40,2,'0'+n_heart_rate/10%10,16);
            OLED_ShowChar(48,2,'0'+n_heart_rate/1%10,16);
            
            if(n_sp02 == 0)
            {
                led_control(0);
            }
            else
            {
                led_control(1);
            }
        
        maxim_heart_rate_and_oxygen_saturation(aun_ir_buffer, n_ir_buffer_length, aun_red_buffer, &n_sp02, &ch_spo2_valid, &n_heart_rate, &ch_hr_valid);
    }

}

 

 

八、功能演示

Fmg5DPVfbaqj3cJ9TYwV3mYTMkum

FlWsP5y9xyjhD6zeOz1p_WDB4s_l

 

九、心得体会

 

现在比较流行得便携式穿戴应用,便携式医疗等,完全可以依靠这个传感器进行心率,血氧采集,能够很好提高产品档次,并且成本较低,体积小巧,通过这一次活动让我更加进一步,通过一些组合,就可以轻松实现一些比较实用得功能,非常便捷高效,这点让我们非常受用,时代在进步,感谢硬禾学堂提供的本次学习机会

 

软硬件
电路图
附件下载
fastbond001.pdf
demo-max - saoni.zip
团队介绍
行业硬件工程师,热爱电子行业,喜欢动手DIY,经常混迹于各大技术交流群,给各位群友解疑答惑.擅长方案设计,绘制高速电路板,成品PCBA焊接
评论
0 / 100
查看更多
硬禾服务号
关注最新动态
0512-67862536
info@eetree.cn
江苏省苏州市苏州工业园区新平街388号腾飞创新园A2幢815室
苏州硬禾信息科技有限公司
Copyright © 2024 苏州硬禾信息科技有限公司 All Rights Reserved 苏ICP备19040198号