FastBond2阶段1-基于74LS194的循环点灯的原理图设计
用74ls194级联构成8位移位寄存器,从而实现LED灯珠循环点亮的效果
标签
数字逻辑
FastBond2阶段1
循环点亮
74ls194
W_R
更新2023-07-24
2979

一、前言(市场介绍)

FtNI5qrbfczRVaj72AZEvDEy_FS7

近年来,彩灯的应用范围越来越广泛,成为社会生活中不可或缺的一部分。彩灯以其丰富多彩的灯光效果和独特的装饰风格,在各个领域都展现出了无限魅力。

首先,彩灯在城市的夜景中扮演着不可或缺的角色。许多城市在夜晚都会点亮灯海,璀璨夺目的灯光将建筑物、桥梁和公园点缀得如同梦幻仙境。其次,彩灯在庆典和节日活动中发挥着越来越重要的作用。无论是传统的春节灯笼,还是国庆盛典中的烟花爆竹,都离不开彩灯的照亮和点缀。同时,彩灯在商业领域也有着广泛的应用。商场、酒店、娱乐场所等都会利用彩灯来打造出吸引眼球的独特氛围,从而吸引更多的顾客。另外,彩灯在艺术表现中也展现出了无限的创意和可能性。越来越多的艺术家和设计师开始将彩灯融入到他们的作品中,创造出令人惊艳的艺术效果。

二、项目介绍+功能描述

本次设计要实现的目标是让每个小彩灯依次点亮,达到流水灯/跑马灯的效果。因此选用移位寄存器的移位特性,在每个时钟沿来临时移一位,选通不同的LED,从而实现依次点亮的效果。此外,加入开关后还可以控制LED灯依次向左亮或依次向右亮,全亮和全灭。

要实现的功能:

1.8个彩灯能够自动循环点亮

2.循环显示且周期为1s

3.可以控制彩灯左移,右移,全亮及全灭

三、规定厂商元器件介绍

要实现上述三个功能需要三大核心部件,下面分别讨论

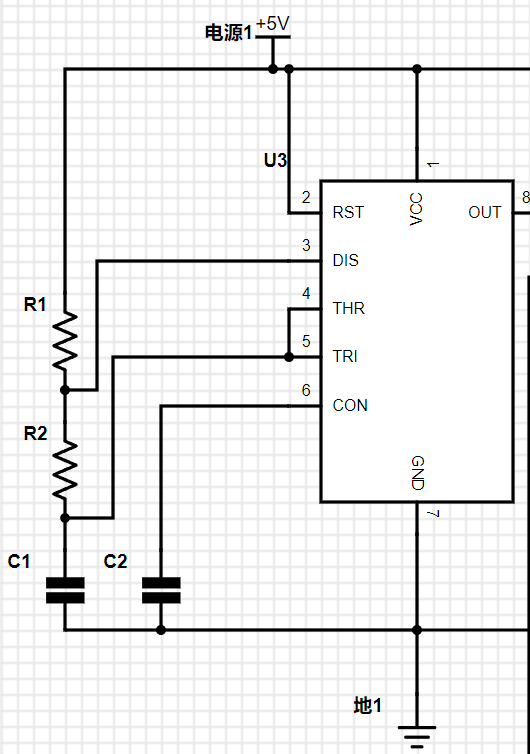
1、脉冲发生电路

选用555定时器作为多谐振荡器,如下图所示。通过调整电容和电阻值的大小,来输出固定频率的时钟信号

(拿到实物之后预估让其输出1hz的时钟信号)

FqPE6DIBpnGT45tsli3JxL_wBTrT

555定时器:

555,全称“通用单双极型定时器”(General-purpose Single Bipolar Timer),意思是555的一个芯片中包含一个(单)用三极管做成的(双极型)定时器。它在外接一个电阻和一个电容后,能够精确地实现延时功能。利用这个功能我们可以实现很多种电路,最常用的有三种:无稳态电路、单稳态电路、双稳态电路。

以NE555为例,以下是引脚图:

FkQ1EY2cSFmS3WTwN3KOssmZht9a

各个引脚的功能如下:

1脚:接地。

2脚:输入端Trigger,该脚会判断其电压是否小于1/3 Vcc。

3脚:输出端Output。

4脚:清零端Reset。正常工作时应接高电平。

5脚:控制电压端。一般不使用,应通过一只0.01μF(103)瓷片电容接地,以防引入高频干扰。

6脚:输入端Threshold,该脚会判断其电压是否大于2/3 Vcc。

7脚:放电端Discharge。

8脚:外接电源Vcc,范围为4.5V~16V,一般用5V。

输出端3脚的电平与输入的关系如下表所示:

FkX7xi-hF9RdpNUyslQGOPvMagON

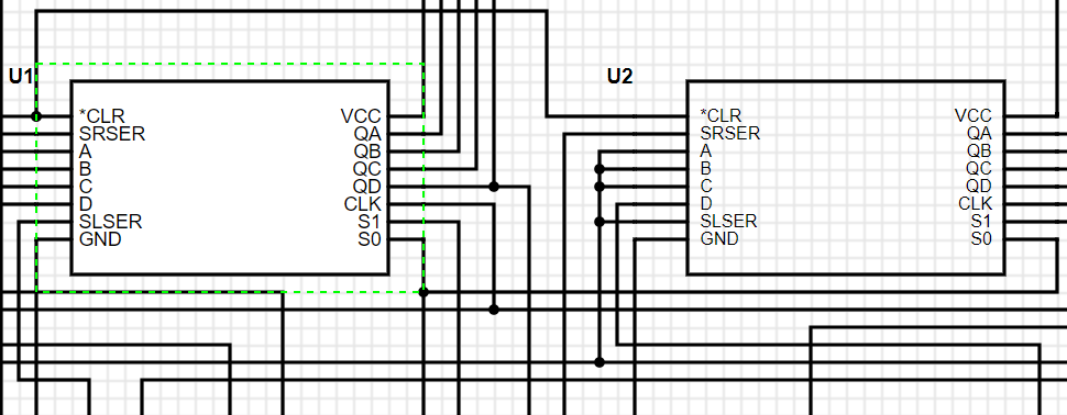
2、移位计时电路

因为计划使用八个LED,所以使用一个8位的移位寄存器即可。选用两片74LS194(TI公司生产)级联就可以构成一个8位的移位寄存器,如下图所示:

FrZPlyVR49qQrB7t_LD35ZU5v_Jd

74LS194的特性

74LS194是一款具有4个同步计数器和16个同步双稳态触发器的集成电路芯片。它可以根据时钟输入进行二进制计数,并可以通过控制线进行清零、计数使能等操作。74LS194广泛应用于数字计数、频率分频、时序控制等领域。以下是典型的连接接口图。

FppI8tgP1_uNJyUwZGcEXMAV4fPW

以下是TI官方给出的功能表:

FikEcpoeDh2dCF83Cm8brHlLArN3

3、开关

开关的作用是用来控制LED向左亮,向右亮,全亮和全不亮的,它的实质是通过开关的不同组合来构成不同的选通信号,从而控制移位寄存器向左移或是向右移

FgLdZnLG5F1Ez6GxG54QKYWkCQlT

四、scheme-it工具介绍

scheme-it是DigiKey官网的在线绘制工具,可以满足大部分绘图的需求,不过一定要注意及时保存,另外网页的快慢非常容易受网络环境的影响,我就是因为网页卡了一下没保存而导致做了二个小时的东西没了。

另外介绍几个细节的地方,当我在找555定时器时,发现找不到能很好匹配的元件,我们可以使用左上角的“Build a Symbol”创建自定义的接口芯片,如图:

Fp9bvgZhh0ROQt9r6kkrEm2M397Q

在创建自己的symbol时,我也遇到过诸如如何拖动,选中,以及如何连接pin管脚之类的问题,我们可以点击右上角的“help”,里面关于如何使用有非常详细的说明。

Fpn4xqrt1bkX8cPAFBPMBHLaA1SO

五、方案框图+原理图

放上scheme-it的链接:

https://www.digikey.cn/schemeit/project/王睿-23暑期fastbond2-daf79370d6814f4a9b136ac4d5c287bf

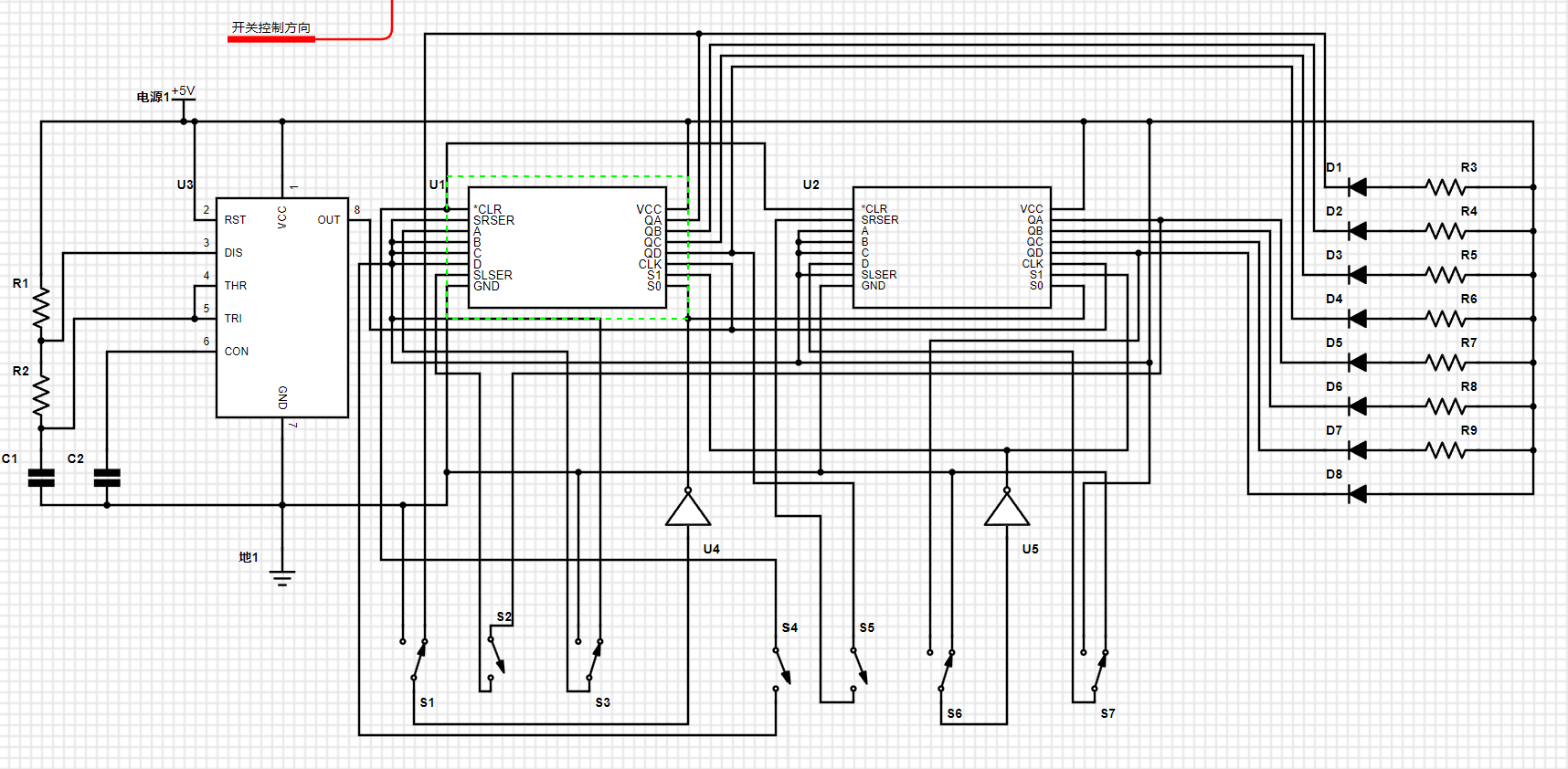
方案框图:

Fihm_8iEx6VnXUIOKb_xxVUzGd3L

如上框图所示,首先我们需要8个LED灯珠,因此就需要一个8位的移位寄存器,让它的输出像10111111,11011111,11101111,11110111变化(其中1表示不亮,0表示亮)。

移位寄存器还需要时钟信号的输入,所以在前端放置一个脉冲发生器,让它产生1hz的脉冲时钟信号,从而让移位寄存器一秒移位一次。

原理图:

FkQfl0rFTtrlmkGdVbaJI0qT2wfn

脉冲发生器的核心器件是555定时器,由555定时器和电阻电容构成多谐振荡器,从而产生整个电路所需要的时钟信号。

由于74ls194是四位的,所以需要两片74ls194级联构成一个8位的移位寄存器,辅之以开关电路,就可以实现移位寄存器的左移,右移等操作。

8个LED灯珠分别与移位寄存器的8个输出端口相连,移位寄存器的移位操作就可以用LED灯珠的依次闪烁来表达出来。

六、心得体会

通过参加这次fastbond2第二季的大赛,让我对数字电路有了更真切的体会,可以将课本知识与生活实际相联系,能够将其转化成肉眼可见的结果,尽管是小小的流水LED灯。转化成科技成果确实比做题更难,但也是学生到工程师必须做出的改变。最后一定要说的是:scheme-it一定要及时保存!!!

 

软硬件
电路图
附件下载
2023_王睿_fastbond2.pdf
项目框图和原理图
团队介绍
本科,王睿
评论
0 / 100
查看更多
硬禾服务号
关注最新动态
0512-67862536
info@eetree.cn
江苏省苏州市苏州工业园区新平街388号腾飞创新园A2幢815室
苏州硬禾信息科技有限公司
Copyright © 2024 苏州硬禾信息科技有限公司 All Rights Reserved 苏ICP备19040198号