基于灵动MM32F0140的开发板设计
本文根据灵动MM32F0144芯片资料,设计了一个开发板。该开发板包含电源电路、单片机最小系统、SPI屏幕接口、USB转串口电路、ADC电路、PWM电路、CAN总线电路,并包含两个GPIO按键及2个指示灯。
标签
KiCad
嵌入式系统
WeDesign1
MM32F0140
chinaking
更新2023-05-30
上海大学
1568

基于灵动MM32F0140的开发板设计

一、项目介绍

    本文根据灵动MM32F0144芯片资料,使用Kicad7.0设计并制作了一个开发板。该开发板包含电源电路、单片机最小系统、SPI屏幕接口、USB转串口电路、ADC电路、PWM电路、CAN总线电路,并包含2个GPIO按键及2个指示灯。

二、项目设计思路(含设计框图)

项目方案设计框图如下图所示

Fr50frcqDwrgjn7LOCtix3BDWgbq

 单片机外部电路包括2个功能按键、2个LED输出指示,1个双轴电压信号手柄,1个PWM信号手柄,1个SPI接口显示屏和CAN总线电路。下载口用SWD接口下载,使用Jlink调试工具;程序监控使用UART口,通过USB转串口芯片CH340,连接到电脑进行监控。

三、搜集素材的思路

   搜集素材主要通过以下途径,灵动微电子官网,硬件设计重点阅读《MM32F0140数据手册》,明确每个引脚包含哪些资源。

硬件参考电路主要搜集了以下板块资料:灵动Mini-F0140、fthr-f0140、网上MM32F0140资料-大大通、硬禾学堂扩展板、DfRobot的ESP32-E原理图以及Kicad相关书籍等。

单片机最小系统:电路主要参考fthr-f0140开发板,单片机外部引脚,根据实际需要查看《MM32F0140数据手册》进行规划。

Fh2tWVSmtnW4P9kRQiF9MrcmwpXC

USB转串口:参考DfRobot的ESP32-E原理图,此部分电路没有调试成功,原因查找中。实际调试使用电路板外接的CH340模块。

FnjBOxJ-_qMkqZB0XeOtxSdWUMO5

电源:电源使用5V转3.3V通过USB供电后,用低压差线性稳压器MIC5504-3.3。参考Kicad书籍中信号发生器电源电路。

FoJTF5cEDjs5Cua9w4OMs5A3nxaL

ADC:ADC部分,引出单片机对应引脚即可,本系统使用的是PB0和PB1引脚,分别接外部模拟量电压手柄的X轴和Y轴输出。

SPI电路:SPI部分,主要是外接显示屏进行状态及数据显示。规划好接口即可。通过J8可以用短接帽,选择LCD的Reset使用硬件引脚还是GPIO。

FhthTRp9JaXv1LZDz23yx-QXuRQg

CAN电路:CAN功能开发参考fthr-f0140开发板。该模块未调试成功,可能是软件原因。

FhU5HIkOVpCio1-FOlrKRTogvlKq

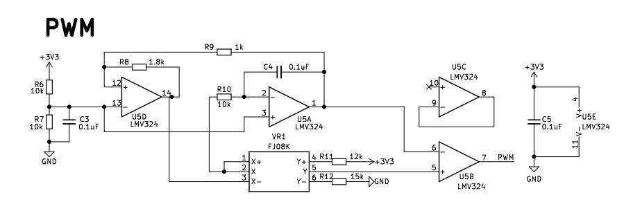
PWM电路:PWM电路参考硬禾学堂的一款扩展板电路。双轴手柄,通过运放电路,输出占空比和频率可调的PWM信号。

FohmsUW5NJcfygtnDopggf1UJl1C

画原理图、PCB制板过程中遇到的问题,以及解决方法:

问题1:在PWM电路中,使用的运放LMV324,采购元件SOP-14封装,而焊盘选成了SSOP-14封装,无法焊接。导致该部分电路失败。

问题2:Kicad进行布线时,过于仓促,没有充分考虑布局,导致后面走线困难后,不得不调整布局,重新布局布线。布局应尽量将直插和贴片元件分开。双面板走线时两面应尽量走线垂直,减少过孔。

问题3:部分焊盘过小,不利于手工焊接,应选择适合手工焊接的焊盘或自制部分封装。

四、实现结果展示

硬件展示

Fq_1MyV7UrgY2WRHarJrjDclXedQ

FkfxOCQ_MVAInWTCNlraEM4YTt0M

下载程序后运行效果

按键程序功能:按键控制LED,按下按键Key1,LED1亮,再按下,LED1灭;key2控制LED2同理。按键动作时,串口会打印按键消息发送到电脑。

FizkVpHuSQB9RfJXvyz2KRB-RaFd

FoBg3TzQX3X9Ti6-rhfndEFb95Xy

ADC程序功能:单片机采集手柄X轴的电压信号,0-3.3V对应0-4096,发送到串口显示。

FuDKr7ICa6n8ES8CvHgq2lJeNVx6

FhNIzl2YQedEW73E22qKvKQlEfKJ

Fj9AmGwfpbLRtjdtHPzht-LSFB5Y

FjwgiclS1lxlavuNBhXqFicAB3ET

五、总结

MM32F0144C4P这款单片机资源还是比较丰富,GPIO口比较多,具有SPI、UART、CAN等丰富的接口及多路ADC。因种种原因,此次只调试了GPIO的输入输出以及Uart的串口打印、ADC数据采集等功能。芯片自带ADC,无需额外使用ADC芯片。芯片的CAN总线接口在工控板或汽车电子方面都有很好的应用前景。

软件方面,例程可以方便的通过灵动官网获取,例程的说明文档如果能再详细些并支持中文就更好了。

总之,硬件设计要细心,软件调试要耐心。多向大佬学习,多参考成功案例。知行合一,知易行难。

附件下载
电路图CAN_Board_V3.0.rar
代码mini-f0140_blinky_led_key_mdk.rar
代码mini-f0140_adc_basic_mdk.rar
团队介绍
老胡,自动化工程师,嵌入式爱好者
团队成员
chinaking
评论
0 / 100
查看更多
目录
硬禾服务号
关注最新动态
0512-67862536
info@eetree.cn
江苏省苏州市苏州工业园区新平街388号腾飞创新园A2幢815室
苏州硬禾信息科技有限公司
Copyright © 2024 苏州硬禾信息科技有限公司 All Rights Reserved 苏ICP备19040198号