项目/活动
资讯
毕业设计
电赛
云芯易绘
商城
Seeed专区
参考资料
仿真/工具
AI助手
发布项目
登录
/
注册
首页
>
文档笔记
>
器件
>
微处理器/微控制器
ATMEGA128
收藏
分享
脑图
ATMEGA128
基本信息
描述:8位AVR微控制器具有8K字节的系统内可编程闪存
厂商:Microchip
器件类别: 微控制器/微处理器
产品图片
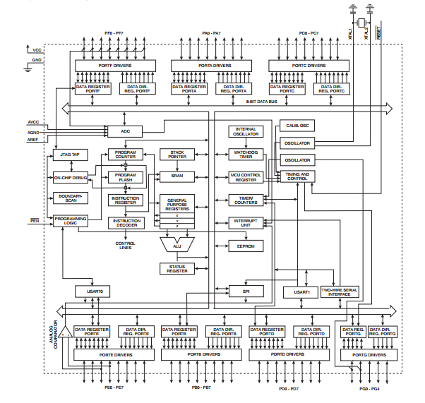
产品结构框图
产品特性
主要参数
封装
TQFP
VQFN
资源链接
产品页面
数据手册
文章
技术文章
atmega 128 双串口使用
12个基于ATmega128的经典设计,软硬件协同
基于ATmega128的迷你数控雕刻机系统设计
基于AVR ATmega128的工业网关的实现
基于ATmega128和CH374的USB接口的软硬件设计
资深工程师带你学Atmega128(内附50篇设计方案、开发笔记)
基于ATmega128的温室滴灌施肥控制系统设计
基于ATmega128的智能安全帽特性检测仪设计
应用笔记
AN_0932 - AVR100:在tinyAVR和megaAVR设备上访问EEPROM
AN _ 0934-AVR 128:AVR模拟比较器的设置和使用
AN_1015 - AVR604:了解AVR ICEPRO输入/输出寄存器
AN_1232 - AVR240: 4x4键盘-在tinyAVR和megaAVR设备上按键时唤醒
AN_1451 - AVR306:在tinyAVR和megaAVR器件上使用交流AVR UART
AN_1472 - AVR350:适用于AVR的Xmodem CRC接收实用程序
AN_1644 - AVR109:在tinyAVR和megaAVR器件上使用自编程
AN _ 2532-AVR 243:Tinyavr和megaAVR设备上的矩阵键盘解码器
AN_2551 - AVR132:使用增强型看门狗定时器
AN_2559 - AVR120:自动电压调节器上模数转换器的特性和校准
AN_32194 - AVR116:数据间隙上的磨损均衡
AN_8003 - AVR121:通过过采样提高模数转换器分辨率
AN_8365 - AVR205:利用tinyAVR和megaAVR,频率测量变得容易
其它技术交流渠道
网站
社区
公众号:电子工程专辑
设计工具
库/模型
CAD库文件
Ultralibrian库文件
ATMEGA1284P-PU
ATMEGA1281V-8AU
SnapEDA库文件
ATMEGA128-16MU
ATMEGA128-16AUR
评估板信息
评估板型号:ATPOWERDEBUGGER
评估板图片
评估板介绍
使用手册
评估板信息
评估板型号:ATSTK600
评估板图片
评估板介绍
使用手册
评估板信息
评估板型号:PG164100
评估板图片
评估板介绍
使用手册
相关器件
ATmega1284
ATmega1284P
ATmega128A
购买渠道
样品申请
官网购买
现货分销商网站购买
BOM2BUY
Digikey
Mouser
Arrow
Element14
授权分销商
亚太销售和分销商
微芯片技术贸易(上海)有限公司
地址:中心21楼02-10室,常乐路989号,上海,中国
电话:+86-21-33268000
传真:+86-21-33268021
微芯片技术贸易(上海)有限公司(深圳分公司)
地址:中国人寿大厦28楼华福·路易123号,福田区深圳,中国
电话:+86-755-8864 2200
传真:+86-755-8203 1760
微芯片技术贸易(上海)有限公司(南京分公司)
地址:15C1室,汉中路89号南京,中国
电话:+86 25 8473 2460
传真:+86 25 8473 2470
评论
0 / 100
发表评论
查看更多
colorful
2019-08-27
2168
硬禾服务号
关注最新动态
0512-67862536
info@eetree.cn
江苏省苏州市苏州工业园区新平街388号腾飞创新园A2幢815室
苏州硬禾信息科技有限公司
友情链接
STEP小脚丫
纳芯微电子
Copyright © 2024 苏州硬禾信息科技有限公司 All Rights Reserved 苏ICP备19040198号