项目/活动
资讯
毕业设计
电赛
云芯易绘
商城
Seeed专区
参考资料
仿真/工具
AI助手
发布项目
登录
/
注册
首页
>
文档笔记
>
器件
>
模拟链路
TPS7A57——5A、低输入电压、低噪声、高精度、低压降 (LDO) 稳压器
收藏
分享
脑图
TPS7A57
基本信息
描述:TPS7A57 是一款低噪声 (2.45 µVRMS)、超低压差线性稳压器 (LDO),能够以仅 75 mV 的压差提供 5 A 电流,与输出电压无关。
厂商:TI
器件类别
线性和低压降 (LDO) 稳压器
产品图片
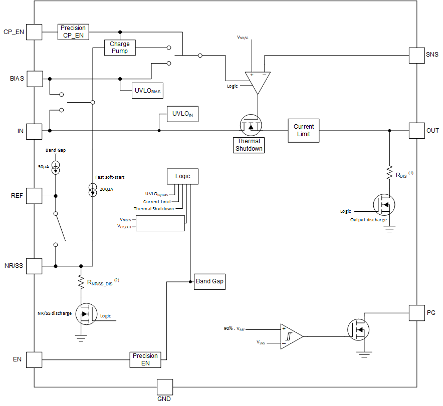
产品结构框图
产品特性
输入电压范围
Without BIAS: 1.1 V to 6.0 V
With BIAS: 0.7 V to 6.0 V
输出电压噪声:2.45 µVRMS
线路、负载和温度范围内的 1%(最大值)精度
低压差:5 A 时为 75 mV
电源抑制比 (5A):
1 kHz 时为 100 dB
10 kHz 时为 78 dB
100 kHz 时为 60 dB
1 MHz 时为 36 dB
卓越的负载瞬态响应:
±2mV,100mA 至 5A 负载阶跃
可调输出电压范围:0.5 V 至 5.2 V
可调软启动浪涌控制
偏置导轨:
内部电荷泵或 3V 至 11V 外部电源轨
可以禁用内部电荷泵
开漏、电源正常 (PG) 输出
封装:3mm × 3mm、16 引脚 WQFN
EVM RθJA:21.9°C/W
主要参数
输出选项:可调输出
输出(最大)(A):5
输入电压 (最大) (V):6
输入电压 (Min) (V):0.7
输出电压(最大值)(V):5.2
Vout (Min) (V):0.5
噪声(uVrms):2.1
Iq (典型值) (mA):5
热阻θJA (°C/W):40.3
负载电容(Min) (µF):15
调节输出(#):1
特点:可调限流、使能、折返过流保护、输出放电、电源良好、软启动、热关断
准确度(%):1
PSRR @ 100 KHz (dB):60
压差 (Vdo) (Typ) (mV):75
工作温度范围(℃):-40 to 125
产品应用
宏远程无线电单元 (RRU)
室外回程单元
有源天线系统 mMIMO (AAS)
超声波扫描仪
实验室和现场仪器
传感器、成像和雷达
封装
资源链接
产品页面
数据手册
TPS7A57 5-A, Low-VIN (0.7 V), Low-Noise (2.1 μVRMS), High-Accuracy (1%), Ultra-Low Dropout (LDO) Voltage Regulator
其它技术交流渠道
TI E2E™ 设计支持论坛
设计工具
库/模型
CAD库文件
官网库文件
产品典型应用电路图
评估板信息
评估板型号
TPS7A57EVM-056
评估板图片
评估板介绍:TPS7A57 适用于 5A、低输入电压、低噪声、高精度 LDO 稳压器的评估模块
特性
输入电压范围:0.7 V 至 6 V
可选输出电压:0.5 V 至 5 V
VBIAS 范围:3 V 至 11 V
有源输出放电
电流基准和单位增益低压差 (LDO)
用户指南
TPS7A57EVM-056 Evaluation Module User's Guide
原理图
相关器件
TPS2597
电子保险丝和热插拔控制器
TPS7A14
线性和低压降 (LDO) 稳压器
TPS53688
降压控制器(外部开关)
TPS62866
降压转换器(集成开关)
TPSM63602
降压模块(集成电感器)
购买渠道
官网样片申请及购买
现货分销商网站购买
BOM2BUY
Digikey
Mouser
TI 授权半导体经销商
联系TI
电话
+86-400-819-8694
+852-3704-4888
+65-6579-2446
+886-2-7724-9372
评论
0 / 100
发表评论
查看更多
FPGAStudy
2022-08-05
1529
线性和低压降 (LDO) 稳压器
硬禾服务号
关注最新动态
0512-67862536
info@eetree.cn
江苏省苏州市苏州工业园区新平街388号腾飞创新园A2幢815室
苏州硬禾信息科技有限公司
友情链接
STEP小脚丫
纳芯微电子
Copyright © 2024 苏州硬禾信息科技有限公司 All Rights Reserved 苏ICP备19040198号