项目/活动
资讯
毕业设计
电赛
云芯易绘
商城
Seeed专区
参考资料
仿真/工具
AI助手
发布项目
登录
/
注册
首页
>
文档笔记
>
器件
>
模拟链路
ADPD6000——光学混合信号器件
收藏
分享
脑图
ADPD6000
基本信息
描述:ADPD6000 是一款高度集成的模拟前端 (AFE),专为测量各种生命体征信号而设计。
厂商:ADI
器件类别:光学混合信号器件
产品图片
产品结构框图
产品特性
光学通道
4 个输入通道,具有多种工作模式以适应多种传感器测量:
可同步采样的双通道处理
12 个可编程时隙,适用于同步传感器测量
灵活的输入多路复用,支持单端传感器测量
4 个发光二极管驱动器,可以同时驱动其中 2 个
灵活的采样速率:0.004 Hz 至 9 kHz(使用内部振荡器)
发射和接收信号链的 SNR:117 dB(采用片外滤波)
AC 环境光抑制:78 dB 至 100 Hz
总 LED 峰值驱动电流为 400 mA
TIA 输入采用 9 位控制,高达 300 μA 时单独的环境光抑制 DAC
TIA 输入采用 7 位控制,高达 190 μA 时单独的 LED 直流消除 DAC
ECG 通道
诊断时的 0.75 μV rms RTI 噪声滤波带宽 (150 Hz)
高输入阻抗:3 GΩ
接受高达 1.2 V 直流差分输入范围
共模抑制比:116 dB
两电极或三电极配置
交流导联脱落检测和直流导联脱落检测
BIA 通道
低功耗高精度激发路径
可配置的输出频率范围高达 250 kHz
采用 12 位 DAC 的正弦波激发
高精度,具有不平衡的大接触阻抗
采用低噪声设计的可配置接收滤波器
复阻抗测量引擎
同时支持外部校准和内部校准
支持 SPI 通信
640 字节 FIFO
采用 2.6 mm × 2.6 mm、0.4 mm 间距、36 球晶圆级芯片规模封装 (WLCSP)。
产品应用
可穿戴健康和保健监护仪:心率、心率变异性、SpO2、人体阻抗分析、水分、无袖无创血压监测
家庭患者监护
工业监测:粒子、气溶胶、气体和导电性检测
封装
资源链接
产品页面
数据手册
用户手册
文章
技术文章
ADI新一代产品ADPD6000:多模VSM生命体征健康监测方案
ADI多模式生命体征监测传感器前端解决方案ADPD6000
医疗健康芯片本土化设计突破,ADI用高精度重新定义可穿戴
作者: 陈鹏
微信公众号文章
ADI参加2022亚洲智能穿戴展,推出新一代产品ADPD6000:多模VSM生命体征健康监测方案
其它技术交流渠道
ADI技术支持
EngineerZone中文技术论坛
设计工具
库/模型
CAD库文件
官网库文件
Ultralibrian库文件
评估板信息
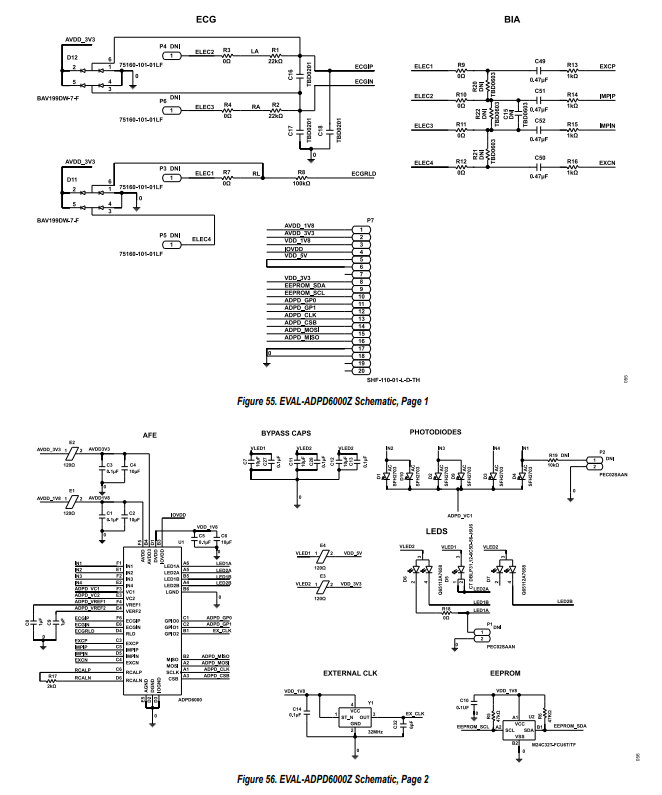
评估板型号:EVAL-ADPD6000
原理图
评估板图片
评估板介绍:EVAL-ADPD6000Z 可以评估 AFE 特性,并验证基于 AFE 的系统设计。根据应用的需求,用户可以使用电缆连接或蓝牙连接,在 PC 与 EVAL-ADPD6000Z 之间建立通信。
用户手册
相关器件
ADAL6110-16
ADPD4100
ADPD4101
ADPD4000
ADPD4001
ADPD1081
ADPD1080
购买渠道
官网样品申请及购买
现货分销商网站购买
Digikey
BOM2BUY
办事处与代理商
ADI 中国技术支持中心:4006-100-006
Email:china.support@analog.com
评论
0 / 100
发表评论
查看更多
迪迦。
2022-06-28
1711
光学传感器
硬禾服务号
关注最新动态
0512-67862536
info@eetree.cn
江苏省苏州市苏州工业园区新平街388号腾飞创新园A2幢815室
苏州硬禾信息科技有限公司
友情链接
STEP小脚丫
纳芯微电子
Copyright © 2024 苏州硬禾信息科技有限公司 All Rights Reserved 苏ICP备19040198号