项目/活动
资讯
毕业设计
电赛
云芯易绘
商城
Seeed专区
参考资料
仿真/工具
AI助手
发布项目
登录
/
注册
首页
>
文档笔记
>
器件
>
电源管理
LM337
收藏
分享
脑图
器件型号
基本信息
描述:LM337是可调节的3端负电压稳压器,能够在-1.2 V至-37 V的输出电压范围内提供超过-1.5 A的电流。它们只需要两个外部电阻来设置输出电压和一个输出电容器用于频率补偿。
厂商(德州仪器TI)
器件类别:电压稳压器
产品图片
产品结构框图
产品特性
主要参数
产品应用
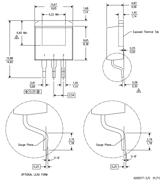
封装
DDPAK/TO-263 (KTT)
TO-220 (KCS)
资源链接
产品页面
数据手册
应用说明
A Topical Index of TI LDO Application Notes
LDO PSRR Measurement Simplified
Maximum Power Enhancement Techniques for Power Packages
Linear Regulators: Theory of Operation and Compensation
LM340 Series Three Terminal Positive Regulators
3-Terminal Regulator is Adjustable
文章
技术文章
三端集成线性稳压器的电路原理及应用
作者名字:21ic
线性稳压电源
作者名字:山渣树上山渣
微信公众号文章
什么是线性稳压电源?有什么特点?
作者名字:21ic电子网
其它技术交流渠道
网站
社区
设计工具
库/模型
CAD库文件
官网库文件
TO-263
TO-252
TO-220
Ultralibrian库文件
LM337BD2TG
LM337BD2TR4G
LM337BTG
SnapEDA库文件
LM337T
LM337IMPX
IBIS模型
设计参考
参开设计:用于保护继电器的 30W 超宽范围电源
参考设计简述:此用于保护继电器的电源解决方案处理超宽范围的交流 (88-276VAC) 和直流 (24-250VDC) 输入,使其成为为各种保护继电器供电的理想平台。此电源设计为输出许多保护继电器所需的工业标准电压(如 +/- 12V 和隔离 6.75V),同时还提供出色的线路和负载调整 (< +/- 3%)。此解决方案为大功率 (30W) 而设计,具有很高的效率(高达 78%),还针对 IEC61000-4(EFT 和浪涌)和 CISPR 11 A 类(干扰)进行了认证前测试。
系统框图
原理图
PCB布局图
物料清单
CAD文件
成品图片
TI器件
UCC28600
LMS33460
TPS40210
TL431
参开设计:用于保护继电器的小尺寸 12W 超宽范围电源
参考设计简述:这个用于保护继电器的小型 12W 电源解决方案可处理超宽范围的交流和直流输入,因此非常适合为需要采用小型外壳的各种较低功耗的保护继电器供电。此电源根据设计可输出保护继电器所需的工业标准电压,同时还提供出色的线路和负载调节。此解决方案为大功率而设计,具有很高的效率,还针对 IEC61000-4(EFT 和浪涌)和 CISPR 11 A 类(干扰)进行了认证前测试。
系统框图
原理图
PCB布局图
物料清单
CAD文件
成品图片
TI器件
UCC28740
LMS33460
TPS40210
TL431
光绘文件
组装图
评估板信息
评估板型号:LM317A-337N-EVM
评估板图片
评估板介绍
使用手册
原理图
pcb板图
顶层
底层
相关器件
功能替代器件:LM237
购买渠道
样品申请
官网购买
现货分销商网站购买
BOM2BUY
Digikey
Mouser
Arrow
Element14
授权分销商
Newark
英国Farnell公司中国代理北京欧时创通公司
社区链接
地址:北京市北京海淀区大钟寺13号华杰大厦10B9
联系电话:86-010-62139030
安富利电子元件
地址:广东 深圳 广东 深圳市 南山区西丽镇长源工业区
电话:0755-2697981
邮箱:Asia-ADS-Contact@Avnet.com
Allied Electronics & Automation
TME
Wuhan P&S
电话:400-800-8051
评论
0 / 100
发表评论
查看更多
我叫搞事情
2019-07-18
2497
硬禾服务号
关注最新动态
0512-67862536
info@eetree.cn
江苏省苏州市苏州工业园区新平街388号腾飞创新园A2幢815室
苏州硬禾信息科技有限公司
友情链接
STEP小脚丫
纳芯微电子
Copyright © 2024 苏州硬禾信息科技有限公司 All Rights Reserved 苏ICP备19040198号