项目/活动
资讯
毕业设计
电赛
云芯易绘
商城
Seeed专区
参考资料
仿真/工具
AI助手
发布项目
登录
/
注册
首页
>
文档笔记
>
器件
>
微处理器/微控制器
STM32F407
收藏
分享
脑图
器件型号
基本信息
描述:STM32F407xx系列基于高性能ARM ®-M4 32位RISC核心在高达168兆赫的频率工作。Cortex-M4内核具有浮点单元(FPU)单精度,支持所有ARM单精度数据处理指令和数据类型。它还实现了一整套DSP指令和一个内存保护单元(MPU),可增强应用程序的安全性。
厂商(ST)
器件类别:嵌入式
产品图片
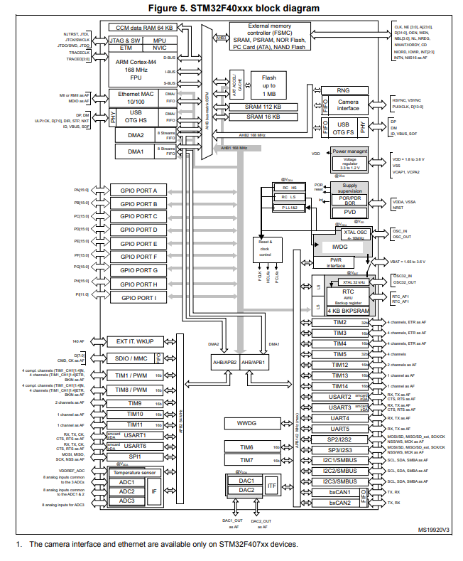
产品结构框图
产品特性
主要参数
产品应用
封装
LQFP64封装
LQFP100封装
LQFP144封装
LQFP176
资源链接
产品页面
数据手册
STM32F407IE
STM32F407VE
STM32F407VG
STM32F407IG
STM32F407ZE
STM32F407ZG
应用说明
使用STM32F4 / F7 / H7系列接收S / PDIF音频流
使用肌电图技术检测肌肉活动
使用 STM32F4DISCOVERY 进行音频播放和录音
Audio playback and recording using the STM32F4DISCOVERY
使用 STM32 微控制器系列中的 DAC生成音频和波形
STM32Cube firmware examples for STM32F4 Series
文章
技术文章
文章标题:从入门到开发,STM32F407单片机全中文教程
作者名字:EEFOCUS
文章标题:STM32F407和STM32F051主从I2C通信方法
作者名字:华清远见讲师
视频课程
嵌入式系统
讲师名字:毕盛,汪秀敏,唐杰,毛爱华
其它技术交流渠道
网站
社区
设计工具
库/模型
CAD库文件
Ultralibrian库文件
STM32F407IE
STM32F407IEH6
STM32F407IET6
STM32F407VE
STM32F407VET6
STM32F407VG
STM32F407VGT6
STM32F407VGT7
STM32F407VGT6TR
STM32F407IG
STM32F407IGT6
STM32F407IGH7
STM32F407IGH6
STM32F407ZE
STM32F407ZET6
STM32F407ZET7
STM32F407ZG
STM32F407ZGT6
STM32F407ZGT6J
STM32F407ZGT7
SnapEDA库文件
STM32F407IE
STM32F407IET6
STM32F407IEH7
STM32F407IEH6
STM32F407VE
STM32F407VET6
STM32F407VG
STM32F407VGT6
STM32F407VGT7
STM32F407IG
STM32F407IGT6
STM32F407IGH6
STM32F407IGH7
STM32F407IGT7
STM32F407ZE
STM32F407ZET6
STM32F407ZET7
STM32F407ZG
STM32F407ZGT6
STM32F407ZGT7
官方库
IBIS模型
BSDL模型
系统视图
设计参考
设计参考:正点原子 stm32f407开发板原理图和PCB 探索者
PCB布局图
成品图片)
设计参考:基于STM32F407的openmv项目设计资料
原理图和PCB
工程代码
实物图
评估板信息
评估板型号:STM3240G-EVAL
评估板图片
评估板介绍
使用手册
原理图
gerber文件
购买渠道
样品申请
STM32F407IG
STM32F407IE
STM32F407VE
STM32F407VG
STM32F407ZE
STM32F407ZG
官网购买
STM32F407IG
STM32F407IE
STM32F407VE
STM32F407VG
STM32F407ZE
STM32F407ZG
现货分销商网站购买
BOM2BUY
Digikey
Mouser
Arrow
Element14
授权分销商
安富利电子元件
地址:广东 深圳 广东 深圳市 南山区西丽镇长源工业区
电话:0755-2697981
邮箱:Asia-ADS-Contact@Avnet.com
Newark
Wuhan P&S
电话:400-800-8051
TME
英国Farnell公司中国代理北京欧时创通公司
社区链接
地址:北京市北京海淀区大钟寺13号华杰大厦10B9
联系电话:86-010-62139030
Rutronik
评论
0 / 100
发表评论
查看更多
我叫搞事情
2019-07-14
5303
硬禾服务号
关注最新动态
0512-67862536
info@eetree.cn
江苏省苏州市苏州工业园区新平街388号腾飞创新园A2幢815室
苏州硬禾信息科技有限公司
友情链接
STEP小脚丫
纳芯微电子
Copyright © 2024 苏州硬禾信息科技有限公司 All Rights Reserved 苏ICP备19040198号