项目/活动
资讯
毕业设计
电赛
云芯易绘
商城
Seeed专区
参考资料
仿真/工具
AI助手
发布项目
登录
/
注册
首页
>
文档笔记
>
器件
>
数据转换
ADS7142-Q1 - 具有 1.8V 运行电压的2 通道纳瓦级功耗模数转换器
收藏
分享
脑图
ADS7142-Q1 - 具有 1.8V 运行电压的2 通道纳瓦级功耗模数转换器
基本信息
描述:具有 1.8V 运行电压的汽车类 12 位 140kSPS 2 通道纳瓦级功耗 SAR ADC
厂商(TI)
器件类别:模数转换器
产品图片
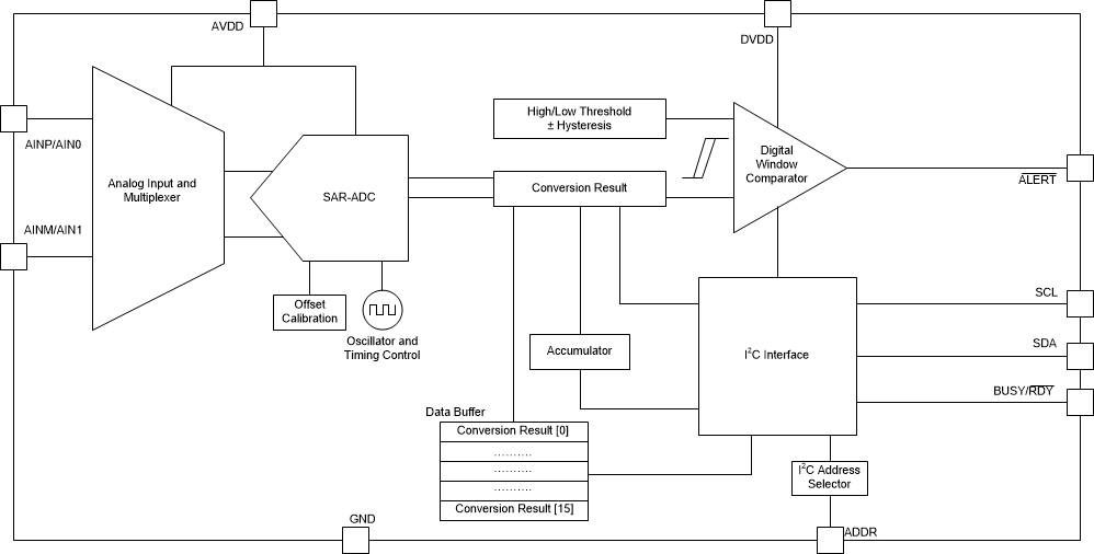
产品结构框图
产品特性
产品应用
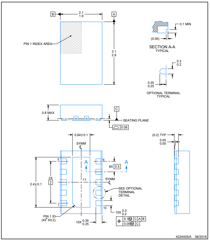
封装
资源链接
产品页面
数据手册
文章
ADS7142-Q1 具有 1.8V 运行电压的汽车类 12 位、140kSPS、双通道毫微功耗 SAR ADC
作者:佚名
视频课程
摘要
校准和计量精度结果
ADS131M04中性点切除干扰电流检测模式
设计工具
库
CAD库文件
Ultralibrian库文件
BOOSTXL-ADS7142-Q1
ADS7142-Q1 2 通道 12 位 140 kSPS I2C 兼容 ADC 增压器™模块
评估板信息
评估板型号:BOOSTXL-ADS7142-Q1
评估板图片
评估板介绍
用户手册
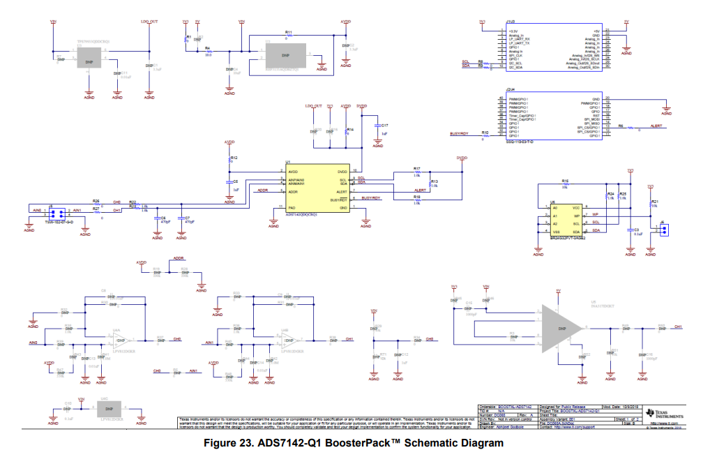
示意图
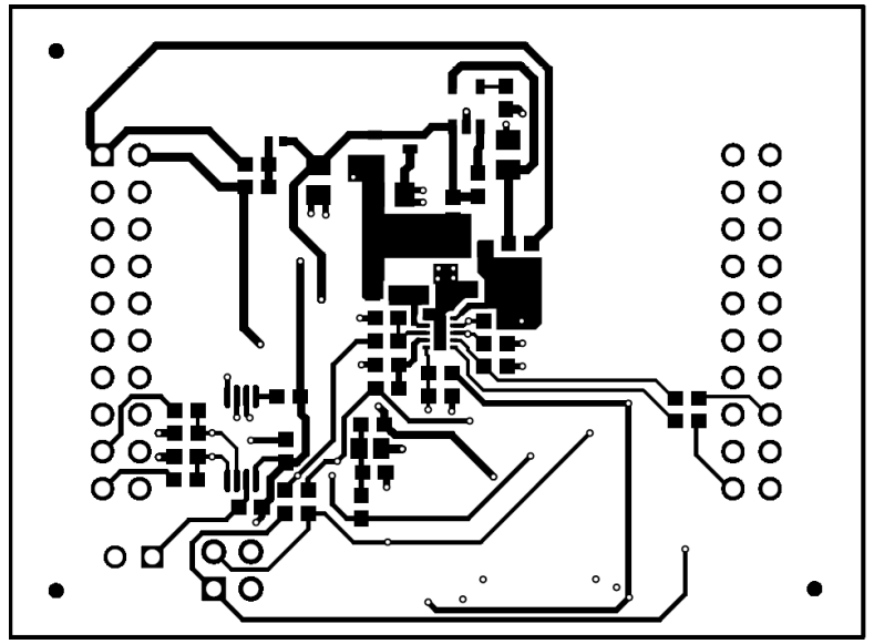
pcb板图
购买渠道
样品申请及购买
现货分销商网站购买
BOM2BUY
Digikey
Mouser
授权分销商
Avnet americas
地址:2211 South 47th Street Phoenix, AZ USA 85034
联系电话:4806432000
评论
0 / 100
发表评论
查看更多
1503881740
2020-07-22
1249
硬禾服务号
关注最新动态
0512-67862536
info@eetree.cn
江苏省苏州市苏州工业园区新平街388号腾飞创新园A2幢815室
苏州硬禾信息科技有限公司
友情链接
STEP小脚丫
纳芯微电子
Copyright © 2024 苏州硬禾信息科技有限公司 All Rights Reserved 苏ICP备19040198号