项目/活动
资讯
毕业设计
电赛
云芯易绘
商城
Seeed专区
参考资料
仿真/工具
AI助手
发布项目
登录
/
注册
首页
>
文档笔记
>
器件
>
数据转换
DAC80501 - 具有精密内部基准电压的电压输出 DAC
收藏
分享
脑图
DAC80501 - 具有精密内部基准电压的电压输出 DAC
基本信息
描述:具有精密内部基准电压且采用 SON 封装的真正 16 位、单通道、SPI/I2C、电压输出 DAC
厂商(TI)
器件类别:数模转换器
产品图片
产品结构框图
产品特性
产品应用
示波器(DSO)
半导体测试
数据采集(DAQ)
LCD测试
小型蜂窝基站
模拟输出模块
过程分析(pH、气体、浓度、力和湿度)
直流电源、交流电源、电子负载
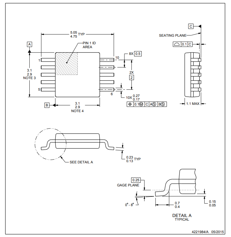
封装
资源链接
产品页面
数据手册
文章
DAC80501 具有精密内部基准的 16 位、1LSB INL、数模转换器 (DAC)
作者:佚名
视频课程
DAC的应用
TI精密实验室-DACs
Key AC and DC Specifications for DACs
设计工具
库
CAD库文件
Ultralibrian库文件
DAC80501ZDQFT
WSON 封装中的真 16 位、1-ch、SPI/I2C 电压输出 DAC
DAC80501MDQFT
WSON 封装中的真 16 位、1-ch、SPI/I2C 电压输出 DAC
DAC80501ZDGST
WSON 封装中的真 16 位、1-ch、SPI/I2C 电压输出 DAC
SnapEDA库文件
DAC80501MDGSR
真正的 16 位,1-ch,SPI/I2C,WSON 封装中的电压输出 DAC,具有精确的内部参考 10-VSSOP -40 至 125
DAC80501ZDQFR
WSON 封装中的真 16 位、1-ch、SPI/I2C 电压输出 DAC,具有精密内部参考 8-WSON -40 至 125
DAC80501MDQFT
WSON 封装中的真 16 位、1-ch、SPI/I2C 电压输出 DAC,具有精密内部参考 8-WSON -40 至 125
Electronic Component库文件
DAC80501MDQFT
WSON 封装中的真 16 位、1-ch、SPI/I2C 电压输出 DAC,具有精密内部参考 8-WSON -40 至 125
DAC80501MDGSR
真正的 16 位,1-ch,SPI/I2C,WSON 封装中的电压输出 DAC,具有精确的内部参考 10-VSSOP -40 至 125
DAC80501ZDQFT
WSON 封装中的真 16 位、1-ch、SPI/I2C 电压输出 DAC,具有精密内部参考 8-WSON -40 至 125
评估板信息
评估板型号:DAC80501EVM
评估板图片
评估板介绍
用户手册
示意图
pcb板图
购买渠道
样品申请及购买
现货分销商网站购买
BOM2BUY
Digikey
Mouser
授权分销商
Avnet americas
地址:2211 South 47th Street Phoenix, AZ USA 85034
联系电话:4806432000
Arrow Electronics
地址:中国(上海)自由贸易试验区巴圣路360号1幢A部
联系电话:+86 400-920-0628
评论
0 / 100
发表评论
查看更多
1503881740
2020-07-21
2796
硬禾服务号
关注最新动态
0512-67862536
info@eetree.cn
江苏省苏州市苏州工业园区新平街388号腾飞创新园A2幢815室
苏州硬禾信息科技有限公司
友情链接
STEP小脚丫
纳芯微电子
Copyright © 2024 苏州硬禾信息科技有限公司 All Rights Reserved 苏ICP备19040198号