项目/活动
资讯
毕业设计
电赛
云芯易绘
商城
Seeed专区
参考资料
仿真/工具
AI助手
发布项目
登录
/
注册
首页
>
文档笔记
>
器件
>
模拟链路
TDA7388
收藏
分享
脑图
器件型号:TDA7388
基本信息
描述:TDA7388是一款AB级音频功率放大器,采用FlexiWatt 25封装,专为高端车载收音机应用而设计。基于完全互补的PNP/NPN配置,TDA7388允许无需自举电容器的轨对轨输出电压摆动。极为减少的边界组件数允许非常紧凑的集合。
厂商(ST)
器件类别:音频功率放大器
产品图片
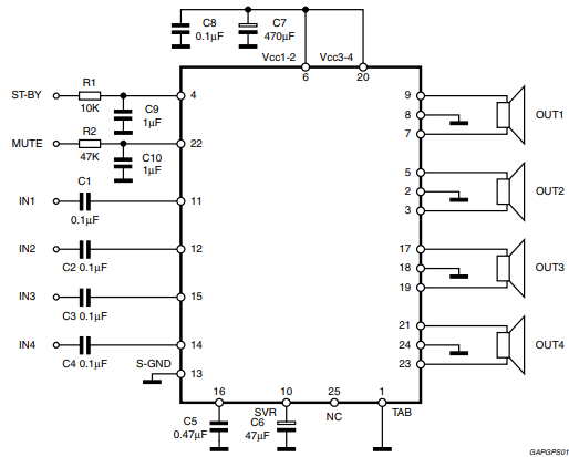
应用电路
产品特性
主要参数
产品应用
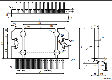
封装
封装1
资源链接
产品页面
数据手册
应用说明
4 x 45 W四桥汽车收音机放大器
智能模拟功率放大器
功率放大器和稳压器
文章
技术文章
解读车载AM/FM收音机电路
来源:RF技术社区
微信公众号文章(多个)
内置功放的大屏智能车机
原创: CarCAV
【国庆出游挑个好导航】最全产品介绍,建议收藏
原创: 八方达
视频课程
用TDA7388制作四声道功率放大器
来源:腾讯
视频平台:优酷
设计工具
库/模型
CAD库文件
Ultralibrian库文件
TDA7388
SnapEDA库文件
TDA7388
TDA7388A
Components 库文件
TDA7388
TDA7388A
相关器件
TDA7851L
购买渠道
样品申请
官网购买
现货分销商网站购买
BOM2BUY
Digikey
Mouser
Arrow
Element14
授权分销商
Farnell
地址:北京市北京海淀区大钟寺13号华杰大厦10B9
联系电话:(北京) 010-56323688
安富利
联系电话:(86 21) 3367 8791
评论
0 / 100
发表评论
查看更多
我叫搞事情
2019-10-01
3769
硬禾服务号
关注最新动态
0512-67862536
info@eetree.cn
江苏省苏州市苏州工业园区新平街388号腾飞创新园A2幢815室
苏州硬禾信息科技有限公司
友情链接
STEP小脚丫
纳芯微电子
Copyright © 2024 苏州硬禾信息科技有限公司 All Rights Reserved 苏ICP备19040198号