内容介绍
内容介绍
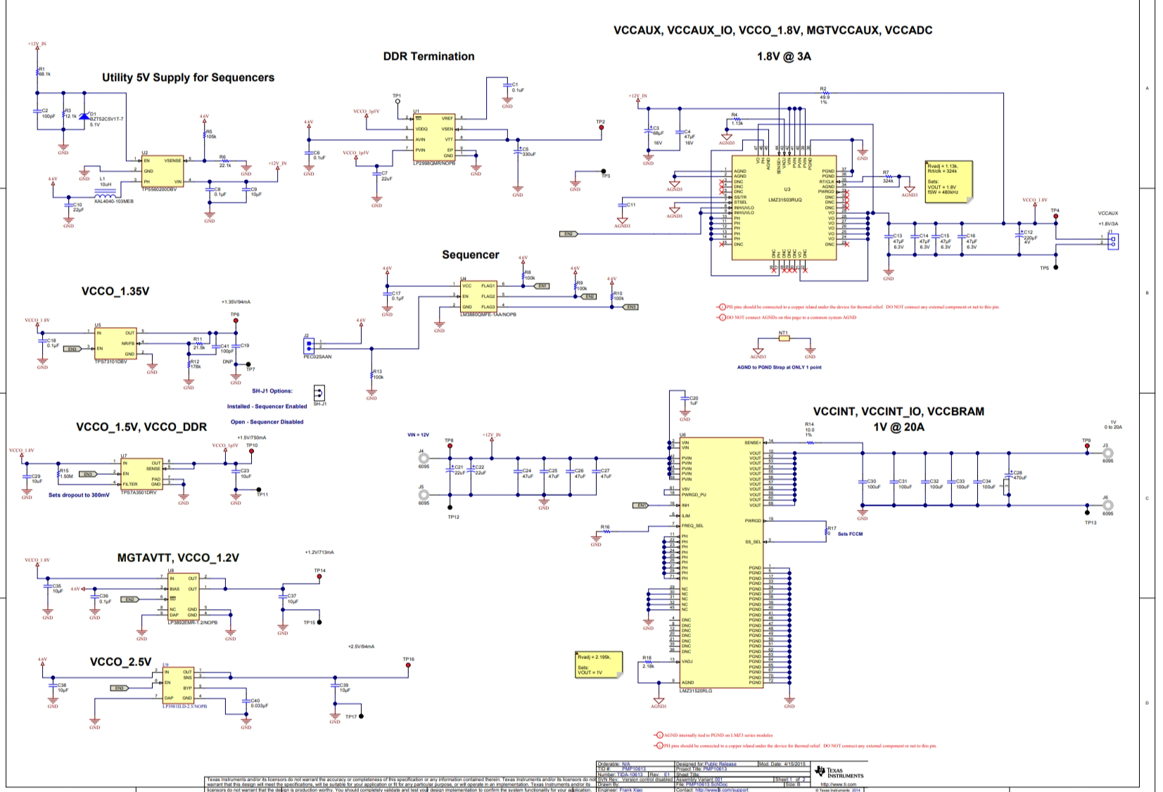
PMP10613 参考设计提供为 Xilinx 供电所需的所有电源轨 Zynq 7000系列(XC7Z045) FPGA。该设计使用多个 LMZ3 系列模块、LDO 和 DDR 终端稳压器来提供为 FPGA 供电所需的所有电源轨。它还具有 1 个 LM3880,用于什么用途 上电和断电排序。本设计使用 12V 输入。
特性
- 提供 Xilinx® Zynq® 7000 系列 (XC7Z045) 所需的所有电源轨
- 优化设计以支持 12V 输入
- 板载加电和断电排序
- 支持DDR3内存设备
- 模块设计,方便使用
软硬件
元器件
附件下载
Bill of materials (BOM)-TIDREQ5.pdf
Gerber file-TIDCA96.zip
Schematic-TIDREQ4.pdf
原理图PDF
全屏
评论
0 / 100
查看更多







