内容介绍
内容介绍
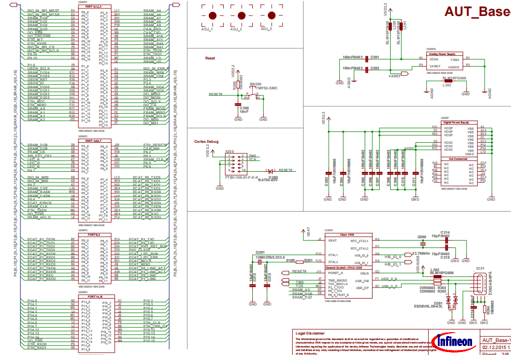
KIT_XMC48_AUT_BASE_V3是英飞凌技术公司(Infineon Technologies AG)推出的一款基于ARM Cortex-M4内核的XMC4800微控制器的开发板。这款开发板具备多种通信接口和外设,非常适合用于评估XMC4800微控制器在EtherCAT从设备应用中的性能。它支持以太网、CAN、ISOFACE™接口,并配备了外部存储器如SDRAM和FRAM。此外,开发板还提供了调试功能,可以通过10针Cortex™调试接口进行程序和调试。
附件下载
使用说明文件-XMC4800 Automation Board-V2 User Manual-Infineon-XMC4800_Automation_Board-V2-UM-v01_00-EN.pdf
使用说明文件-XMC4800 Automation Board-V3 User Manual-Infineon-XMC4800_Automation_Board-V3-UserManual-v01_00-EN.pdf
其他文件-XMC4000 Automation Eagle-Infineon-XMC4000_Automation_Eagle-PCB-v01_00-EN.zip
其他文件-XMC4800 Automation Board V2-Infineon-XMC4800%20Automation%20Board-V2_PB-PB-v01_00-EN.pdf
评论
0 / 100
查看更多
