内容介绍
内容介绍
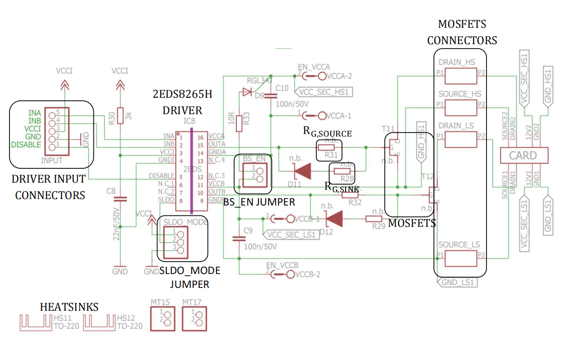
这个评估套件是为英飞凌的双通道增强型隔离栅极驱动器IC 2EDS8265H设计的,属于“EiceDRIVER”2EDi系列。它提供了一个完整的驱动电路测试平台,使用户能够逐步探索2EDS8265H的特性,并评估驱动电路对信号传输到负载的影响。该双通道驱动器适用于为两个TO-220封装的MOSFET供电,这些MOSFET可以安装在电路板上,并可以选择使用英飞凌的“CoolMOS”超结MOSFET或“OptiMOS”功率MOSFET解决方案。评估套件需要外部函数发生器和直流电源来提供给2EDS8265H输入信号。用户可以通过香蕉连接器向MOSFET通电并触发设备开关,但必须构建适当的外部电路来提供高电压和限制电流。此外,电路板设计还包括焊盘,以便可能的子卡连接。
附件下载
其他文件-Data Sheet 2EDS8265H-Infineon-2EDS8265H-DataSheet-v02_08-EN.pdf
其他文件-Gate Driver ICs - EiceDRIVER 2EDi product family-Infineon-EiceDRIVER_2EDi_productfamily-ProductBrief-v04_00-EN.pdf
其他文件-General description KIT_DRIVER_2EDS8265H-Infineon-GeneralDescription_KIT_DRIVER_2EDS8265H-AdditionalTechnicalInformation-v01_00-EN.pdf
其他文件-Important safety and operating instructions-Infineon-Board_safety_and_operating_instructions-AdditionalProductInformation-v01_00-EN.pdf
其他文件-Quick start guide for KIT_DRIVER_2EDS8265H-Infineon-Quickstartguide_KIT_DRIVER_2EDS8265H-ATI-v01_00-EN.pdf
评论
0 / 100
查看更多
