1kW非隔离Buck-Boost DC-DC转换器参考设计
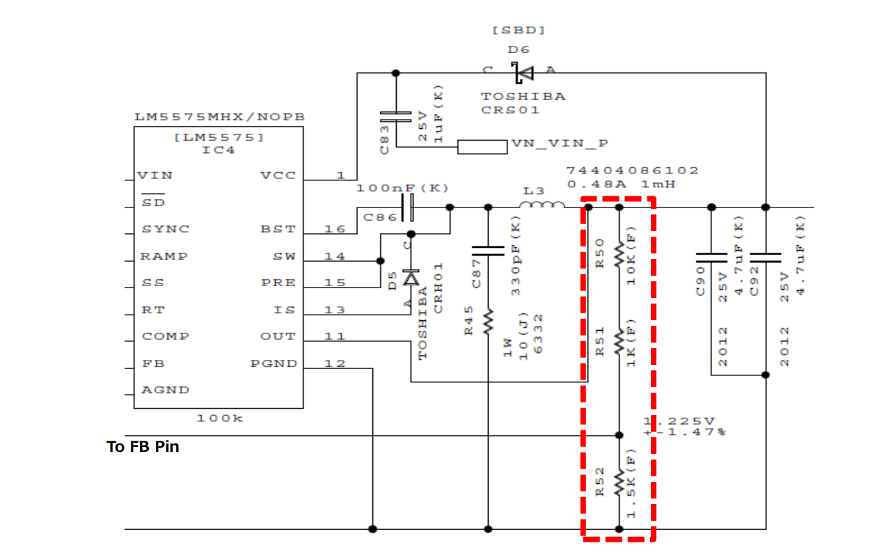
该参考设计提供了1千瓦非隔离升降压(Buck-Boost)直流-直流(DC-DC)转换器的设计指南。文档包含了详细的电路板设计数据和元件列表,旨在帮助工程师设计高效、稳定的电源转换解决方案。它适用于通信设备,能够提供高达1千瓦的功率转换,同时保持电路的简洁性和系统的可靠性。
标签
电源管理
开关DC-DC转换
参考电路设计
TOSHIBA
更新2024-08-26
40

内容介绍

项目来源:

该参考设计提供了1千瓦非隔离升降压(Buck-Boost)直流-直流(DC-DC)转换器的设计指南。文档包含了详细的电路板设计数据和元件列表,旨在帮助工程师设计高效、稳定的电源转换解决方案。它适用于通信设备,能够提供高达1千瓦的功率转换,同时保持电路的简洁性和系统的可靠性。

附件下载
PCB生产文件-PCB fabrication data_Gerber format.zip
PCB生产文件-PCB fabrication data_ODB++.zip
PCB生产文件-PCB files_Allegro PCB.zip
PCB生产文件-PCB files_Altium Designer.zip
PCB生产文件-PCB files_CR5000BD rev.16.zip
PCB生产文件-PCB files_CR5000BD rev.19.zip
PCB生产文件-PCB files_CR5000BD rev.22.zip
PCB生产文件-PCB files_CR8000DF.zip
PCB生产文件-PCB files_LPB G-Format.zip
PCB生产文件-PCB files_Quadcept.zip
PCB生产文件-PCB layers.zip
其他文件-Circuit diagram.zip
原理图-Circuit schematic_Altium Designer.zip
原理图-Circuit schematic_CR5000SD.zip
原理图-Circuit schematic_CR8000DG.zip
原理图-Circuit schematic_EDIF.zip
原理图-Circuit schematic_OrCAD.zip
原理图-Circuit schematic_Quadcept.zip
参考设计文件-Design guide.pdf
参考设计文件-Reference guide.pdf
物料清单文件-BOM.pdf
评论
0 / 100
查看更多
硬禾服务号
关注最新动态
0512-67862536
info@eetree.cn
江苏省苏州市苏州工业园区新平街388号腾飞创新园A2幢815室
苏州硬禾信息科技有限公司
Copyright © 2024 苏州硬禾信息科技有限公司 All Rights Reserved 苏ICP备19040198号