内容介绍
内容介绍
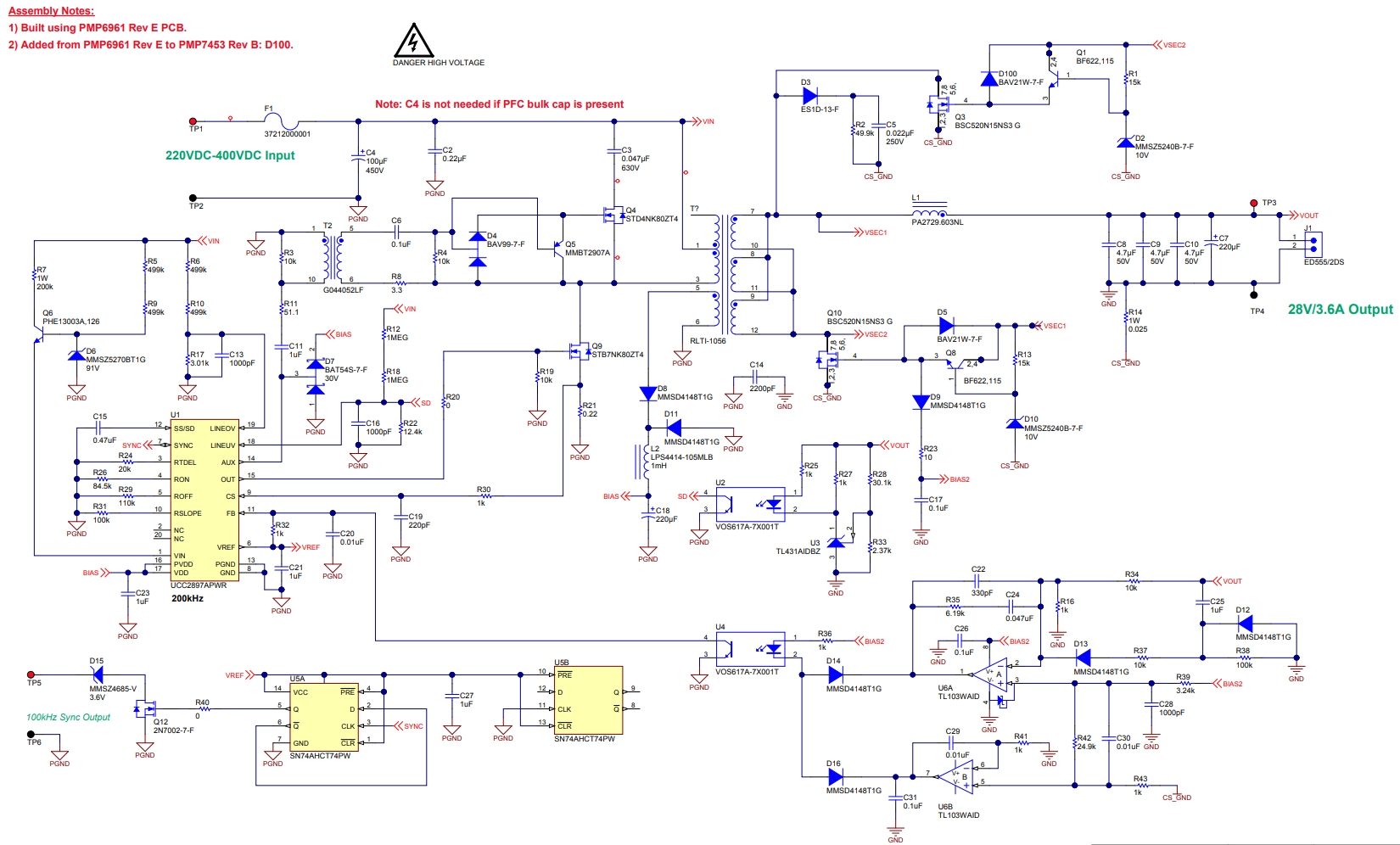
此参考设计可从高电压直流输入生成隔离型 28V/100W 输出。此设计适用于从 PFC 前端调节器输出进行操作。UCC2897A 用于控制有源钳位正向转换器。其凭借自驱动同步整流器,可实现高达 92% 以上的效率。直接感应输出电流可精确地对电流进行限制。还可提供时钟脉冲输出,以与其他转换器同步。
特性
- 高效率
- 自驱动同步整流器
- 良好的散热性能
附件下载
Assembly drawing-TIDRCP6.pdf
Bill of materials (BOM)-SLURAS8.pdf
Schematic-SLURAS7.pdf
原理图PDF
全屏
评论
0 / 100
查看更多
