内容介绍
内容介绍
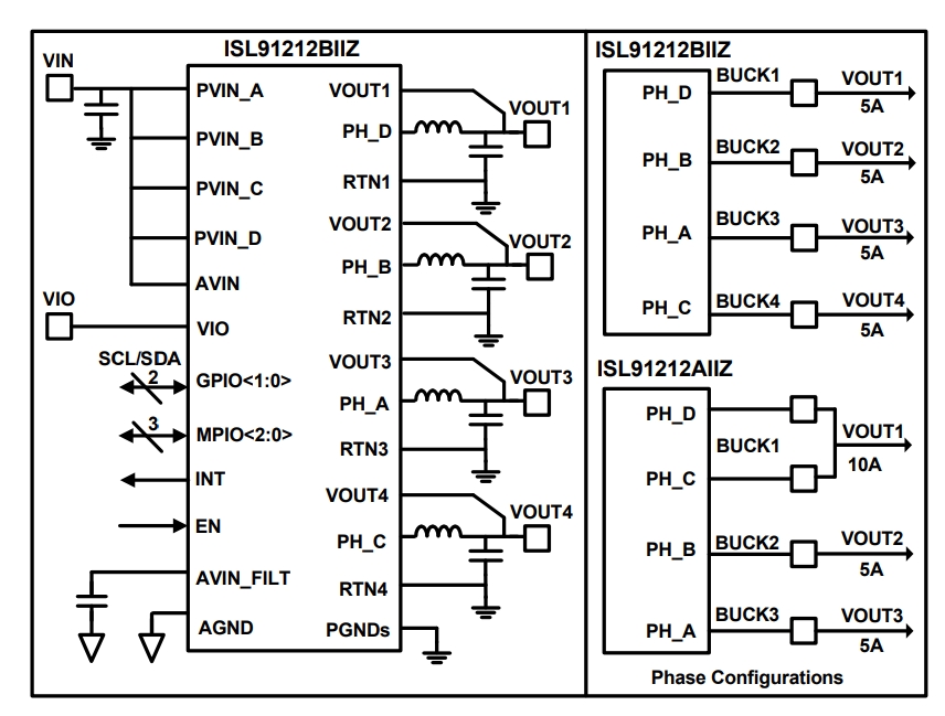
ISL91212BEVAL1Z 是一款评估板,专为测试和评估 ISL91212B 多输出电源管理集成电路(PMIC)的高性能特性而设计。 这款 PMIC 拥有四个独立的功率控制器,能够配置为实现四个相同通道的输出。 每个通道都能提供高达 5A 的连续输出电流,确保强大的供电能力。 ISL91212B 采用瑞萨专有的 R5 调制器技术,以实现精确的电压调节和优异的效率与瞬态响应。 此外,它还支持标准的 I2C 通信协议,非常适合用于单节电池供电的系统。
‘
附件下载
其他文件-isl91212a-isl91212b-datasheet.pdf
评论
0 / 100
查看更多
