内容介绍
内容介绍
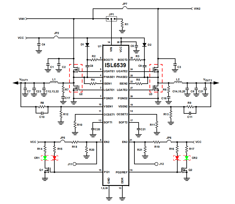
ISL6539EVAL2评估板是一款为宽输入范围、具备DDR选项的双脉冲宽度调制(PWM)控制器ISL6539设计的测试平台。该评估板即插即用,支持实验室电源测试,能够对两个独立的稳压输出通道进行外部负载测试和电压监控。板上配备了两个LED指示灯,分别显示两个通道的PGOOD信号状态,以及四个示波器探测点,便于进行深入的信号分析。此外,还提供了四个跳线,用于实现对电路的控制和监控。
附件下载
使用说明文件-isl6539eval2-user-guide.pdf
其他文件-isl6539-datasheet.pdf
评论
0 / 100
查看更多
