内容介绍
内容介绍
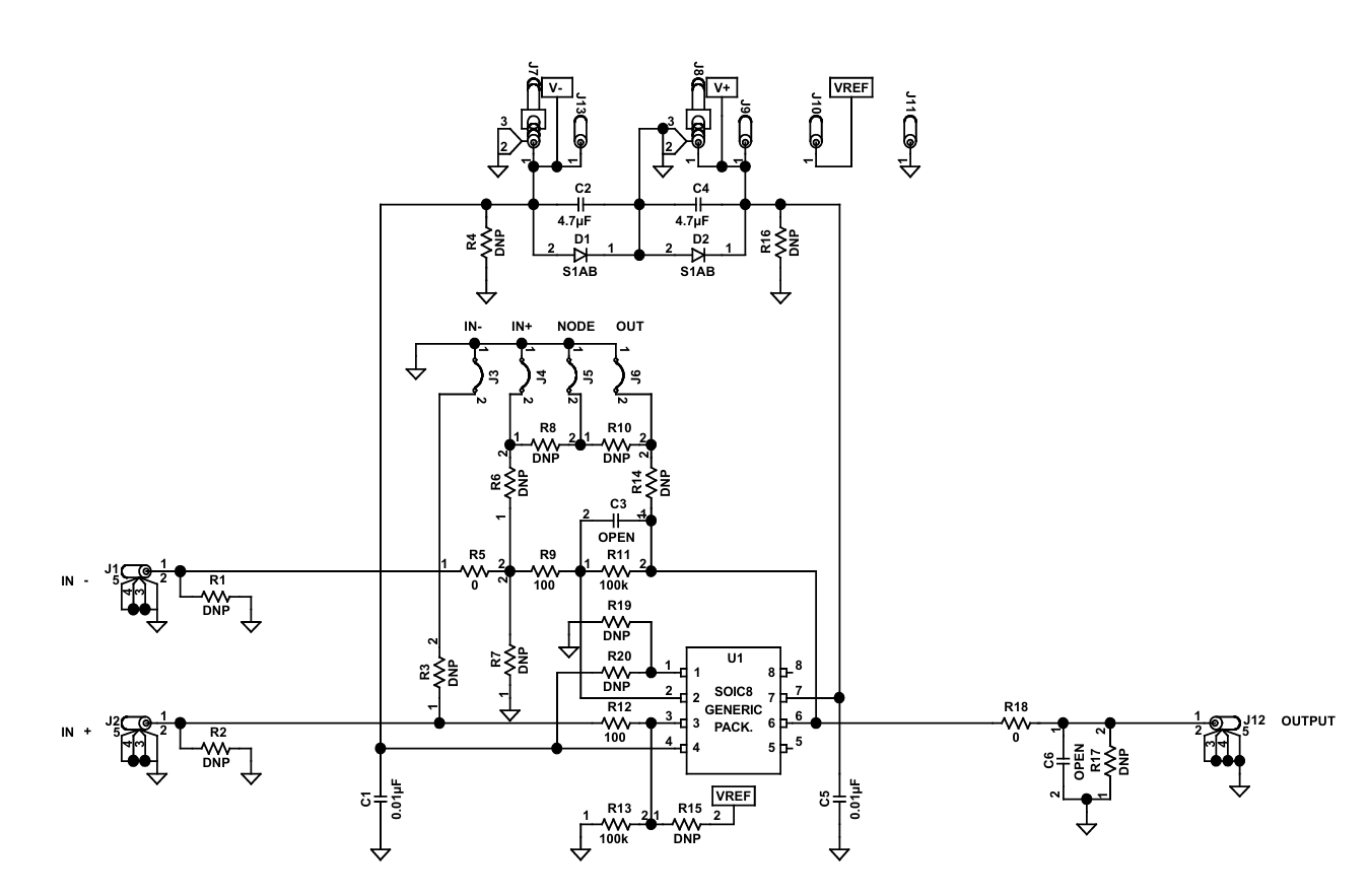
ISL28134SOICEVAL1Z 评估板是一个专门设计的平台,用于评估 ISL28134 低噪声斩波稳定运算放大器的性能。该评估板配备了一整套电路,专门用于测试 ISL28134 放大器的高性能特征。这款斩波稳定的轨到轨输入/输出放大器具有一个低至 2.5μV 的最大 VOS 和 15nV/°C 的温度漂移。它在低至 0.1Hz 的频率下没有 1/f 噪声角,并且在 1kHz 时具有 10nV/√Hz 的电压噪声密度。凭借 174dB 的高开环增益,它能够实现高增益单级直流放大,即使在仅使用 3V 单节电池供电的情况下,也能以 700μA 的低电流消耗运行。ISL28134SOICEVAL1Z 评估板可以被配置为一个精密的高增益(G = 1,000V/V)差分放大器,以展示这款放大器可能达到的高性能水平。
附件下载
使用说明文件-isl28134soiceval1z-user-guide.pdf
其他文件-isl28134-datasheet.pdf
参考设计文件-isl28134soiceval1z-design-files.zip
评论
0 / 100
查看更多
