内容介绍
内容介绍
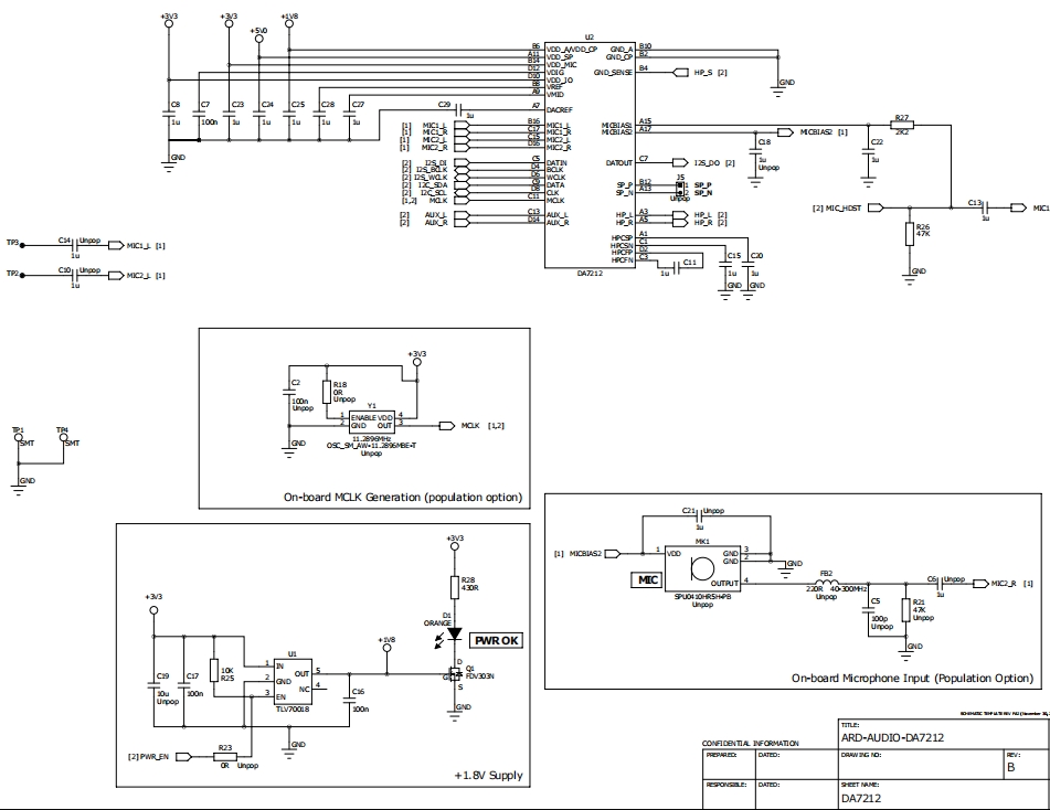
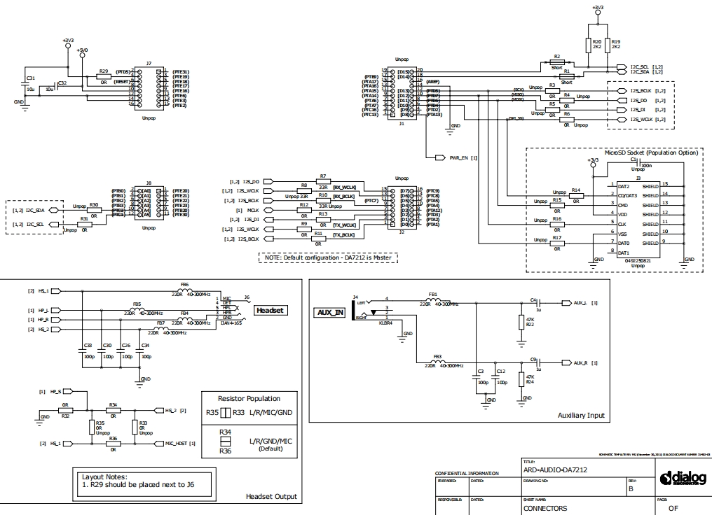
ARD-AUDIO-DA7212 是一款音频屏蔽模块,由于其与 Arduino R3 引脚布局兼容,因此可与多种 MCU 开发平台配合使用。音频屏蔽可与市售开发平台配合使用,例如 Freescale “Freedom”、Intel “Galileo”、Microchip “chipKIT” 和 Arduino。ARD-AUDIO-DA7212 屏蔽具有 DA7212 音频编解码器。 DA7212 是一款超低功耗音频编解码器,非常适合独立音频/视频数字处理器、IC 录音机和许多其他便携式应用。音频前端同时支持立体声 FM 线路输入,带有四个模拟(或两个模拟和两个数字)麦克风,带有两个独立的麦克风偏置。提供全面的模拟混音和旁路路径到输出驱动器。耳机输出为真接地 G 类,带有集成电荷泵。还有一个差分 AB 类扬声器驱动器,可用作单声道线路输出。
附件下载
PCB生产文件-ard-audio-da7212-pcb-layout.pdf
PCB生产文件-da7212-gerber-file.zip
使用说明文件-ard-audio-da7212-audio-shield-user-guide.pdf
其他文件-da7212-datasheet.pdf
其他文件-open-source-drivers.zip
原理图-ard-audio-da7212-reference-design-schematic.pdf
物料清单文件-ard-audio-da7212-bom.pdf
原理图PDF
全屏
评论
0 / 100
查看更多
