内容介绍
内容介绍
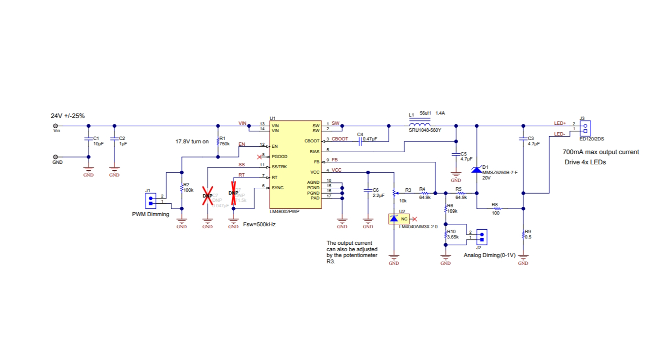
PMP10596 参考设计是一款基于 SIMPLE SWITCHER LM46002 降压稳压器的 LED 驱动器。该驱动器电路板的输入电压为 24V +/-25%,输出电流为 700mA,最多可驱动 4 个串联的 LED。LM46002 是一款具有集成 FET 的 60V、2A 同步降压稳压器,其在本设计中配置为高效恒流转换器。该配置是通过将电流感测电阻两端的电压用作反馈信号来实现。为降低感测电阻的功耗,本设计采用了 2V 基准电压通过电阻网络来偏置 FB 引脚,从而使等效反馈基准电压变为 0.35V(低于 LM46002 的 1V 反馈电压)。本参考电路板提供 3 种调光方案,即可以通过电位计、模拟电压或 PWM 信号来调节输出电流。此外,还提供了简单而灵活的控制方案来调节 LED 亮度,并且增添了输出过压保护功能以防止 LED 出现开路故障。
特性
- • 24V +/-25% 输入电压范围,最多可驱动 4 个 LED
- • 能够以高达 94% 的效率驱动 4 个 LED
- • 采用简单的电压偏置电路来降低感测电阻功耗
- • 3 种灵活的调光选项
- • LED 开路保护
- • 此电路板已经过测试,且包含设计文件和测试报告。
附件下载
Bill of materials (BOM)-TIDRCQ1.pdf
Gerber file-TIDC889.zip
PCB layout-TIDRCQ2.pdf
Schematic-TIDRCQ0.pdf
原理图PDF
全屏
评论
0 / 100
查看更多
