内容介绍
内容介绍
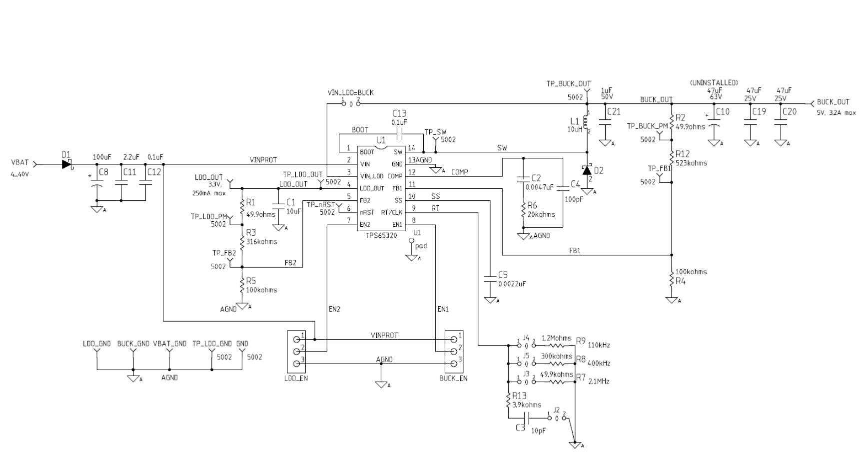
项目来源:汽车仪表板宽输入电压电源设计
此 TI 参考设计是一种汽车仪表盘宽电压输入电源解决方案,包含一个带有集成 LDO 的宽电压输入降压转换器。??还包含一个高效率同步降压直流/直流转换器。另外还包含一个线性稳压器,旨在使 DDR 终端符合 JEDEC SSTL-2 和 JEDEC SSTL-18 规格。此仪表盘电源解决方案已针对中端仪表盘市场进行优化,整个解决方案支持 6.0V-40V 系统功能,可承受启动停止和负载突降情况。前端降压转换器 (TPS65320-Q1) 能够支持 4.5V 冷启动情况。
特性
- 宽输入电压范围:6.0V - 40V,可承受启动/停止和负载突降情况
- 单片高压开关稳压器包含一个 40V 集成开关、一个功率 MOSFET 以及一个低待机电流 LDO 开关频率可编程 100kHz – 2.5MHz
- 采用 2mm x 2mm SON 封装的 3MHz 2A 降压转换器
- 将为 DDR 内存提供 VTT 端接电压的接收/源电压稳压器
附件下载
Assembly drawing-TIDRBZ4.pdf
Bill of materials (BOM)-TIDRBZ2.pdf
Gerber file-TIDC784.zip
PCB layout-TIDRBZ5.zip
Schematic-TIDRBZ1.pdf
Schematic-TIDRBZ3.pdf
Technical Reference-TIDU664.pdf
原理图PDF
全屏
评论
0 / 100
查看更多
