内容介绍
内容介绍
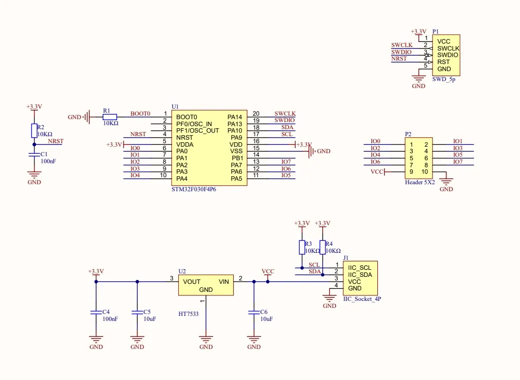
EXT.IO2是IO扩展单元,可扩展系统的输入/输出能力。它围绕STM32F030主控制器构建,并利用I2C通信接口与其他设备无缝集成。 EXT.IO2提供8个IO扩展端口,提供多种功能。EXT.IO2上的每个IO端口都支持独立配置,允许用户选择数字I/O、ADC(模数转换器)、SERVO等多种模式控制和 RGB LED 控制。这种灵活性使该装置能够处理多种类型的数字和模拟信号采集任务,从而适用于广泛的应用。EXT.IO2 的主要功能之一是它能够配置设备的 I2C 地址。此功能允许用户在同一 I2C 总线上安装多个 EXT.IO2 单元,进一步扩展 IO 资源。通过为每个单元分配不同的地址,用户可以轻松管理和控制系统中的多个EXT.IO2单元。EXT.IO2非常适合需要数字和模拟信号采集以及照明和伺服控制的应用。它可以集成到需要额外 IO 端口的系统中,从而能够采集各种类型的信号并为伺服系统和 RGB LED 等设备提供控制功能。
应用:
- IO扩展
- 伺服控制
- 多种灯光控制
- 多种模拟信号采集
软硬件
元器件
附件下载
原理图-extio2_sch_01.webp
评论
0 / 100
查看更多


