内容介绍
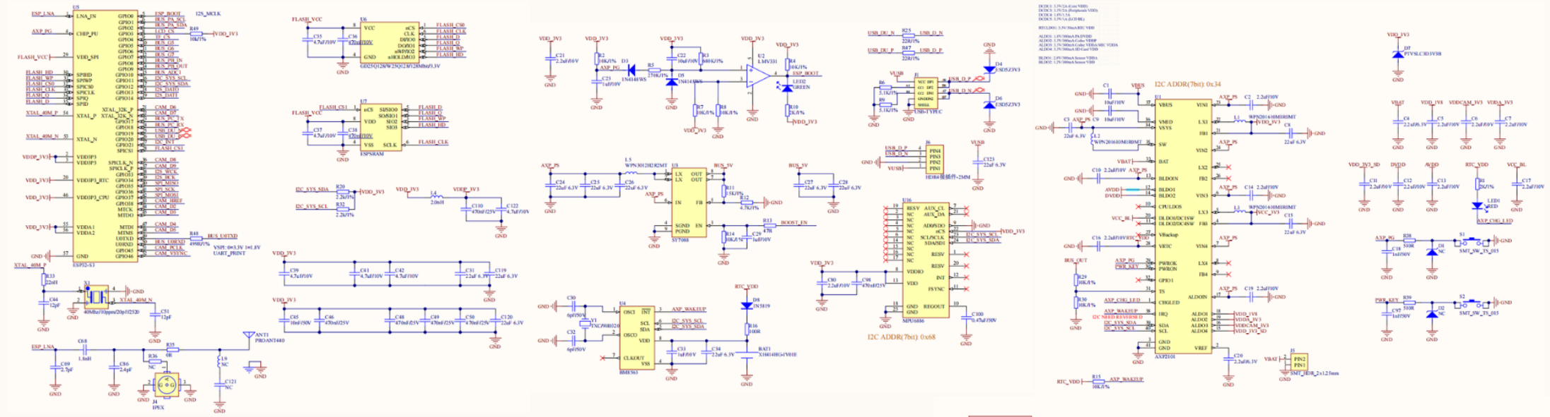
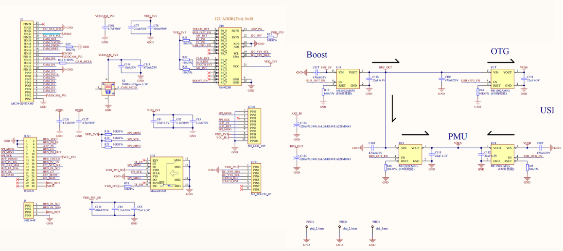
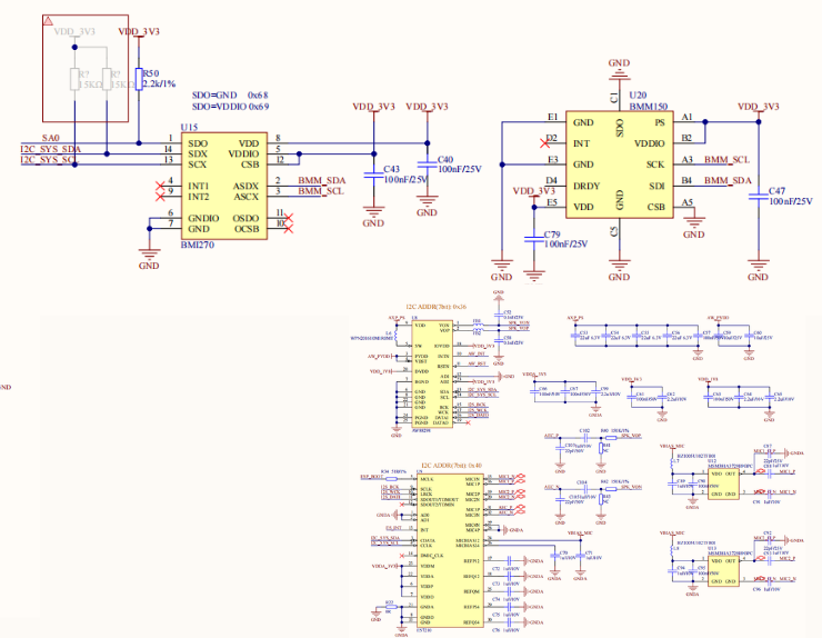
CoreS3是M5Stack Core系列的第三代。该套件由 ESP32-S3 解决方案提供支持,具有运行频率为 240MHz 的双核 Xtensa LX7 处理器。 CoreS3 配备内置 Wi-Fi 功能,可实现无缝连接。它拥有16MB板载闪存和8MB PSRAM,为程序存储提供了充足的空间。CoreS3通过其TYPE-C接口提供方便的编程选项,支持OTG和CDC功能。这样可以轻松连接外部 USB 设备并轻松刷新固件。 CoreS3采用2.0英寸电容式触摸IPS屏幕,由高强度玻璃材料保护。此外,屏幕底部还集成了 30W 像素摄像头 GC0308,并配有接近传感器 LTR-553ALS-WA,以增强功能。电源管理由AXP2101电源管理核心芯片处理,采用4路功率流控制环路实现高效功率分配。整体设计强调低功耗。 CoreS3 还具有 6 轴姿态传感器 BMI270 和磁力计 BMM150,用于精确运动检测。板载TF卡(microSD)卡插槽和BM8563 RTC芯片,可实现精确定时和睡眠定时唤醒功能。CoreS3上的声音输出通过高保真16位I2S功放芯片AW88298进行优化,配有内置 1W 扬声器,可实现清晰的音频播放。对于声音输入,该套件集成了 ES7210 音频解码芯片和双麦克风输入。设备侧面包括独立的电源按钮和重启(RST)按钮,并辅以自建的延迟电路。通过长按复位按钮,用户可以轻松进入程序下载模式。 CoreS3 套件配有 DinBase 底座,为 Din 导轨、墙壁和螺钉固定提供了方便的选择。可外接DC 12V(支持9~24V)或内置500mAh锂电池供电。 DinBase 还提供多个原型位置供用户自定义和扩展他们的项目。 CoreS3是物联网开发、各种DIY项目开发、智能家居控制系统、工业自动化控制系统的理想选择。 开机和关机操作:开机:单击左侧电源按钮关机:长按左侧电源按钮6秒重置:点击底部RST按钮
应用:
- 物联网发展
- 各种DIY项目开发
- 智能家居控制系统
- 工业自动化控制系统



