内容介绍
内容介绍
项目来源:AudioAmp 5 Click
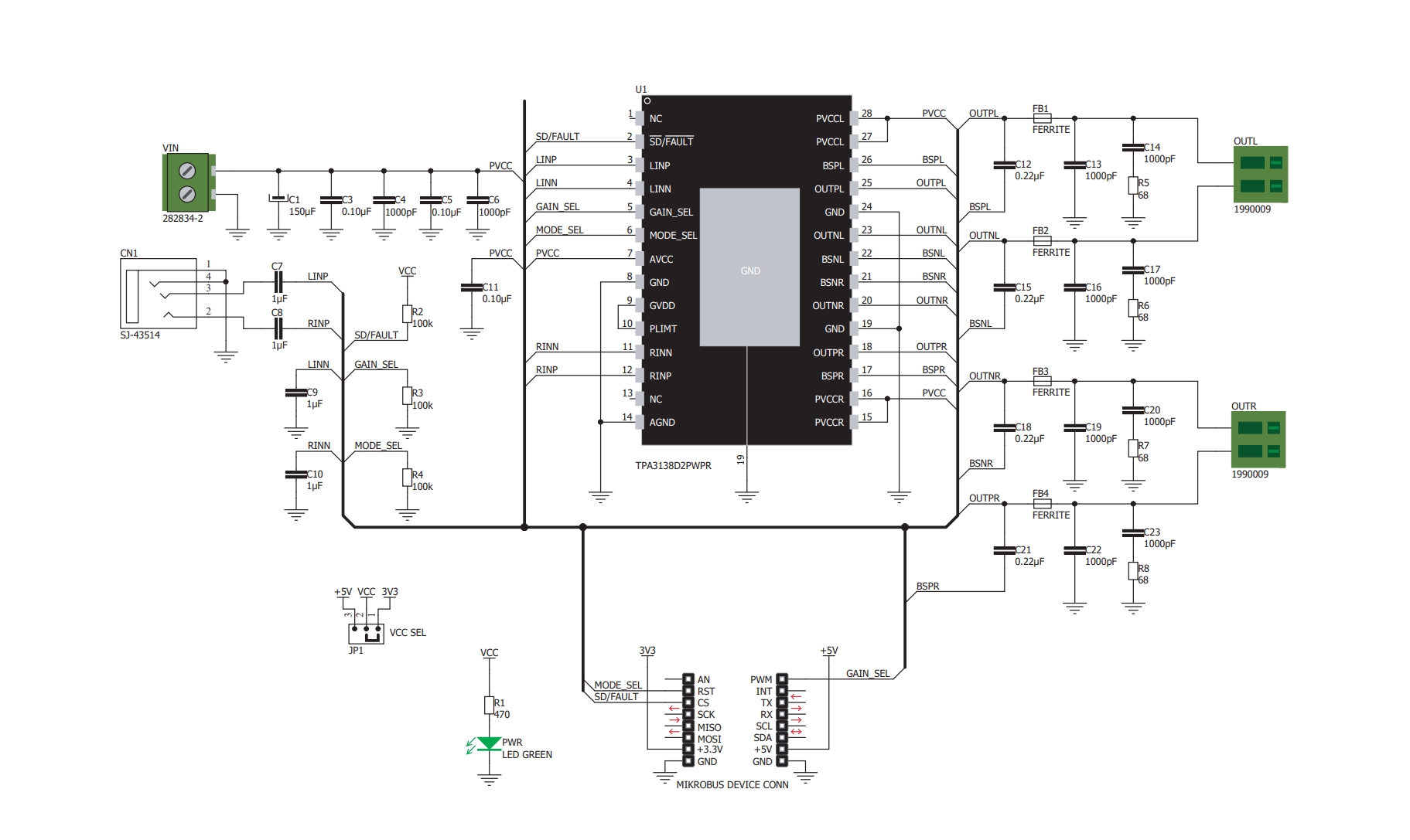
AudioAmp 5 Click 是一款立体声音频放大器,在 8 个负载下每通道能够提供高达 10W 的功率。它基于 D 类集成放大器 TPA3138D2,采用高效开关方案。空闲模式下电流约为 20mA,可实现更长时间的运行并提高热性能,使其成为各种电池供电应用的完美选择。具有扩频控制的高级 EMI 抑制功能允许使用铁氧体磁珠滤波器代替笨重的电感器,同时仍保持所需的 EMC 水平。 TPA3138D2 IC 配备了一组保护功能,可实现可靠运行。
AudioAmp 5 Click 由 mikroSDK 兼容库支持,其中包括简化软件开发的功能。该 Click 板是经过全面测试的产品,可在配备 mikroBUS 插座的系统上使用。
附件下载
原理图文件-AudioAmp-5-click-schematic-v100.pdf
结构设计文件-AudioAmp_5_click_v100_CAD.zip
原理图PDF
全屏
评论
0 / 100
查看更多
