内容介绍
内容介绍
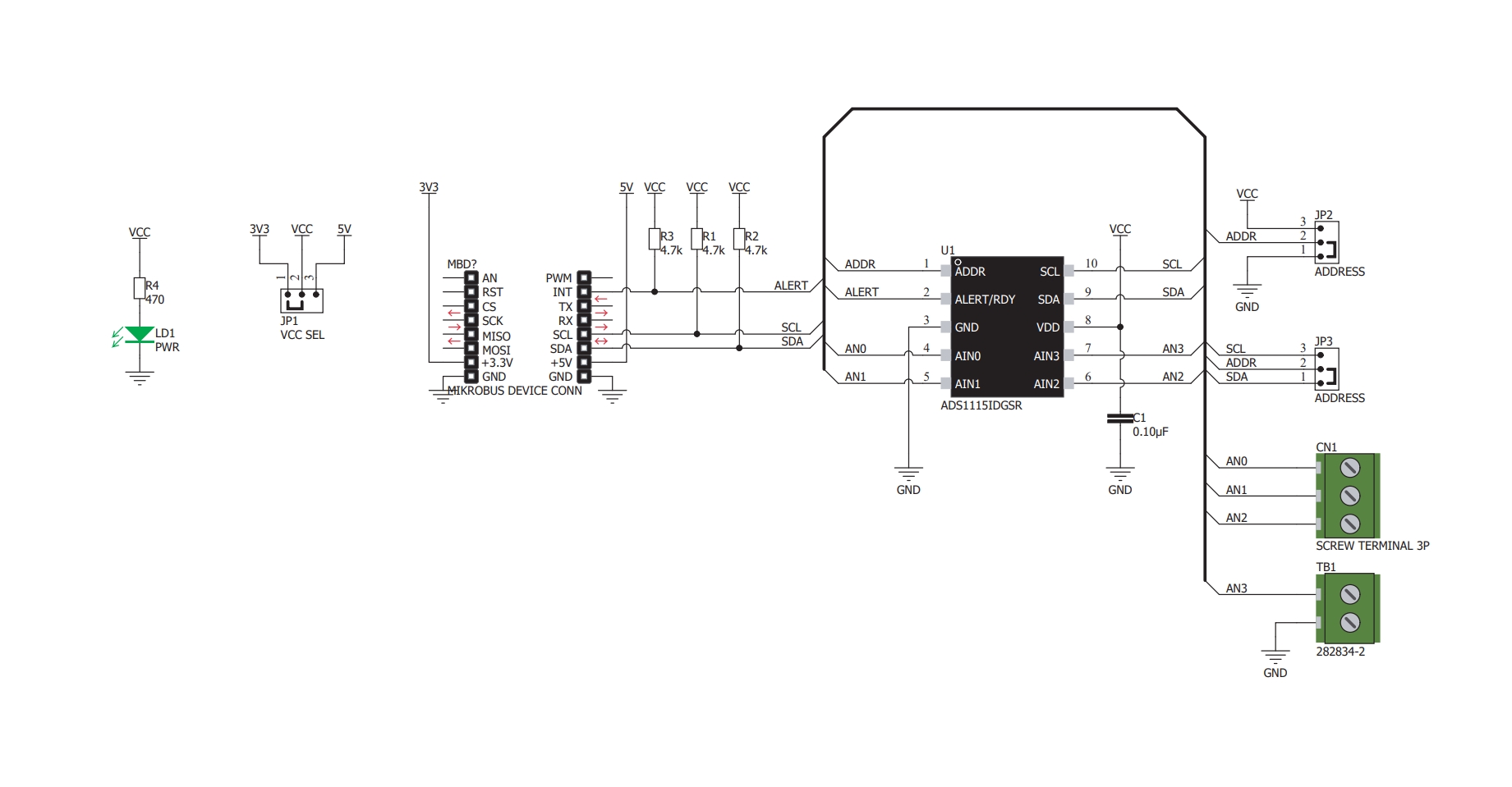
项目来源:ADC 8 Click
ADC 8 Click 是一款高精度、低功耗、16 位模数转换器 (ADC),基于 ADS1115 IC。它能够对四个单端或两个差分输入通道上的信号进行采样。尽管 ADS1115 无法使用外部基准,但它集成了低漂移可编程电压基准以及可编程增益放大器 (PGA)。这在输入信号电平方面提供了极大的灵活性:它可以对从 ±256 mV 到高达 6.144 V 的信号进行采样,从而为各种输入信号提供非常高的精度,使其成为各种仪器仪表应用的绝佳选择。
ADC 8 Click 由 mikroSDK 兼容库支持,其中包括简化软件开发的功能。该 Click 板是经过全面测试的产品,可在配备 mikroBUS 插座的系统上使用。
软硬件
元器件
附件下载
原理图文件-ADC-8-click-schematic-v100.pdf
结构设计文件-ADC_8_Click_v100_CAD.zip
原理图PDF
全屏
评论
0 / 100
查看更多

