内容介绍
内容介绍
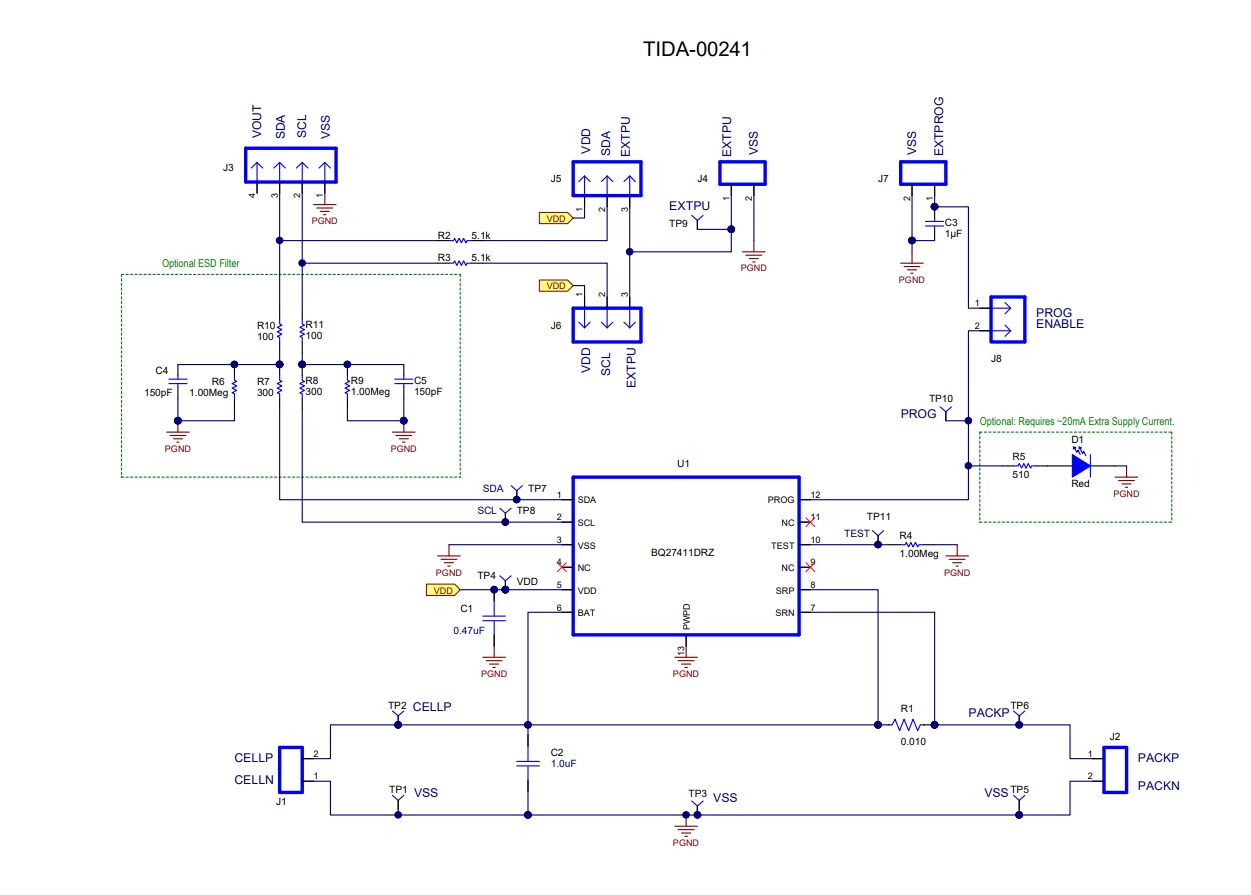
德州仪器 (TI) 的 bq27411-G1 参考设计是一款易于配置的电量监测解决方案,适用于单节串联锂离子电池组。该器件要求最低配置,并且使用一次性可编程 (OTP) 非易失性存储器 (NVM) 来避免系统处理器的初始化下载。bq27411-G1 采用已获专利的针对电量监测的 Impedance Track? 算法,并且可提供诸如剩余电量 (mAh)、充电状态 (%) 和电池电压 (mV) 等信息。
特性
- Impedance Trackt 技术
- 易于配置
- 低 BOM 数目
- 低功耗
- 该电路设计已经过测试且包含可订购的 EVM、用户指南和评估软件。
附件下载
Bill of materials (BOM)-TIDRA35.pdf
Gerber file-TIDC566.zip
Schematic-TIDRA34.pdf
原理图PDF
全屏
评论
0 / 100
查看更多
