内容介绍
内容介绍
项目来源:Opto Encoder 3 Click
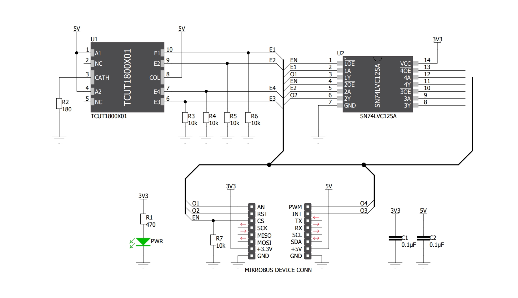
Opto Encoder 3 Click 是一款线性增量光学传感器/编码器 Click,可用于移动或旋转编码。 TCUT1800X01传感器配备1个波长950nm的红外LED和4个光电晶体管。这种类型的编码器广泛用于涉及精确检测物体的位置、速度或旋转角度的许多应用。旋转编码器通常用于许多不同设备上的各种类型的控制器。无论是旋转编码旋钮控制器还是电机轴上的旋转编码器,其原理都是相同的 - 它包括一个光学传感器,就像 Opto Encoder 3 click 上的光学传感器一样。
Opto Encoder 3 click 由 mikroSDK 兼容库支持,其中包括简化软件开发的功能。该 Click 板是经过全面测试的产品,可在配备 mikroBUS 插座的系统上使用。
附件下载
原理图文件-opto-encoder-3-click-schematic-v100.pdf
结构设计文件-proximity_10_click_2D_and_3D_files.zip
原理图PDF
全屏
评论
0 / 100
查看更多
