内容介绍
内容介绍
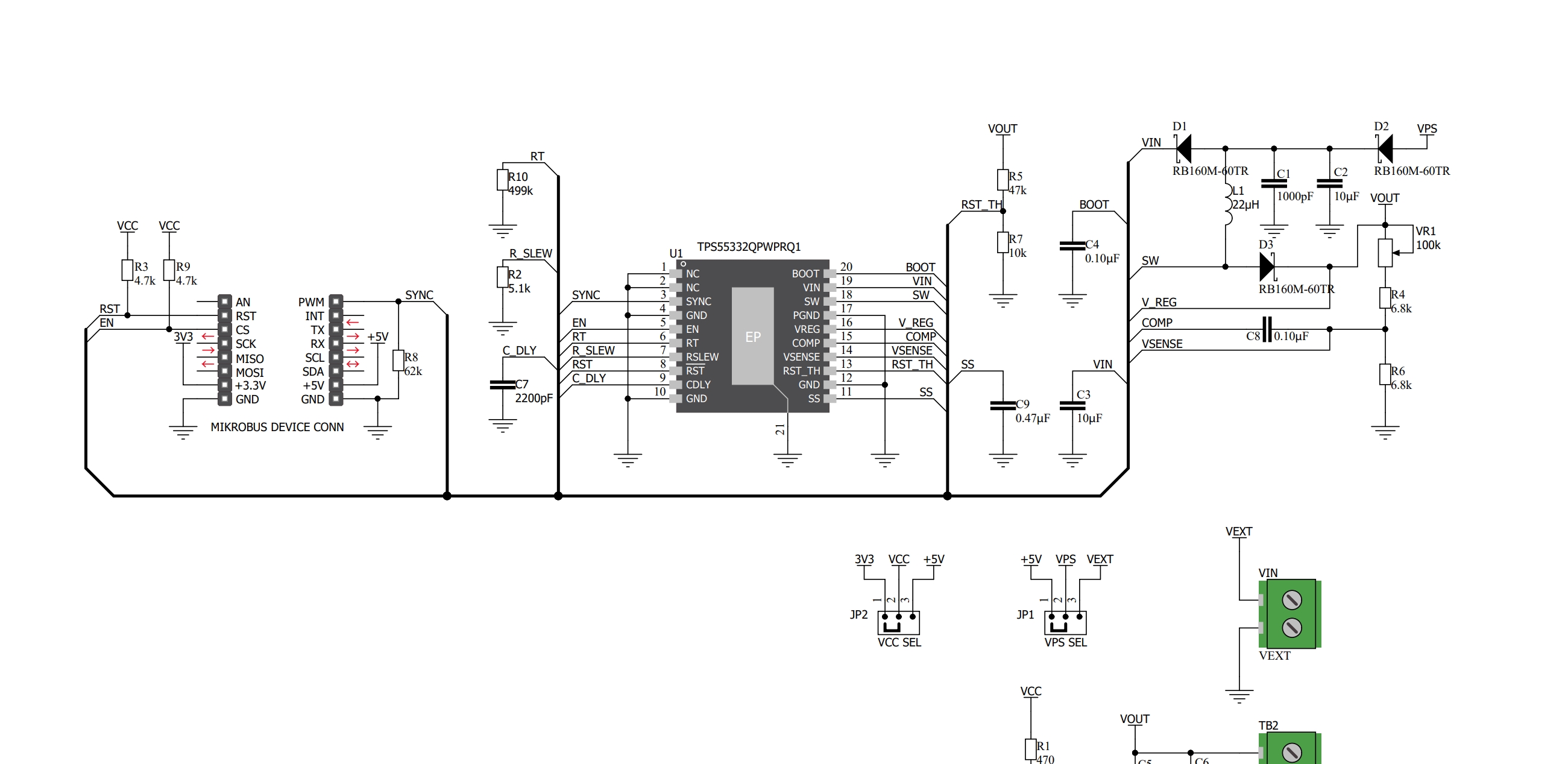
项目来源:Boost 6 Click
Boost 6 Click 是一款 Click 板,采用 TPS55332-Q1,这是一款具有集成 3A、60V 功率 MOSFET 的单片高压开关稳压器。该器件可配置为带有电压监控器的开关模式升压电源。该 Click 板可用于照明、电池供电和汽车应用等应用。
Boost 6 click 由 mikroSDK 兼容库支持,其中包括简化软件开发的功能。该 Click 板是经过全面测试的产品,可在配备 mikroBUS 插座的系统上使用。
附件下载
原理图文件-boost-6-click-schematic-v100.pdf
结构设计文件-Boost_6_click%202D_and_3D_files.zip
原理图PDF
全屏
评论
0 / 100
查看更多
