内容介绍
内容介绍
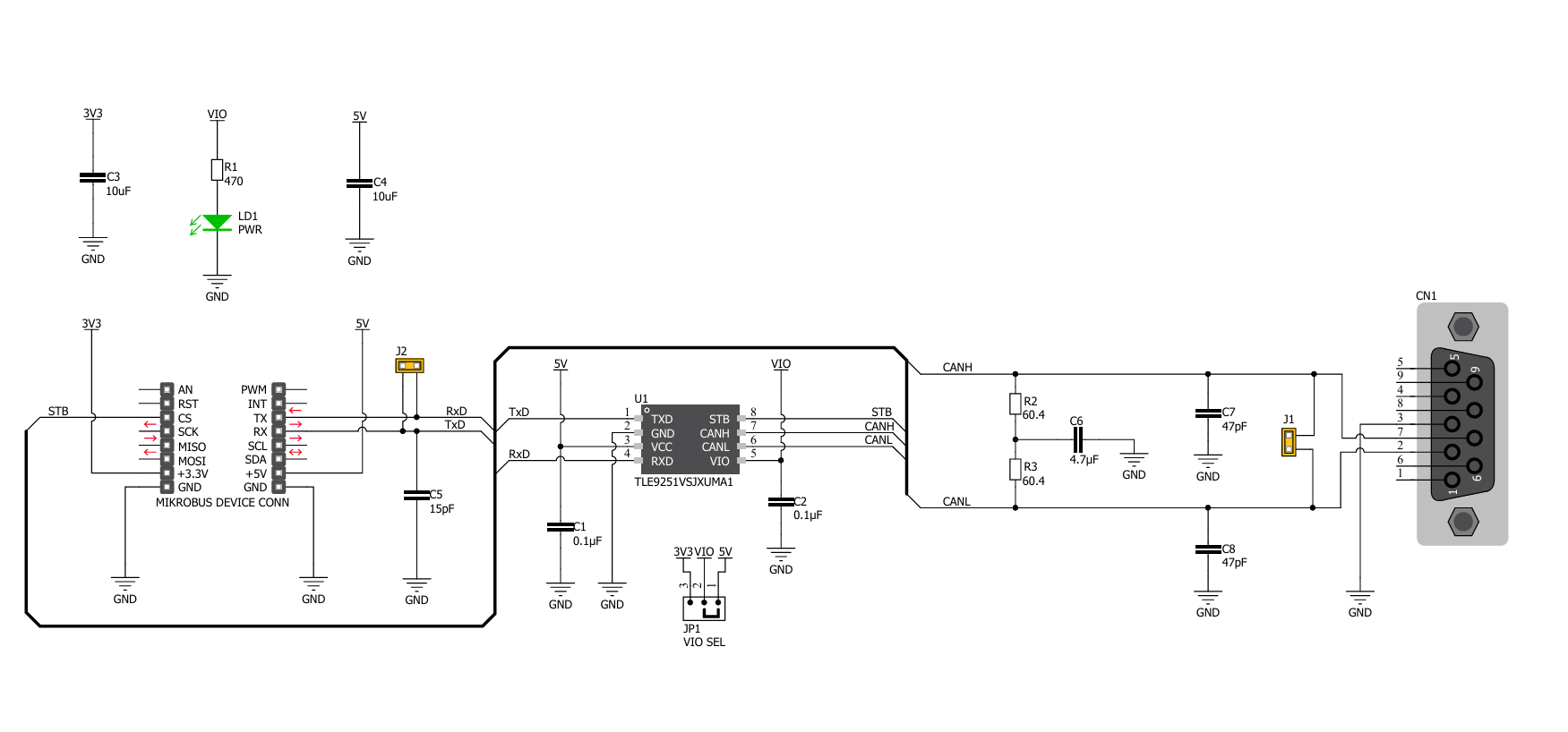
项目来源:CAN FD 3 Click
CAN FD 3 Click 是一款基于 TLE9251V CAN 网络收发器的附加板,专为汽车和工业应用中高达 5 Mbit/s 的 HS CAN 网络而设计。作为物理总线层和 CAN 协议控制器之间的接口,TLE9251V 将信号驱动到总线并保护微控制器免受网络内产生的干扰。鉴于其组件提供的所有功能,CAN FD Click 最适合用于信息娱乐应用、网关模块、车身控制模块 (BCM) 或发动机控制单元 (ECU)。
CAN FD 3 Click 板由 mikroSDK 兼容库支持,其中包括简化软件开发的功能。该 Click 板是经过全面测试的产品,可在配备 mikroBUS 插座的系统上使用。
附件下载
原理图文件-can-fd-click-schematic-v100.pdf
结构设计文件-can_fd_3_click_2d_3d_files.rar
原理图PDF
全屏
评论
0 / 100
查看更多
