内容介绍
内容介绍
项目来源:Clock Gen Click
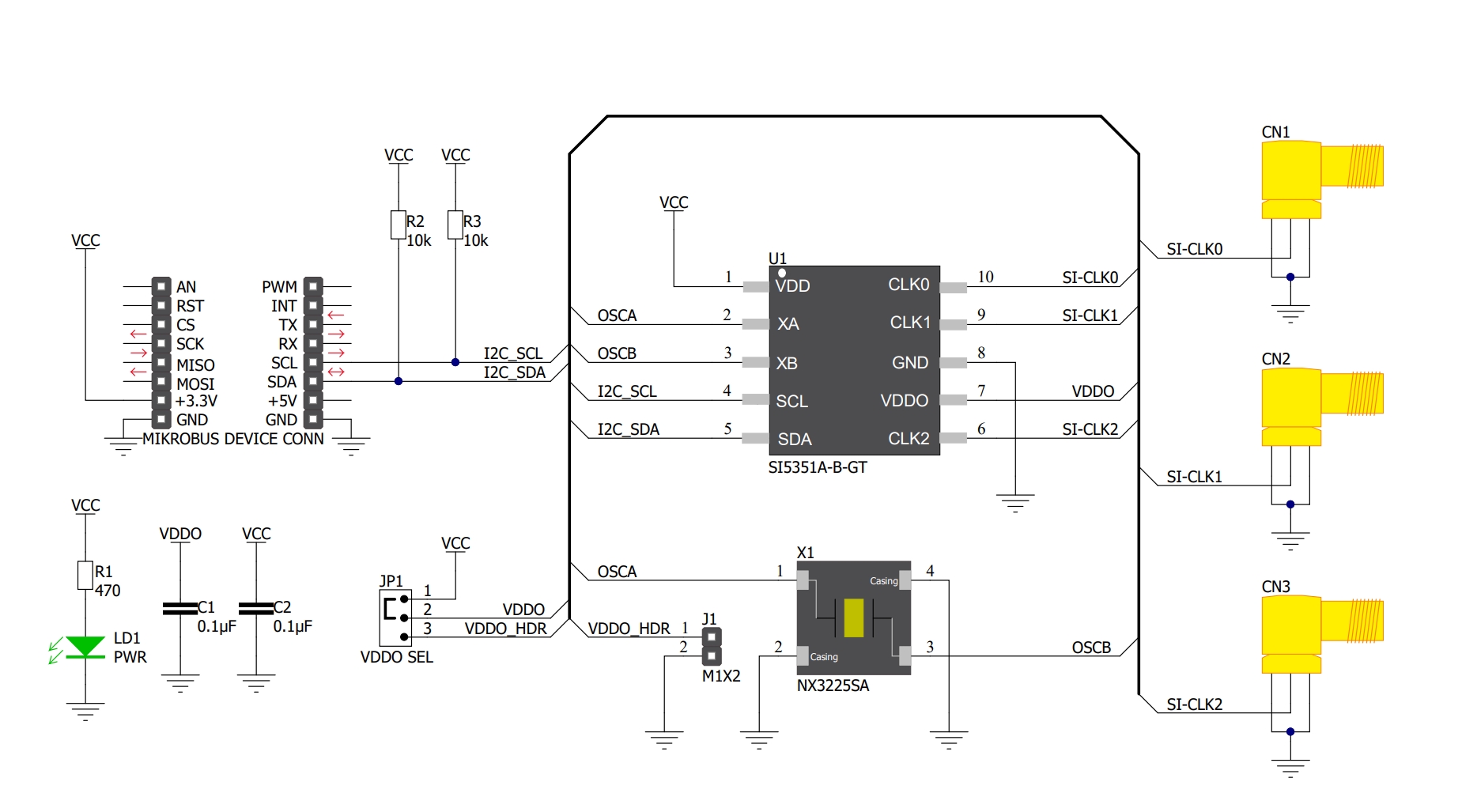
Clock Gen Click 提供了一种成本效益高的解决方案,适用于需要晶体、晶体振荡器、VCXO、锁相环 (PLL) 和扇出缓冲器的应用。这款 Click 板采用 Silicon Labs 的 Si5351A 芯片,这是一款基于 I2C 可配置的高分辨率 MultiSynth 小数分频器架构的时钟发生器。Si5351A 能够为每个输出(CLK0、CLK1 和 CLK2)生成高达 200 MHz 的任意频率,并且具有 0 ppm 的精度。它支持在每个输出上生成同步或自由运行的非整数相关时钟频率,允许单个器件为设计中的多个时钟域合成时钟。Clock Gen Click 消除了对成本较高的定制可拉晶体的需求,同时在宽调谐范围内提供可靠的操作。Si5351C 版本提供了与外部参考时钟同步的相同灵活性。Clock Gen Click 得到了 mikroSDK 的兼容支持,简化了软件开发流程,并且是经过全面测试的成熟产品,确保了其在配备 mikroBUS 插座的系统中的可靠性。
附件下载
原理图文件-clock-gen-click-schematic-v101.pdf
结构设计文件-clock_generator_click_2d_3d_files.zip
原理图PDF
全屏
评论
0 / 100
查看更多
