内容介绍
内容介绍
项目来源:Accel 14 Click
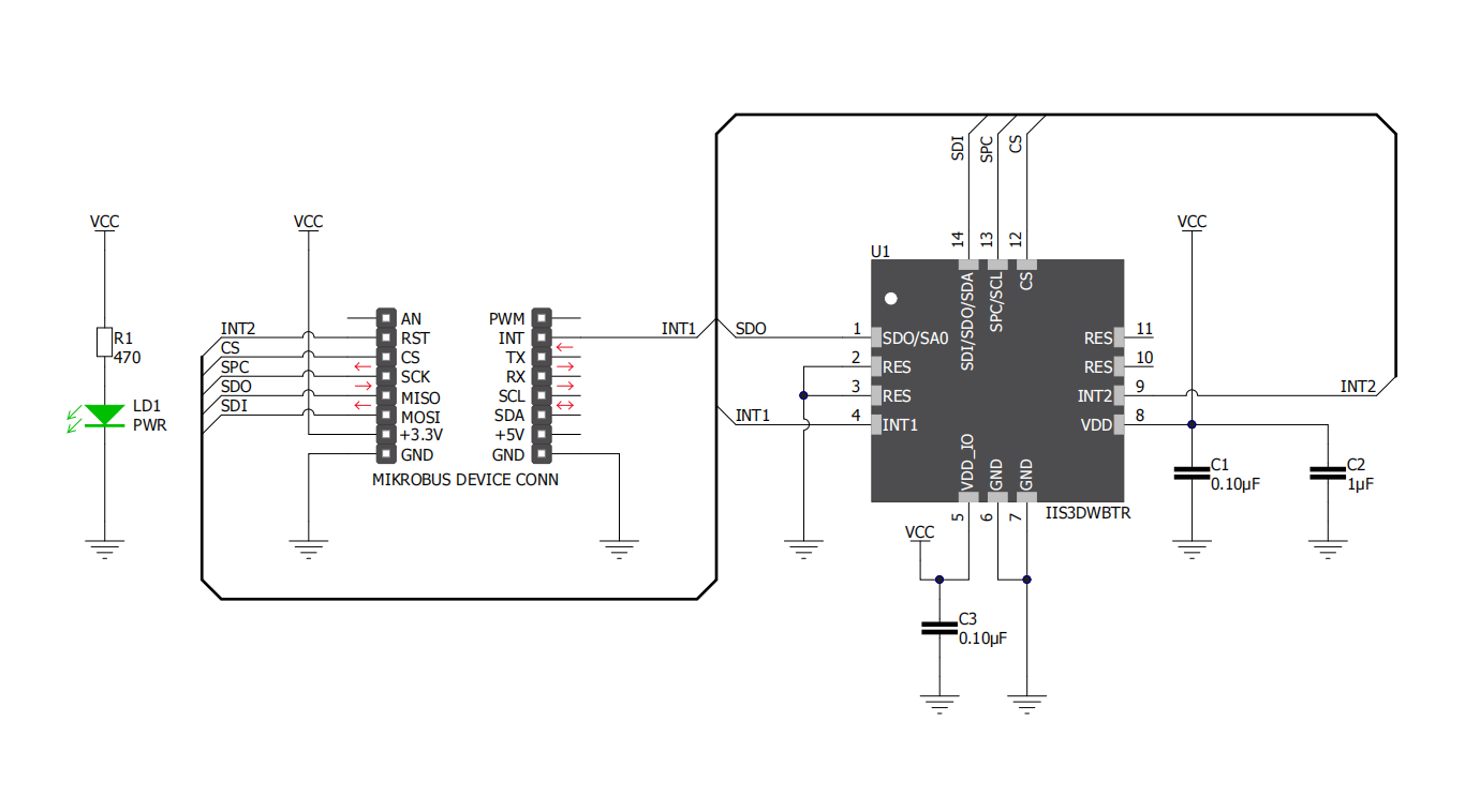
Accel 14 Click 是数字加速度和振动传感器 Click 板。它采用意法半导体生产的超宽带宽、低噪声、3 轴数字振动传感器,标记为 IIS3DWB。该 Click 板允许在三轴上进行 ±2 g、±4 g、±8 和 ±16 g 范围内的可选满量程加速度测量,并且能够以高达 6 kHz 的带宽和输出数据速率测量加速度26.7 kHz。为了从任何主机控制器访问传感器寄存器,通信是通过标准 SPI 串行接口完成的。连同其串行接口,传感器可以使用其两个中断引脚中的任何一个来报告检测到的事件。它具有许多功能,使其对振动和状态监测、测试和测量、预测性维护等各种应用具有吸引力。
Accel 14 Click 由 amikroSDK 兼容库支持,其中包括简化软件开发的功能。 ThisClick 板是经过全面测试的产品,可在配备 mikroBUS 插座的系统上使用。
附件下载
原理图文件-accel-14-click-schematic-v100.pdf
结构设计文件-Accel_14_Click_2d_3d_files.zip
原理图PDF
全屏
评论
0 / 100
查看更多
