内容介绍
内容介绍
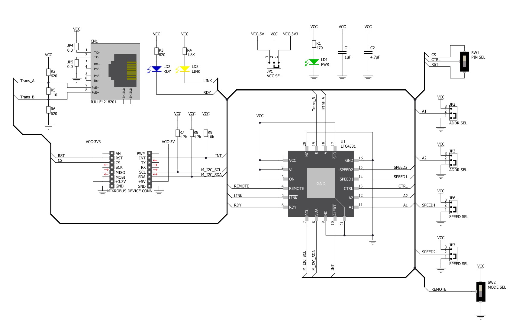
项目来源:I2C Extend Click
I2C ExtendClick 是一款紧凑型附加板,适用于需要长距离扩展 I2C 通信总线的应用。该板采用来自 Analog Devices 的 LTC4331,这是一款通过坚固的差分链路实现的 I2C 从设备扩展器。它是一款点对点 SMBus 兼容的 I2C 从设备扩展器,专为在高噪声工业环境中运行而设计,同时支持高达 1MHz 的串行时钟、链路引脚上的 ±40kV ESD 保护、可选链路波特率等。所有这些功能使 I2C Extend Click 成为需要长距离扩展 I2C 总线的各种应用的绝佳选择,例如传感器安装、工业控制、照明系统控制、音响系统控制等。
I2C Extend Click 由 mikroSDK 兼容库支持,其中包括简化软件开发的功能。该 Click 板是经过全面测试的产品,可在配备 mikroBUS 插座的系统上使用。
附件下载
原理图文件-i2c-extend-click-schematic-v100.pdf
结构设计文件-I2C_extend_click_2d_3d_files.zip
原理图PDF
全屏
评论
0 / 100
查看更多
