内容介绍
内容介绍
项目来源:Hall Current 9 Click
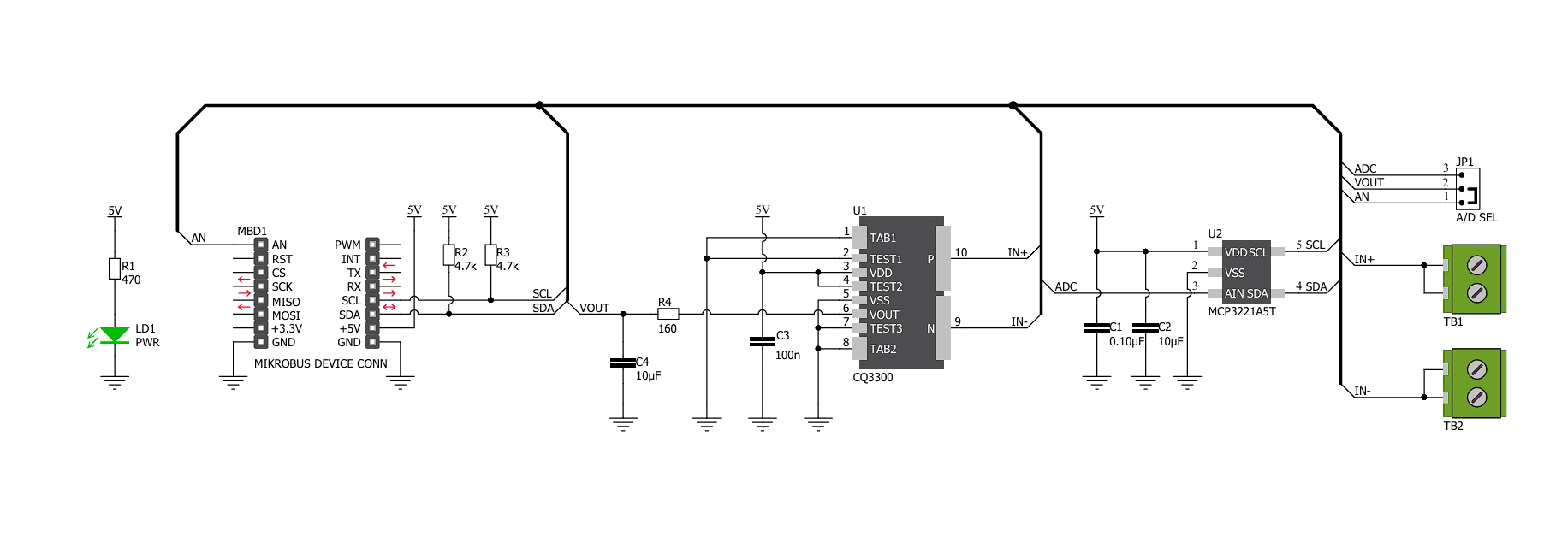
Hall Current 9 Click 是一款紧凑型附加板,为交流/直流电流传感提供快速、精确的解决方案。该板采用 CQ3300,这是一种高速响应无芯电流传感器,使用霍尔传感器,输出与 AKM Semiconductor 的交流/直流成比例的模拟电压。它采用高灵敏度 InAs(砷化铟)霍尔元件,能够高精度、高速检测直流和交流。它具有 0.5μsec 的超快高响应、高电流隔离,设计电流范围为 -6.4A 至 6.4A。该Click板适用于过流应用,在小型逆变器应用中表现出良好的性能。
Hall Current 9 Click 由 mikroSDK 兼容库支持,其中包括简化软件开发的功能。该 Click 板是经过全面测试的产品,可在配备 mikroBUS 插座的系统上使用。
附件下载
原理图文件-hall-current-9-click-schematic-v100.pdf
结构设计文件-hall_current_9_click_2d_3d_files.zip
原理图PDF
全屏
评论
0 / 100
查看更多
