内容介绍
内容介绍
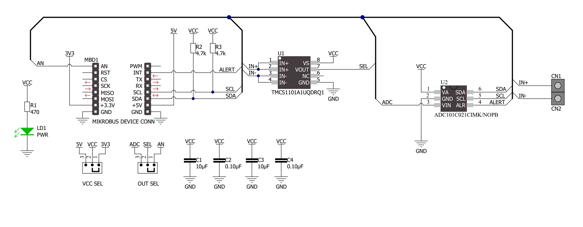
Hall Current 15 Click 是一款紧凑型附加板,可提供精确的交流或直流电流感应解决方案。该板采用 TMCS1101-Q1,这是一款来自 Texas Instruments 的电流隔离霍尔效应电流传感器,能够测量直流或交流电流,具有高精度、出色的线性度和温度稳定性。低漂移、温度补偿信号链在较宽的工作温度范围内提供 <1.5% 的满量程误差。它还提供可靠的 600V 使用寿命工作电压以及电流路径和具有单向/双向电流感测的电路之间的 3kVRMS 隔离。此外,用户可以以模拟或数字形式处理输出信号。该 Click 板适用于工业和商业系统中的交流或直流电流感应、电机和负载控制、功率因数校正、过流保护等。
Hall Current 15 Click 由 amikroSDK 兼容库支持,其中包括简化软件开发的功能。 ThisClick 板是经过全面测试的产品,可在配备 mikroBUS 插座的系统上使用。
附件下载
原理图文件-Hall_Current_15_click_v100_Schematic.PDF
结构设计文件-DC_Motor_22_Click_2d_3d_files.zip
原理图PDF
全屏
评论
0 / 100
查看更多
