压力传感器模块(18)
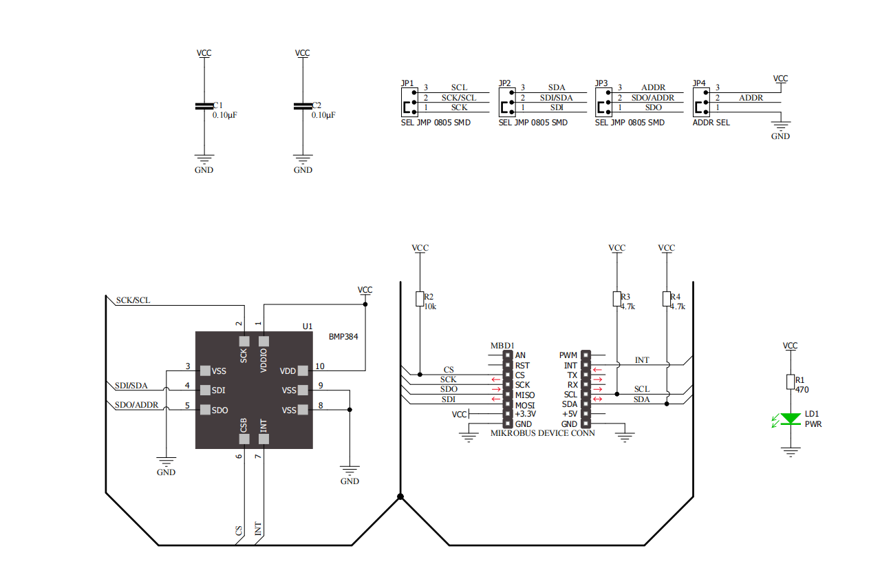
Pressure 18 Click 是一款紧凑型附加板,包含板装压力传感器。该板采用 BMP384,这是一款强大的气压传感器,采用 Bosch Sensortec 的紧凑封装提供市场领先的精度。 BMP384 提供 ±9Pa 的相对精度和 ±50Pa 的典型绝对精度,并具有超低噪声、低功耗和 ±1Pa/K 的温度系数偏移。它将输出数据转换为 24 位数字值,并通过支持 SPI 和 I2C 串行通信的可配置主机接口发送信息。它可在较宽的工作温度范围内测量 300hPa 至 1250hPa 的压力。该 Click 板适用于各种基于压力的应用、高度跟踪、工业、消费者、气象站等。 Pressure 18 Click 由 amikroSDK 兼容库支持,其中包括简化软件开发的功能。 ThisClick 板是经过全面测试的产品,可在配备 mikroBUS 插座的系统上使用。
标签
压力传感器
Click板
mikroBUS
BMP384
MikroElektronika
更新2024-04-23
91

内容介绍

项目来源:Pressure 18 Click

Pressure 18 Click 是一款紧凑型附加板,包含板装压力传感器。该板采用 BMP384,这是一款强大的气压传感器,采用 Bosch Sensortec 的紧凑封装提供市场领先的精度。 BMP384 提供 ±9Pa 的相对精度和 ±50Pa 的典型绝对精度,并具有超低噪声、低功耗和 ±1Pa/K 的温度系数偏移。它将输出数据转换为 24 位数字值,并通过支持 SPI 和 I2C 串行通信的可配置主机接口发送信息。它可在较宽的工作温度范围内测量 300hPa 至 1250hPa 的压力。该 Click 板适用于各种基于压力的应用、高度跟踪、工业、消费者、气象站等。

Pressure 18 Click 由 amikroSDK 兼容库支持,其中包括简化软件开发的功能。 ThisClick 板是经过全面测试的产品,可在配备 mikroBUS 插座的系统上使用。

软硬件
元器件
BMP384
压力传感器
附件下载
原理图文件-Pressure_18_click_v100_Schematic.PDF
结构设计文件-pressure_18_click_2d_3d_files.zip
原理图PDF
全屏
评论
0 / 100
查看更多
硬禾服务号
关注最新动态
0512-67862536
info@eetree.cn
江苏省苏州市苏州工业园区新平街388号腾飞创新园A2幢815室
苏州硬禾信息科技有限公司
Copyright © 2024 苏州硬禾信息科技有限公司 All Rights Reserved 苏ICP备19040198号