内容介绍
内容介绍
项目来源:I2C Isolator 5 Click
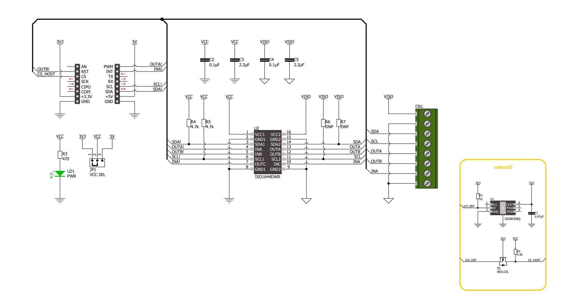
I2C Isolator 5 Click 是一款紧凑型附加板,可提供完全隔离的双向通信。该板采用 ISO1644,这是一款来自 Texas Instruments 的热插拔双向 I2C 隔离器,具有增强型 EMC 和 GPIO。 ISO1644 提供两个双向通道,支持完全隔离的 I2C 接口,无需将 I2C 信号拆分为单独的发送和接收信号,以便与独立光耦合器一起使用。它支持 DC 至 1.7MHz 的数据速率,并具有热插拔电路以防止数据故障。该 Click 板是在环境温度下在不同电源域的电路之间传输数字信号的完美解决方案。
I2C Isolator 5 Click 由 amikroSDK 兼容库支持,其中包括简化软件开发的功能。 ThisClick 板是经过全面测试的产品,可在配备 mikroBUS 插座的系统上使用。
附件下载
原理图文件-I2C_Isolator_5_click_v100_Schematic.PDF
结构设计文件-I2C_Isolator_5_Click_2d_3d_files.zip
原理图PDF
全屏
评论
0 / 100
查看更多
